Sistemos
Universalus šilumos ūkio valdiklis DIN3A
- Valdo sistemas, turinčias iki keturių katilų;
- Valdiklis turi dvylika 220V 2A išėjimų, skirtu tiesiogiai valdyti cirkuliacinius siurblius, trieigio (ketureigio) vožtuvo pavaras, servo pavaras, elektrines termogalvas ir .t.t.. Bet kuri valdiklio išvadą galima priskirti bet kuriam išėjimui, užsiduoti išėjimo inversiją;
- Operuoja 32 išėjimais, dvylika ant paties valdiklio, likusius galima nukreipti į išplėtimo modulius arba universalius išvadus D1...D7;
- Universalūs septyni loginio lygio įėjimai/išėjimai D1...D7 skirti į valdiklį paduoti išorinius signalus arba per papildomus raktus pajungti papildomus išėjimus. Keturi iš jų gali tiesiogiai valdyti Grundfoss UPM3 siurblius PWM signalu;
- Jungiama iki 64 skaitmeninių temperatūros daviklių DS18B20 (rekomenduojami, didelio tikslumo) arba DS18S20 (nerekomenduojami, senas modelis, mažiau tikslūs);
- Iki dviejų analoginių daviklių PT100 arba PT1000 trilaidžiame arba dvilaidžiame jungime. Valdiklis automatiškai atsirenka kurio tipo daviklis pajungtas. PT100 paprastai naudojamas matuoti kamino temperatūrai, PT1000 - saulės kolektoriuje. Bet galima abiejose vietose naudoti bet kurio tipo daviklius;
- Iki keturių skaitmeninių santykinės oro drėgmės daviklių DHT22, jungiamu per universalius įėjimus D4 ... D7;
- Iki trijų cirkuliacinių siurblių valdymas per specializuotas funkcijas, naudojant paprastus siurblius galimas debito reguliavimas kaistant arba auštant katilui;
- Neribotas papildomu kolektoriaus cirkuliacinių siurblių kiekis - siurbliai įjungiami jei atidaromas nors vienas kolektoriaus kontūras;
- Saulės kolektoriaus kontūro siurblio valdymas:
reguliuojamas debitas (valdiklis reguliuoja siurblio sūkius),
šilumos pertekliaus nuvedimas iš saulės vandens šildytuvo,
siurblio stabdymas kolektoriaus temperatūrai viršijus garavimo tašką,
turint srauto skaitiklį paskaičiuojama momentinė atiduodama kolektoriaus galia;
- Trijų nepriklausomų trieigio (ketureigio) vožtuvo pavarų valdymas (trilaidžiame jungime), palaikant kolektoriaus temperatūras:
užduotos kolektoriaus temperatūros korekcija pagal užduota vidaus daviklį,
automatinė optimalios užduotos kolektoriaus temperatūros paieška,
užduotos kolektoriaus temperatūros keitimas pagal kalendorių;
kai šildo katilas, elektrinis tenas atjungiamas,
- Vandens šildytuvo (boilerio) valdymas su galimybe blokuoti šildymą nuo katilo esant aktyviai saulei;
- Vandens šildytuvo elektrinio teno valdymas:
kai šildo katilas, elektrinis tenas atjungiamas,
jei nepakanka katilo galios ir trūksta šilto vandens, papildomai įjungiamas tenas,
pagal kalendorių galima užduoti skirtinga vandens temperatūrą skirtinam paros ar savaitės metui;
- Trijų trilaidžių servo pavarų valdymas su laiko kontrole, kai į pavarą įtampa paduodama nuo keliu sekundžių iki kelių minučių;
- Neribotas trilaidžių servo pavarų kiekis be laiko kontrolės, kai įtampa paduodama pastoviai į atidarymą arba uždarymą;
- Katilo ventiliatoriaus valdymas švelniai reguliuojant ventiliatoriaus sūkius;
- Ladomato siurblio valdymas. Jei ladomatas padarytas iš siurblio ir trieigės pavaros - valdo ir siurblį ir pavarą (ketvirta trieigė pavara) su papildomomis funkcijomis:
išnaudojus likutinę šilumą pilnai persuka pavarą į katilo išėjimą, taip užkertant kelia parazitiniam srautui per katilą akumuliacinės talpos iškrovimo metu;
- Akumuliacinės talpos valdymas:
iki keturių temperatūros daviklių kiekvienoje talpoje,
talpas galima kaskaduoti, kai kraunama arba iškraunama tik viena talpa, ja pakrovus - kraunama sekanti ir t.t.,
kaskadavimas nepriklausomai įjungiamas/išjungiamas tiek pakrovimui, tiek iškrovimui,
skaičiuojamas kiekvienos talpos įkrovos galia kilovatvalandėmis;
- Trys "Termo komparatorius" (palyginimo funkcijos);
- Skysto kuro padavimo įrangos valdymas;
- Interjero/eksterjero apšvietimo valdymas:
galimas įjungimo ir išjungimo laiko postūmis iki +/- 125 minučių,
pagal kalendorių arba laikrodį papildomai galima blokuoti arba įjungti apšvietimą;
- 16 nepriklausomų grindinių kontūrų arba radiatorių kolektoriaus galvų valdymas:
nepriklausomai galima užduoti kiekvienos patalpos temperatūrą visai savaitei kiekvienos dienos kiekvienai valandai,
temperatūros gali junginėtis automatiškai arba vartotojas gali keisti rankomis,
užduota patalpos arba grindų betono temperatūra fiksuota arba gali keistis pagal izoterminę kreivę (korekcija pagal vidaus ir/arba lauko daviklius);
- 128 universalios funkcijos, per loginius dėsnius galinčios sąveikauti su dauguma specializuotų funkcijų arba išėjimų, taip neribotai išplėsdamos valdiklio funkcionalumą;
- Galimybė pajungti išorinį LAN modulį;
- Galimybe pajungti papildomą grafinį displėjų;
- Meniu lietuviu kalba;
- Galimybe užrakinti nustatymų meniu su PIN kodu;
- Avarinės funkcijos:
saulės kolektoriaus temperatūrai pasiekus avarinę visi išėjimai gali būti sukomutuoti į reikiamą schemą kad nuvesti šilumą nuo saulės vandens šildytuvo,
- "Green" funkcija - jei katilas šaltas ir akumuliacinės iškrautos nuimama įtampa nuo išėjimų nepriklausomai nuo inversijos.
Specifikacija:
| Maitinimas: | 10...16V AC/DC |
| Sunaudojama galia | 7W |
| Programuojamų išėjimų skaičius valdiklyje: | 12 |
| išplėtimo modulyje EX10: | 10 |
| iš viso: | 32 |
| Išėjimų apkrovos srovė: | 1A (išėjimui) |
| Maksimalus skaitmeninių termodaviklių kiekis: | 64 |
| Analoginių daviklių PT100/PT1000 kiekis: | 2 |
| Skaitmeninių santikinės drėgmės daviklių DHT22 kiekis: | 4 |
| Analoginių daviklių PT100/PT1000 kiekis: | 2 |
| Optiškai atrištų one wire prievadų kiekis: | - |
| Optiškai neatrištų one wire prievadų kiekis: | 3 |
| Analoginiai įėjimai: | - |
| Analoginiai išėjimai 0-10V: | - |
| Universalių prievadų Dx kiekis (iš jų su PWM galimybe): | 7 (4) |
| Galimybė į vidų įdėti LAN modulį: | Ne |
| USB pajungimas į kompiuterį: | Taip |
| RS232 jungtys: | 2 |
| RS232 Nr.1 parametrai: | 8N1 9600 ...115200 |
| RS232 Nr.2 parametrai: | 8N1 115200 |
| Matmenys, mm: plotis: | 105 (6 din) |
| aukštis: | 90 |
| gylis: | 58 |


Panaudojimo pavyzdžiai
Minimalistinė katilinė.
Skirta valdyti
nedidelę katilinę su bet kokio tipo katilu: kieto kuro, granuliniu,
dujiniu, šilumos siurbliu ir kitais.Valdiklis turi 12 išėjimų, kurių pakanka valdyti
ketureigio vožtuvo pavarą (naudojami du išėjimai), cirkuliacinį siurblį,
boilerį, jei reikia, katilo ventiliatorių, ir lieka dar nemažai išėjimų kolektoriaus kontūrų valdymui. Jei
nenaudojamas katilo ventiliatorius, kamino daviklis algoritmams
nereikalingas, jį galima dėti tik dėl informacijos. T1 – Katilo temperatūros daviklis DS18B20. Montuojamas katilo išėjime.
T2 – Kolektoriaus temperatūros daviklis DS18B20. Montuojamas už ketureigio vožtuvo ant vamzdžio, einančio į kolektorių.
T3 – Boilerio temperatūros daviklis DS18B20. Montuojamas boilerio viršuje.
T4 – Kamino temperatūros daviklis PT100 / PT1000. Svarbu: daviklis turi būti sertifikuotas dirbti bent iki 500C.
T5 – Lauko temperatūros daviklis DS18B20. Sumažinti aplinkos įtakai valdiklis leidžia naudot iki trijų lauko daviklių. Jei naudojamas vienas, rekomenduojama montuoti šiaurinėje pastato pusėje. Jei daugiau - skirtingose pastato pusėse.
T6...T15 - Patalpų oro ir grindų davikliai. Jei naudojamas grindinis šildymas, pats efektyviausias valdymo metodas naudojant ir grindų ir oro daviklius, bet galima valdyti ir su vienu.
K1 – Ketureigis vožtuvas su elektrine pavara. Jo paskirtis - atskirti aukštatemperatūrį katilo vandens kontūrą nuo žematemperatūrio kolektoriaus kontūro. Plačiau . Rekmenduojame naudoti LK830 DN32
S1 – Cirkuliacinis siurblys. Plačiau .Rekomenduojame naudoti ALPHA2-25-60 . Tai ne tik ekonomiškas A klasės siurblys, kuris per du sezonus sutaupys tiek elektros, kiek jis pats kainuoja, bet, užsidarius patalpų termostatiniams vožtuvams automatiškai sumažina savo debitą, taip taupydami kurą ir didindami komfortą.
V1 – Papildymo ventilis.
V2 – Išsiplėtimo bakelio ventilis.
V3 – Boilerio ventilis su elektrine NO tipo termogalva. Vožtuvo paskirtis trejopa: leidžia greičiau įkaist katilui jį užkūrus (kol katilais neįkaista, vožtuvas uždarytas), apsaugo rankas nuo nusideginimo perkarštu vandeniu (uždaromas boileriui pasiekus užduotą temperatūrą) bei svarbiausias tikslas - lygina katilo ir boilerio temperatūras ir atidaromas tik tada, kai katilas karštesnis už boilerį. Rekomenduojame naudoti DN20 arba DN25 HEIMEIER vožtuvą su HONEYWELL MT8 elektrinę termogalvą, kuri turi aukštą darbinę temperatūrą. Plačiau
V4 ... V8 – Kolektoriaus elektrinės NO tipo termogalvos (jei reikia). Rekomenduojamos arba aukščiau minėtos HONEYWELL MT8 arba pigesnės DANFOSS TWA elektrinės termogalvos. DANFOSS TWA termogalvų darbinė temperatūra iki 65C, tuo tarpu HONEYWELL MT8 - gerokai aukštesnė. Kolektoriuje temepratūra nėra aukšta, tad tinka abi. Plačiau.
F1 – Grubaus valymo filtras.
A1 – Avarinis slėgio vožtuvas. Iki dviejų aukštų pastatams naudotinas 1,8 baro vožtuvas. Dėl apsaugos padidinimo dažnai sistemoje dedami du tokie vožtuvai.
N1, N2 – Automatiniai nuorinimo vožtuvai.
M1 – Monometras.
C1 – Katilo ventiliatorius (jei katilas su ventiliatoriumi). Valdiklis moka valdyti tiek paduodanti, tiek ištraukianti ventiliatorius arba kamine sumontuotą dūmsiurbę. Plačiau
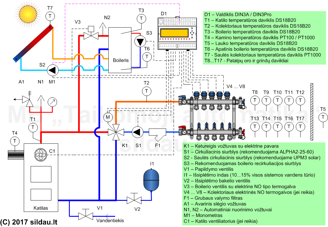
Katilinė su saulės kolektoriumi.
Skirta valdyti nedidelę katilinę su bet kokio tipo katilu: kieto kuro, granuliniu, dujiniu, šilumos siurbliu ir kitais. Valdiklio išėjimų pakanka valdyti ketureigio vožtuvo pavarą (naudojami du išėjimai), cirkuliacinį siurblį, boilerį, jei reikia, katilo ventiliatorių, saulės kolektoriaus siurblį (galima naudoti tiek "klasikinį" siurblį, valdoma per 220V išėjimus, arba šiuolaikinį UPM3 Hibrid solar, valdomą PWM signalu per D1...D4 išvadus). Jei nenaudojamas katilo ventiliatorius, kamino daviklis algoritmams nereikalingas, jį galima dėti tik dėl informacijos. Prie apatinio boilerio gyvatuko pajungtas saulės kolektorius, katilas boilerį šildo per viršutinį gyvatuką. Tai tradicinė kombinuoto boilerio jungimo hidraulinė schema. Tokiu būdu katilas gali šildyti tik viršutinę boilerio dalį, neišnaudojant jo tūrio. Šiai problemai spręsti skirtas siurblys S3, kuris iš boilerio viršaus sušildytą karštą vandenį permeta į boilerio apačią, tad užkaitinamas visas tūris. Šio siurblio valdymui valdiklyje naudojamas specialus, mūsų sukurtas algoritmasD1 – Valdiklis DIN3A
T1 – Katilo temperatūros daviklis DS18B20. Montuojamas katilo išėjime.
T2 – Kolektoriaus temperatūros daviklis DS18B20. Montuojamas už ketureigio vožtuvo ant vamzdžio, einančio į kolektorių.
T3 – Boilerio temperatūros daviklis DS18B20. Montuojamas boilerio viršuje.
T4 – Kamino temperatūros daviklis PT100 / PT1000. Svarbu: daviklis turi būti sertifikuotas dirbti bent iki 500C.
T5 – Lauko temperatūros daviklis DS18B20. Sumažinti aplinkos įtakai valdiklis leidžia naudot iki trijų lauko daviklių. Jei naudojamas vienas, rekomenduojama montuoti šiaurinėje pastato pusėje. Jei daugiau - skirtingose pastato pusėse.
T6 – Apatinis boilerio temperatūros daviklis DS18B20.
T7 - Saulės kolektoriaus temperatūros daviklis PT1000. Jo konstrukcija iki 200C.
T8...T17 - Patalpų oro ir grindų davikliai. Jei naudojamas grindinis šildymas, pats efektyviausias valdymo metodas naudojant ir grindų ir oro daviklius, bet galima valdyti ir su vienu.
K1 – Ketureigis vožtuvas su elektrine pavara. Jo paskirtis - atskirti aukštatemperatūrį katilo vandens kontūrą nuo žematemperatūrio kolektoriaus kontūro. Plačiau . Rekmenduojame naudoti LK830 DN32
S1 – Cirkuliacinis siurblys. Plačiau .Rekomenduojame naudoti ALPHA2-25-60 . Tai ne tik ekonomiškas A klasės siurblys, kuris per du sezonus sutaupys tiek elektros, kiek jis pats kainuoja, bet, užsidarius patalpų termostatiniams vožtuvams automatiškai sumažina savo debitą, taip taupydami kurą ir didindami komfortą.
S2 – Saulės kolektoriaus cirkuliacinis siurblys. Naudojamas paprastas "klasikinis" siurblys arba saulės siurblinė stotelė, jungiamas per 220V išėjimą, arba šiuolaikinis A klasės siurblys GRUNDFOSS UPM arba saulės stotelė su tokiu siurbliu. Pastarasis siurblys gali švelniai reguliuot debitą valdant jį PWM signalu iš D1...D4 valdiklio išvado. Plačiau.
S3 - Boilerio geriamo vandens recirkuliacijos siurblys. Prie apatinio boilerio gyvatuko pajungtas saulės kolektorius, katilas boilerį šildo per viršutinį gyvatuką. Tai tradicinė kombinuoto boilerio jungimo hidraulinė schema. Tokiu būdu katilas gali šildyti tik viršutinę boilerio dalį, neišnaudojant jo tūrio. Šiai problemai spręsti skirtas siurblys S3, kuris iš boilerio viršaus sušildytą karštą vandenį permeta į boilerio apačią, tad užkaitinamas visas tūris. Šio siurblio valdymui valdiklyje naudojamas specialus, mūsų sukurtas algoritmas. Plačiau.
V1 – Papildymo ventilis.
V2 – Išsiplėtimo bakelio ventilis.
V3 – Boilerio ventilis su elektrine NO tipo termogalva. Vožtuvo paskirtis trejopa: leidžia greičiau įkaist katilui jį užkūrus (kol katilais neįkaista, vožtuvas uždarytas), apsaugo rankas nuo nusideginimo perkarštu vandeniu (uždaromas boileriui pasiekus užduotą temperatūrą) bei svarbiausias tikslas - lygina katilo ir boilerio temperatūras ir atidaromas tik tada, kai katilas karštesnis už boilerį. Rekomenduojame naudoti DN20 arba DN25 HEIMEIER vožtuvą su HONEYWELL MT8 elektrinę termogalvą, kuri turi aukštą darbinę temperatūrą. Plačiau.
V4 ... V8 – Kolektoriaus elektrinės NO tipo termogalvos (jei reikia). Rekomenduojamos arba aukščiau minėtos HONEYWELL MT8 arba pigesnės DANFOSS TWA elektrinės termogalvos. DANFOSS TWA termogalvų darbinė temperatūra iki 65C, tuo tarpu HONEYWELL MT8 - gerokai aukštesnė. Kolektoriuje temepratūra nėra aukšta, tad tinka abi. Plačiau.
F1 – Grubaus valymo filtras.
A1 – Avarinis slėgio vožtuvas. Iki dviejų aukštų pastatams naudotinas 1,8 baro vožtuvas. Dėl apsaugos padidinimo dažnai sistemoje dedami du tokie vožtuvai.
N1, N2 – Automatiniai nuorinimo vožtuvai.
M1 – Monometras.
C1 – Katilo ventiliatorius (jei katilas su ventiliatoriumi). Valdiklis moka valdyti tiek paduodanti, tiek ištraukianti ventiliatorius arba kamine sumontuotą dūmsiurbę. Plačiau
Katilinė su saulės kolektoriumi ir akumuliacine talpa.
Skirta valdyti katilinę su bet kokio tipo katilu: kieto kuro, granuliniu, dujiniu, šilumos siurbliu ir kitais. Valdiklio išėjimų pakanka valdyti trieigio vožtuvo pavarą (naudojami du išėjimai), cirkuliacinį siurblį, boilerį, jei reikia, katilo ventiliatorių, saulės kolektoriaus siurblį (galima naudoti tiek "klasikinį" siurblį, valdoma per 220V išėjimus, arba šiuolaikinį UPM3 Hibrid solar, valdomą PWM signalu per D1...D4 išvadus), akumuliacines talpas (iki trijų talpų). Kamino daviklis būtinas dėl ladomato ir akumuliacinės algoritmų. Prie apatinio boilerio gyvatuko pajungtas saulės kolektorius, katilas boilerį šildo per viršutinį gyvatuką. Tai tradicinė kombinuoto boilerio jungimo hidraulinė schema. Tokiu būdu katilas gali šildyti tik viršutinę boilerio dalį, neišnaudojant jo tūrio. Šiai problemai spręsti skirtas siurblys S3, kuris iš boilerio viršaus sušildytą karštą vandenį permeta į boilerio apačią, tad užkaitinamas visas tūris. Šio siurblio valdymui valdiklyje naudojamas specialus, mūsų sukurtas algoritmas. Akumuliacinės talpos jungiamos per elektrotermines pavaras, kurios leidžia realizuot mūsų sukurtus talpų kaskadavimo ir "katilo išsiurbimo" algoritmus. Prieš abu ladomato įėjimus rekomenduojame dėti filtrus, be jų apsinešus ladomato kapsulei pastaroji gali prilipti, ko pasėkoje arba katilas negalės užkaist arba, kas blogiau, perkais.D1 – Valdiklis DIN3A
T1 – Katilo temperatūros daviklis DS18B20. Montuojamas katilo išėjime.
T2 – Kolektoriaus temperatūros daviklis DS18B20. Montuojamas už ketureigio vožtuvo ant vamzdžio, einančio į kolektorių.
T3 – Boilerio temperatūros daviklis DS18B20. Montuojamas boilerio viršuje.
T4 – Kamino temperatūros daviklis PT100 / PT1000. Svarbu: daviklis turi būti sertifikuotas dirbti bent iki 500C.
T5...T8 – Pirmos akumuliacinės talpos davikliai
T9...T12 – Antros akumuliacinės talpos davikliai
T13...T16 – Trečios akumuliacinės talpos davikliai
T17...T26 - Patalpų oro ir grindų davikliai. Jei naudojamas grindinis šildymas, pats efektyviausias valdymo metodas naudojant ir grindų ir oro daviklius, bet galima valdyti ir su vienu.
T27 – Lauko temperatūros daviklis DS18B20
T28 - Saulės kolektoriaus temperatūros daviklis PT1000
T29 – Apatinis boilerio temperatūros daviklis DS18B20
K1 – Trieigis vožtuvas su elektrine pavara. Jo paskirtis - sumažinti iš akumuliacinės išeinančio vandens temperatūrą. Plačiau . Rekmenduojame naudoti LK840 DN32 arba DN25. Ant vožtuvo dedama trilaidė 220V pavara. Rekomenduojame DANFOSS AMB162/AMB162 arba LK950 pavarą.
S1 – Cirkuliacinis siurblys. Plačiau .Rekomenduojame naudoti ALPHA2-25-60 . Tai ne tik ekonomiškas A klasės siurblys, kuris per du sezonus sutaupys tiek elektros, kiek jis pats kainuoja, bet, užsidarius patalpų termostatiniams vožtuvams automatiškai sumažina savo debitą, taip taupydami kurą ir didindami komfortą.
S2 – Saulės kolektoriaus cirkuliacinis siurblys. Naudojamas paprastas "klasikinis" siurblys arba saulės siurblinė stotelė, jungiamas per 220V išėjimą, arba šiuolaikinis A klasės siurblys GRUNDFOSS UPM arba saulės stotelė su tokiu siurbliu. Pastarasis siurblys gali švelniai reguliuot debitą valdant jį PWM signalu iš D1...D4 valdiklio išvado. Plačiau.
S3 - Boilerio geriamo vandens recirkuliacijos siurblys. Prie apatinio boilerio gyvatuko pajungtas saulės kolektorius, katilas boilerį šildo per viršutinį gyvatuką. Tai tradicinė kombinuoto boilerio jungimo hidraulinė schema. Tokiu būdu katilas gali šildyti tik viršutinę boilerio dalį, neišnaudojant jo tūrio. Šiai problemai spręsti skirtas siurblys S3, kuris iš boilerio viršaus sušildytą karštą vandenį permeta į boilerio apačią, tad užkaitinamas visas tūris. Šio siurblio valdymui valdiklyje naudojamas specialus, mūsų sukurtas algoritmas. Plačiau.
V1 – Papildymo ventilis.
V2 – Išsiplėtimo bakelio ventilis.
V3 – Boilerio ventilis su elektrine NO tipo termogalva. Vožtuvo paskirtis trejopa: leidžia greičiau įkaist katilui jį užkūrus (kol katilais neįkaista, vožtuvas uždarytas), apsaugo rankas nuo nusideginimo perkarštu vandeniu (uždaromas boileriui pasiekus užduotą temperatūrą) bei svarbiausias tikslas - lygina katilo ir boilerio temperatūras ir atidaromas tik tada, kai katilas karštesnis už boilerį. Rekomenduojame naudoti DN20 arba DN25 HEIMEIER vožtuvą su HONEYWELL MT8 elektrinę termogalvą, kuri turi aukštą darbinę temperatūrą. Plačiau.
V4 – Pirmos akumuliacinės talpos ventilis su elektrine NO tipo termogalva. Vožtuvo paskirtis - "katilo išsiurbimo" metu, kai katile lieka tik žarijos, vožtuvas uždaromas ir į kolektorius S1 siurbiamas vanduo keliauja per avarinį ladomato viduje esantį gravitacinį vožtuvą ir katilą, taip išnaudojant visą sukaupta katile energiją. Priklausomai nuo pastato šilumos poreikio prailgina šildymą nuo pusvalandžio iki poros valandų. Taipogi, jei naudojamos daugiau negu viena akumuliacinė talpa, šie vožtuvai naudojami kaskadavimo algoritmams. Rekomenduojame naudoti DN25 HEIMEIER vožtuvą su HONEYWELL MT8 elektrinę termogalvą, kuri turi aukštą darbinę temperatūrą. Plačiau
V5 – Antros akumuliacinės talpos ventilis su elektrine NO tipo termogalva. Vožtuvo paskirtis - "katilo išsiurbimo" metu, kai katile lieka tik žarijos, vožtuvas uždaromas ir į kolektorius S1 siurbiamas vanduo keliauja per avarinį ladomato viduje esantį gravitacinį vožtuvą ir katilą, taip išnaudojant visą sukaupta katile energiją. Priklausomai nuo pastato šilumos poreikio prailgina šildymą nuo pusvalandžio iki poros valandų. Taipogi, jei naudojamos daugiau negu viena akumuliacinė talpa, šie vožtuvai naudojami kaskadavimo algoritmams. Rekomenduojame naudoti DN25 HEIMEIER vožtuvą su HONEYWELL MT8 elektrinę termogalvą, kuri turi aukštą darbinę temperatūrą. Plačiau
V6 – Trečios akumuliacinės talpos ventilis su elektrine NO tipo termogalva. Vožtuvo paskirtis - "katilo išsiurbimo" metu, kai katile lieka tik žarijos, vožtuvas uždaromas ir į kolektorius S1 siurbiamas vanduo keliauja per avarinį ladomato viduje esantį gravitacinį vožtuvą ir katilą, taip išnaudojant visą sukaupta katile energiją. Priklausomai nuo pastato šilumos poreikio prailgina šildymą nuo pusvalandžio iki poros valandų. Taipogi, jei naudojamos daugiau negu viena akumuliacinė talpa, šie vožtuvai naudojami kaskadavimo algoritmams. Rekomenduojame naudoti DN25 HEIMEIER vožtuvą su HONEYWELL MT8 elektrinę termogalvą, kuri turi aukštą darbinę temperatūrą. Plačiau
V7 - Balansinis ventilis (DN25 arba DN32). Skirtas apriboti karšto vandens srautui į kolektorių pradiniu momentu, kol talpos viršus nepasiekęs aukštos temperatūros ir trieigio pavara būna atidaryta iki galo, taip pagerinant akumuliacinės talpos ir boilerio krovimą.
V8 ... V11 – Kolektoriaus elektrinės NO tipo termogalvos (jei reikia). Rekomenduojamos arba aukščiau minėtos HONEYWELL MT8 arba pigesnės DANFOSS TWA elektrinės termogalvos. DANFOSS TWA termogalvų darbinė temperatūra iki 65C, tuo tarpu HONEYWELL MT8 - gerokai aukštesnė. Kolektoriuje temepratūra nėra aukšta, tad tinka abi. Plačiau.
F1, F2, F3 – Grubaus valymo filtras.
A1 – Avarinis slėgio vožtuvas. Iki dviejų aukštų pastatams naudotinas 1,8 baro vožtuvas. Dėl apsaugos padidinimo dažnai sistemoje dedami du tokie vožtuvai.
N1, N2, N3 – Automatiniai nuorinimo vožtuvai.
M1 – Monometras.
C1 – Katilo ventiliatorius (jei katilas su ventiliatoriumi). Valdiklis moka valdyti tiek paduodanti, tiek ištraukianti ventiliatorius arba kamine sumontuotą dūmsiurbę. Plačiau
L1 - Akumuliacinės krovimo mazgas, dar vadinamas "ladomatu". Rekomenduojame naudoti LK810 su ne mažiau už 72C kapsule. Plačiau
I1 – Išsiplėtimo indas (10...15% visos sistemos vandens tūrio)


