DIN3 valdiklių instrukcija
Turinys:
1. Specifikacija1
| Din3A | DIN3PRO | DIN3Nano | |
| Maitinimas: | 10...16V AC/DC | 10...16V AC/DC | 220V AC |
| Sunaudojama galia | 7W | 10W | 3W |
| Programuojamų išėjimų skaičius valdiklyje: | 12 | 21 | 6 |
| išplėtimo modulyje EX10: | 10 | 10 | 10 |
| iš viso: | 32 | 32 | 32 |
| Išėjimų apkrovos srovė: | 2A (išėjimui) | 2A (išėjimui) | 2A (išėjimui) |
| Maksimalus skaitmeninių termodaviklių kiekis: | 64 | 64 | 64 |
| Analoginių daviklių PT100/PT1000 kiekis: | 2 | 2 | 2 |
| Skaitmeninių santikinės drėgmės daviklių DHT22 kiekis: | 4 | 4 | - |
| Optiškai atrištų one wire prievadų kiekis: | - | 3 | - |
| Optiškai neatrištų one wire prievadų kiekis: | 3 | - | 2 |
| Analoginiai įėjimai: | - | 2 | - |
| Analoginiai išėjimai 0-10V: | - | 4 | - |
| Universalių prievadų Dx kiekis: | 7 | 10 | - |
| Galimybė į vidų įdėti LAN modulį: | Ne | Taip | Ne |
| USB pajungimas į kompiuterį: | Taip | Taip | Taip |
| RS232 jungtys: | 2 | 2 | 2 |
| RS232 Nr.1 parametrai: | 8N1 9600 ...115200 | 8N1 9600 ...115200 | 8N1 9600 ...115200 |
| RS232 Nr.2 parametrai: | 8N1 115200 | 8N1 115200 | 8N1 115200 |
| Matmenys, mm: plotis: | 105 (6 din) | 153 (9 din) | 105 (6 din) |
| aukštis: | 90 | 90 | 90 |
| gylis: | 58 | 58 | 58 |
Pastaba:
kai kurios svarbios funkcijos dėl patikimumo dirba tik per valdiklyje esančius išėjimus;
bendra valdiklio apkrovų srovių suma – iki 10A;
Specializuotos funkcijos:
| Cirkuliacinių siurblių valdymas per specializuotas funkcijas | 3 |
| Saulės kolektoriaus valdymas | 1 |
| Trieigio/ketureigio pavarų valdymas | 3 |
| Vandens šildytuvo (boilerio) valdymas | 1 |
| Trilaidžių servo pavarų valdymas su laiko kontrole | 3 |
| Trilaidžių servo pavarų valdymas be laiko kontroles | 16 |
| Katilo ventiliatoriaus valdymas | 1 |
| Ladomato valdymas | 1 |
| Akumuliacinės talpos valdymas | 3 |
| "Termo komparatorius" (palyginimo funkcija) | 3 |
| Skysto kuro padavimo įrangos valdymas | 1 |
| Kiemo apšvietimo valdymas | 2 |
| Grindinių kontūrų arba radijatorių kolektoriaus galvų valdymas | 16 |
| Bendros paskirties funkcijų (programų) kiekis | 128 |
| DAC (analoginių išėjimų valdymo, tik PRO versijoje) | 4 |
2. Komponentų išdėstymas2
Din3Nano

Pastaba: jungiant bet kokius laidus PRIVALOMA IŠJUNGTI valdiklio maitinimą.
Din3, Din3A

Pastaba: jungiant bet kokius laidus PRIVALOMA IŠJUNGTI valdiklio maitinimą.
Din3PRO

Pastaba: jungiant bet kokius laidus PRIVALOMA IŠJUNGTI valdiklio maitinimą.
3. Pajungimas3
220 pajungimas

Skirtingos išėjimų grupės (1..6 ir 7...12 dėl din3A arba 1..6 ir 7... 21 dėl din3PRO) maitinamos iš nepriklausomų L kontaktų. Išskyrimas į grupes naudingas tuo, kad vieną grupę galima maitinti pastoviai, o kitą - per avarinę rėlę atjunginėti. Tada prie pirmosios jungiame apkrovas, kurias avariniu atveju reikia palikti įjungtas, o prie antrosios - NO apkrovas ir katilo ventiliatorių, tad suveikus vienai avarinei rėlei, atjungiamos visos grupės apkrovos.
Pavarų pajungimas
DIN3 valdiklyje trišakio (keturšakio) pavaros jungiamos į bet kurią iš eilės einančią kontaktų porą. Naudojamos bet kokios 220V trilaidės pavaros, rekomenduotina lėtesnės (paprastai būna nuo 90 iki 240 sekundžių). Kadangi sistema labai inertiška, per greit besisukiojanti pavara sukelia didelius temperatūrų svyravimus kolektoriuje. Tad greitesnes pavaras konfigūruojant reiks labiau lėtinti, lėtesnes - mažiau. Vienas laidas bendras, eina į "0", kiti du laidai skirti paduoti įtampą į vieną atidarymui, į kitą uždarymui. Kontaktas su žemesniu numeriu pavarą atidaro, aukštesniu - uždaro.

Pastaba: Prie išplėtimo modulių pavarų jungti nerekomenduojama.
Cirkuliacinių siurblių ir elektrinių termogalvų pajungimas
Siurbliai ir elektrinės termogalvos jungiamos prie bet kurių valdiklio išėjimų:
Servo pavarų pajungimas
Dažniausiai naudojamos dviejų tipų pavaros, skirtos elektriškai valdyti vožtuvus. Populiariausios - vaškinės termo galvos, kurių darbo principas - tekanti per kaitinimo elementą srovė įkaitina aplink elementą esantį vašką, kuris besiplėsdamas nuspaudžia vožtuvą. Skirstomos į du tipus - NO (normaliai atviros, kai nesant paduotai įtampai vožtuvas atidarytas) ir NC (normaliai uždaros, kai nesant įtampai vožtuvas uždarytas). Tokios termogalvos pliusai - ji sąlyginai nebrangi, naudoja nedaug energijos (paprastai 2...3W), statoma ant standartinių ventilių bei kolektorių. Trūkumas - norint uždaryti/atidaryti srautą, reikia visą laiką laikyti ją įjungtą (nors ir nedaug naudoja energijos, bet per laiką susidaro nemaži kiekiai) ir yra lėtos (pilnas atsidarymas/užsidarymas užtrunka keletą minučių). Štai pora tokių pavarų:
Kitas pavaros tipas - servopavara. Tai trilaidė pavara, paprastai sumontuota į vieną monolitinį bloką kartu su vožtuvu.
Jungiasi analogiškai kaip trišakio pavara - vienas laidas bendras, eina į "0", kiti du laidai skirti paduoti įtampą į vieną atidarymui, į kitą uždarymui. Paprastai įtampa paduodama kelioms sekundėms, servopavara greit persisuka į kraštinę padėtį ir joje lieka tol, kol įtampa paduodama į kitą laidą. Tokios pavaros pliusai tie, kad ji greita (uždaro/atidaro per keletą sekundžių) ir statinėje būsenoje visiškai nenaudoja elektros energijos, o minusai - didelė, už vaškinę pavarą didesnė, kaina, jai valdyti reikia dviejų valdiklio išėjimų, bei tai, kad jos nesumontuosi ant standartinio kolektoriaus ar vožtuvo.
Servo pavaros prie valdiklio jungiamos dviem laidais prie bet kurių iš eilės einančių išėjimų. Išėjimas su žemesniu numeriu pavarą atidaro, su aukštesniu - uždaro. Valdiklis moka valdyt iki trijų tokių servopavarų.
Katilo pajungimas
Jei naudojamas katilas su ventiliatoriumi, bet neturi jį valdančios elektronikos, ventiliatorių labai patogu valdyti su valdikliu. Tokiu atveju 220V laida iš katilo jungiame ne į tinklą tiesiogiai, bet į pasirinktą valdiklio išėjimą:
Daviklių pajungimas
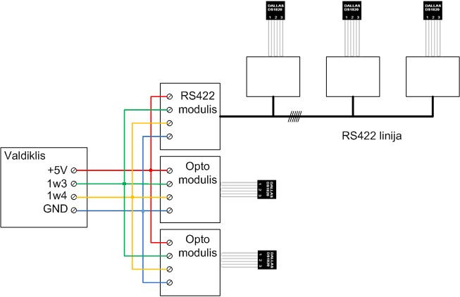
Prie valdiklio galima pajungti iki 64 temperatūros daviklių DS18B20 arba DS18S20. DS18B20 yra naujesni ir tikslesni, bei, paradoksalu, pigesni. Galima prie vieno išvado jungti bet kokia kombinacija tiek vienus, tiek kitus. Visi jie jungiasi lygiagrečiai trimis laidais: maitinimo minusas, maitinimo pliusas ir duomenų laidas. Visi davikliai turi unikalų adresą ir valdiklis juos atsirenka pagal adresą . Yra trys nepriklausomi daviklių duomenų išvadai. Davikliai jungiasi po kiek norime prie bet kurio iš šių kontaktų. Juodas arba mėlynas laidas – GND, geltonas – duomenų laidas. raudonas– maitinimo pliusas (5V).

Davikliams pajungti naudojamas UTP5 kategorijos kabelis, skirtas kompiuteriniams tinklams, iš jo panaudojant dvi poras. Taipogi galim naudoti telekominį dviejų vytų porų kabeliuką. Signalizacijos laidas netinka, nes jis nesuvytas poromis. Daviklius jungiame žvaigžde ar nuosekliai - nesvarbu, kabelius reikia projektuoti taip, kad būtų kuo mažesnė jų ilgio suma. Imame dvi poras, iš kiekvienos po vieną laidą jungiame prie daviklio minuso ir valdiklio bendro kontakto (masės), po antrą poros laidą - atitinkamai prie daviklių duomenų ir maitinimo kojelių bei valdiklio išvadų.
Nevytos poros laidais (signalizacijos kabeliu ar panašiais) iki daviklių atstumas gali būti iki dešimties metrų, vytos poros kabeliais - iki keliasdešimties metrų. Autorius siūlo ir profesionalų, pramonėje naudojamą, nutolusių daviklių pajungimo būdą - per RS422 interfeisą, leidžiantį iki poros kilometrų iki daviklių. Tam naudojama papildoma įranga - prie valdiklio stovintis adapteris (master) ir neribojamas skaičius nutolusių adapterių (slave). Visi adapteriai jungiasi nuosekliai prie trijų vytų porų linijos (galima naudoti tiek UTP5 kategorijos, tiek ryšių kabelius). Viena pora duomenys keliauja iš valdiklio į daviklius, kita - atvirkščiai, trečiąja paduodamas maitinimas davikliams. Master adapteris per optiką galvaniškai atriša signalą ir maitinimą, tad stipriai sumažėja valdiklio sugadinimo rizika dėl žaibo ir statikos poveikio į ryšio linijas. Autoriaus siūlomo RS422 interfeiso schema .
Pramonėje bei namų salygomis, kur didelė trukdžių tikimybė, rekomenduojama naudoti optinius adapterius, galvaniškai atrišančius daviklių kabelius nuo valdiklio. Autoriaus siūlomo optinio modulio schema . Vienu metu galima naudoti iki penkių tokių modulių (galima maišyti RS422 ir opto modulius). Kitas opto modulių panaudojimo pliusas - jei per juos galvaniškai atskiriami daviklių kabeliai, valdiklis apsaugomas nuo statikos ir žaibų poveikio, taipogi galima pajungti daugiau kabelių į daviklius (aktuali kabelio ilgio suma ant vieno valdiklio išvado, per atskirus optinius modulius pajungtų kabelių ilgiai nesisumuoja). Prie RS422 slave ir opto modulių jungiamų daviklių skaičius neribojamas. RS422 ir opto moduliai jungiami prie dviejų (1WO ir 1WI) valdiklio išvadų. Likę du - naudojami kaip įprasta. Din3PRO visi trys daviklių prievadai jau valdiklio viduje yra optiškai atrišti.

Santykinės drėgmės daviklių DHT22 (AM2302) pajungimas

Kompiuterio pajungimas
Programinei įrangai atnaujinti naudojamas RS232 arba USB prievadas. Per šį prievadą taipogi galima daryti valdiklio monitoringą bei nutolusį valdymą. Naujausia programinė įranga talpinama čia

TX1 jungiamas prie 2 com prievado kontakto, RX1 prie 3, GND prie 5. .
Taipogi kompiuterį su Windows operacijų sistema galima pajungti ir per USB kabelį. USB tvarkyklės programinio aprūpinimo puslapyje.
PT100/PT1000 pajungimas
Naudojami davikliai DS18B20 dirba nuo -55 iki +127 laipsnių. Norint matuoti kamino bei saulės kolektoriaus temperatūrą jau reikia analoginių aukštatemperatūrių daviklių PT100/PT1000. Tai platininės termoporos, pakankamai tikslios, dirba iki 200 ... 800 laipsnių (priklauso nuo konkretaus išpildymo), tad jie puikiai tinka matuoti kamino bei saulės kolektoriaus temperatūras. Valdiklis gali rodyti nuo minus 80 iki plius 800 laipsnių celsijaus. PT1 skirta kamino davikliui, PT2 - saulės kolektoriaus davikliui. Nenaudojant kamino ar saulės kolektoriaus - analoginius daviklius galima naudoti bet kur kitur. Jei reikia matuoti keletą saulės kolektorių vienu metu, karščiausiame naudojame PT daviklį, kituose - paprastus skaitmeninius DS18S20. Valdiklis automatiškai atpažįsta daviklio tipą (PT100 ar PT1000), tad bet kuriame PT prievade galima naudoti bet kurį iš šių daviklių
Papildomo displėjaus pajungimas
Valdiklis paprastai montuojamas rūsyje, šalia katilo. Norint patalpose matyt aktualią informaciją, naudojami papildomi displėjai. Prie valdiklio galima pajunkti keletą tokių displėjų monitoringui ir vieną - valdymui. .

Išplėtimo modulių pajungimas
Jei nepakanka ant valdiklio esamų 12 ar 21 išėjimo (prillausomai nuo valdiklio versijos) - galima naudoti vieną ar kelis išplėtimo modulius. Moduliai turi 10 išėjimų. Prie valdiklio jie jungiasi kaip ir papildomi displejai, konkrečiu atveju reikia vadovautis užrašais prie kontaktų. SER jungiamas prie TX2 valdiklio išvado, GND - prie valdiklio masinio išvado, maitinimas, priklausomai nuo modifikacijos, gali būti +12V - jungiamas prie valdiklio +U (+12V) išvado, jei "0" - jungiama į 220V "nulį". L - "fazinis" 220V įėjimas (ant modulio du L kontaktai, kairys maitina 1... 5 išėjimus, dešinys - 6... 10).

Loginio lygmens išvadai Dx

Iki 2 amperų srovei naudojama S202T02 optorėlė
Iki 8 amperų srovei naudojama S202S02 optorėlė (prie 8A apkrovos optorėlė šils, tad ją reikia prisukti prie metalinės plokštelės aušinimui)
Optoreles nusipirkti galima Evitoje
Galima naudoti ir S202T01 bei S202S01, bet pastarosiose nenaudojama apsaugos nuo komutacinių trigdžių technologija (ZCD), tad rekomenduojama naudoti su indeksu 02 gale.
4. Rekomenduojama schema4
Rekomenduojama valdiklio montavimo schema:
Kaip dubliuojanti avarinė schema naudojamas mechaninis NO tipo termokontaktas , suveikiantis prie 95...100 laipsnių ir keturguba rėlė su 220V apvija. Laidų pajungimo patogumui montuojamas 16 kontaktų gnybtynas. Prie 1 ir 2 kontaktų jungiame pirmąją trišakio (ketrušakio pavarą). "Nuliniai" ir įžeminimo laidai jungiami į jiems skirtus gnybtus (schemoje mėlynas ir žalias gnybtynai). Prie 3...5 kontaktų jungiame cirkuliacinius siurblius ir ladomatą, prie kurio nors iš 7... 12 - katilą (jei naudojame ventiliatoriaus funkciją) bei NO galvas. Pirma valdiklio išėjimų grupė maitinasi tiesiogiai iš automato, tuo tarpu antroji - per rėlės atjungianti kontaktą. Avarinę termorėlę statome ant katilo išėjimo vamzdžio. Pakilus katilo temperatūrai iki 95...100 laipsnių, suveikusi termorėlė įjungia kuturgubą rėlę, pastaroji atjungia maitinimą antrajai išėjimų grupei, taip atidaromi NO vožtuvai bei išjungiamas katilo ventiliatorius. Sujungiantys rėlės kontaktai paduoda įtampą į pavaros atidarymą bei įjungia cirkuliacinius siurblius.
Deja, lietuviškose elektronikos detalių parduotuvėse tokių NO tipo termokontaktų yra tik lemonoje arba juos tenka siųstis iš užsienio.
5. Trieigis (ketureigis) vožtuvas5
Šiuolaikinė šildymo sistema neįsivaizduojama be ketureigio arba trieigio vožtuvo. Jų paskirtis analogiška, bet skiriasi, tad apžvelgsiu pagrindinius skirtumus ir kokiais atvejais ką reiktų rinktis.
Ketureigio krano paskirtis - išskirti vandens sistemą į dvi dalis: pirmasis kontūras su aukšta vandens temperatūra katile, antrasis kontūras su pažeminta temperatūra šildymo baterijose arba šildomose grindyse. Dėl optimalaus kuro sudegimo ir katilo tarnavimo laiko prailginimo į katilą įeinančio vandens temperatūra rekomenduojama ne mažesnė už 55...62ºC, o išeinanti ne mažesnė už 65ºC...75ºC. Rekomenduotina ir optimali išėjimo temperatūra - 80ºC...95ºC. Dujų generacinių katilų išėjimo temperatūra ne žemesne 80ºC, o grįžtamoji rekomenduojama ne mažiau 65 ºC. Prie žemesnių temperatūrų katile gali susidaryti „rasos taškas“, ko pasekoje stipriai sutrumpėja katilo tarnavimo laikas, iš malkų išsiskyrę dujos iki galo nesudega, tad turime didesnį dūmingumą ir mažesnį naudingumo koeficientą. Tuo tarpu į šildymo baterijas tokia temperatūra yra per aukšta. Ketureigio krano paskirtis ir yra išskirti šias temperatūras.


Reguliuojant šio vožtuvo padėtį galima visiškai atskirti pirmąjį ir antrąjį kontūrus, galima pilnai atidaryti taip, kad visas vandens srautas eitų tik per šildymo baterijas, arba pastatyti į tarpinę padėtį, kai abiejų kontūrų vanduo sumaišomas. Sukiojant šio vožtuvo rankeną tolygiai galima reguliuoti kiek karšto pirmojo kontūro vandens įmaišoma į šaltesnį antrojo kontūro vandenį, taip reguliuojant santykį tarp abiejų kontūrų temperatūrų. Reguliuojant ketureigį valdoma ne tik kolektoriaus temperatūra, bet ir keičiama katilo grįžtamoji.
Trieigis vožtuvas veikia truputi kitaip ir naudojamas tik tada, kai katilo įėjimo temperatūrą reguliuoja specialus termostatas arba ladomatas.

arba

Termomechaninis termostatas reguliuoja katilo grįžtamąją temperatūrą nepriklausomai nuo kolektoriaus ir grįžtančio iš sistemos vandens. Jei temperatūra žemesnė už duotąją (ant termostato rašoma palaikoma temperatūra, paprastai 61...76 laipsnių ribose), vožtuvas atsidaro taip, kad visas vandens srautas į katilą eina tik iš katilo išėjimo, jei didesnė - vanduo imamas tik iš grįžtančio iš kolektoriaus. Arti palaikomos temperatūros - maišomas vanduo iš katilo išėjimo ir ateinantis iš sistemos, maišymo santykis priklauso nuo temperatūros.
Sistemos trieigis turi tokias padėtis:

Kaip matome, jis visiškai neįtakoja grįžtančio į katilą vandens temperatūros. Trieigio paskirtis - tik reguliuot išeinančio į kolektorių vandens temperatūrą.
Kaip žinoti ką pasirinkt? Supaprastintas pasirinkimo būdas: jei statome akumuliacinę talpą, ant katilo grįžtamojo privalu statyti specialų trieigį termostatą arba ladomatą. Daugelis katilų gamintojų tokį termostatą ant grįžtamojo rekomenduoja netgi nesant akumuliacinių talpų. Tad jei naudojamas termostatas - kolektoriaus temperatūros reguliavimui naudojame trieigį. Jei nėra termostato - statome ketureigį.
Ketureigio pavaros jungimas
Kadangi katile temperatūra priklauso nuo degimo proceso, tai kūrenimosi metu ketureigį (trieigį) vožtuvą reikia pastoviai reguliuot. Reguliavimo procesui automatizuoti naudojamos elektrinės pavaros.
Kad reikia dėti ketureigį (trieigį) pamaišymo vožtuvą, žino jau daugelis. Bet kam jam automatinė pavara – negalėtų paaiškinti net dauguma juos montuojančių santechnikų. Dažniausias paaiškinimas – taip daro ar rekomenduoja daryti katilų gamintojai ar parduodančios firmos. Dar vienas paaiškinimas – katilas ilgiau tarnauja. Pastarasis teiginys tik dalinai teisingas, o pigios automatikos atveju – dar ir atvirkščias. Standartinė keturšakio automatinė pavara, kainuojanti apie 1200...1300 lt, naudoja vieną daviklį (kartais antrą - lauko temperatūrai). Daugumoje atvejų daviklį montuoja ant keturšakio išėjimo į kolektoriaus (arba radiatorių) pusę, kartais – ant katilo grįžtamojo vamzdžio.
Kaip dirba tokia pavara? Ant pavaros paprastai būna dvi rankenėlės: užduota temperatūra ir sukimo greitis. Jei daviklio temperatūra žemesnė už užduotą – pavara suka keturšakį vožtuvą, atidarinėdama vandens praėjimą iš katilo į radiatorius (ar kolektorių).
Paanalizuokim situacija nuo katilo užkūrimo momento. Kol katilas šaltas, daviklio temperatūra per maža, visą laiką pavara stengiasi atidarinėt vožtuvą. Kadangi būna suveikęs galinis išjungėjas pavaroje, jos varikliukas nesisuka, bet vožtuvas laikomas kraštinėje atidarytoje padėtyje. Užkūrus katilą visas vandens srautas keliauja ne „mažuoju“ kontūru per katilą, o „didžiuoju“ per radiatorius (nes pavara atidaryta) . Katilas negali greitai užkaisti iki darbinės temperatūros, kadangi jam reikia šildyti visą sistemą. Iki pasiekiama pavaros uždarymo temperatūra praeina kelios valandos.
Darbas prie žemų temperatūrų didina degimo dūmingumą, kuro sąnaudas, trumpina katilo tarnavimo laiką. Netgi teko matyti, kaip užkūrę katilą žmonės užsukinėja ventilį į radiatorius, kad tik greičiau katilas užkaistų. Kitas neigiamas tokios pavaros momentas – jei dėl kokių nors priežasčių prastai dega liepsna ir katile krenta temperatūra – pavara vėl atidaro keturšakį ir dar labiau muša tą temperatūrą. Pavaros su dviem davikliais algoritmas ir problemos analogiškos. Papildomas daviklis montuojamas lauke ir, atsižvelgiant į lauko temperatūra, koreguoja palaikoma radiatoriuose.
Žinoma, automatinė pavara (nepriklausomai nuo jos konstrukcijos) turi ir pliusų. Tarkim, kad pas jus namuose stovi radiatoriai. Prie radiatoriaus pridėtas paprastas mechaninis termoventilis, kuris, pasiekus patalpai reikiama temperatūrą, sumažina arba visai uždaro vandens srautą į radiatorių. Jei pas jus nėra automatinės keturšakio pavaros – siurblio pumpuojamas vandens srautas tolygiai padidėja per kitus radiatorius. Katile jokios kuro ekonomijos negausim. Esant automatinei pavarai, duotuoju atveju, sumažėjus vandens srautui, keturšakio išėjime pakils temperatūra ir pavara šiek tiek užsidarys. Tuo pačiu pakils temperatūra „mažajame“ katilo rate, ko pasėkoje katilas ilgiau „miegos“ (katilai turi autonomini reguliavimą, kai pasiekia darbinę temperatūrą užsidaro oro sklendės, išsijungia ventiliatoriai ir katilas „užmiega“. Nukritus temperatūrai iki užduotos ribos katilas vėl pasileidžia ir pradeda aktyviai degti). Kuo ilgiau „miega“ katilas – tuo ilgiau jis kūrenasi.
Įprastai ketureigis vožtuvas sukinėjasi 90º kampu, visas pasisukimas dalomas į 10 padalų. Nulinė padala – kai kontūrai visiškai atskirti, 10 padala – kai kontūrai visiškai apjungti. Iš patirties galima pasakyti, kad darbinė padėtis, palaikant katile 80...90ºC temperatūrą, o šildymo baterijose 40...45ºC, yra tarp 1 ir 3 padalų. Stebint katilinių darbą pastebėta, kad pavaros valdymas pagal kolektoriaus išėjimo temperatūrą prailgina katilo degimo laiką maždaug 25%.
Čia aprašomo valdiklio pavaros darbo algoritmą apsprendė paprastų automatikų trūkumų analizė. Pavaros valdyme dalyvauja daug daviklių. Valdiklis gali valdyti tris nepriklausomas keturšakio (trišakio) pamaišymo vožtuvo pavaras (neskaičiuojant pavaros, naudojamos ladomato algoritme). Naudojamos bet kokios 220V pavaros, jungiamos trimis laidais (bendras, uždarymas ir atidarymas).
Pavaros jungimas:

Pavaros jungiamos prie bet kurių iš eilės einančių valdiklio išėjimų. Visi nustatymai kiekvienai pavarai nepriklausomi. Pavaros uždarymo ir atidarymo greičiai programuojasi per meniu. Pagrindinis temperatūros daviklis pavaros algoritme yra kolektoriaus (ketureigio ar trieigio išėjime į kolektorių). Pavara, sukiodama vožtuvą, stengiasi palaikyti užduotą temperatūrą. Jei jį žemesnė, pavara atidarinėja vožtuvą, didindama srautą iš katilo. Ir atvirkščiai. Skirtingomis dienomis ar skirtingu laiku galima susiprogramuoti skirtingą užduota temperatūra (kiekvienai pavarai nepriklausomai, temperatūros užduodamos universaliose funkcijose "programos", pasirenkant programos tipą PIDx). Taipogi temperatūra gali automatiškai koreguotis nuo lauko temperatūros kitimo bei nuo pasirinktos vidinės patalpos temperatūros. Namo aušimas tiesiogiai priklauso nuo lauko temperatūros, tad, lauko orui šaltėjant, valdiklis padidina kolektoriaus temperatūrą ir taip subalansuojami patalpų aušimo ir šilimo greičiai. Jei katilas ilgiau nesikūreno ir patalpos labiau pravėso, vidinės temperatūros korekcija padeda greičiau įšilti patalpai, po to kolektoriaus temperatūra automatiškai sumažinama.
Kol katilas nesikūrena, pavara aplamai nevaldoma (nėra prasmės padavinėt įtampą, kai sistema statinėje būsenoje). Pavaros valdymui per menių užduodamos minimali katilo temperatūra, iki kurios pavara uždarinėjama ir katile vandens cirkuliacija vyksta tik mažuoju ratu (jei katilo darbinė temperatūra 80...90 laipsnių, tai minimali racionalu kad būtų bent jau 70), bei avarinė katilo temperatūra. Esant šaltam ir pradėjus kaist katilui pavara blokuota, jai valdymas nepaduodamas. Kai katilo temperatūra viršija blokavimo temperatūrą, pavara pradeda veikti užsidarymo režimu. Katilui pasiekus minimalią PID temperatūrą, pereinama prie automatinio reguliavimo režimo ir reguliavimas vyksta pagal keturšakio išėjimo temperatūros daviklį. Jei katilo temperatūra pasiekia užduotą avarinę ribą (tarkim 100 laipsnių), pavara pradedama atsidarinėti, kad nuvest karštą vandenį nuo katilo.

Pavaros konfigūravimas:
- „Pavaros išėjimo numeris" - nurodome, prie kurių valdiklio išėjimų poros pajungta pavara;
- „Pavaros išėjimo daviklio numeris" - kuris daviklis trieigio/ketureigio išėjime (kolektoriaus daviklis, kurio temperatūrą stengiamasi palaikyti);
- „Mažiausia palaikoma temperatūra", „Didžiausia palaikoma temperatūra" - palaikomą temperatūrą užduoda vartotojas, ja gali keisti vidaus ir lauko korekcijos pagal užduotą izoterminę kreivę.Šiais punktais užduodamos ribos, už kuriu palaikoma temperatūra negali išeiti (limitas);
- „Užduota temperatūra" – užduota kolektoriaus temperatūra, kuria pavara stengiasi palaikyti;***
- „Palaikymo riba" – ribos, kuriose pavara nereguliuojama. Pav. jei užduota palaikymo temperatūra 40 laipsnių, o palaikymo riba +/- 1 laipsnis, tai normalia stabilizacijos temperatūra laikoma 39...41 laipsnis. Kai temperatūra krenta žemiau užduotos minus palaikymo riba (pavyzdyje 40 - 1 = 39 laipsniai), trieigis/ketureigis pradedamas atidarinėti. Jei daugiau užduotos plius palaikymo (pavyzdyje 40 + 1 = 41 laipsnis), trieigis/ketureigis pradedamas uždarinėti. Kai pasiekiama į ribas įeinanti temperatūra – pavara stabdoma;
- „PID atidarymo laikas“, „PID uždarymo laikas". – užduodame pavaros reguliavimo greitį. Inercija skirtingose šildymo sistemose skirtinga, skirtingos ir pačios pavaros bei trieigiai/ketureigiai ventiliai, vienur reikia pavarą sukt greičiau, kitur – lėčiau. Pavara sukama 1 sekunde, tada daroma šiame punkte užduota pauzė ir ciklas kartojasi. Su ESBE 240 sekundžių pavara ir ESBE ketureigiu optimalus pauzės laikas – 20 ... 25 sekundžių. Pastaba: jei pavara „persistengia“ ir per daug nusuka į priešingą pusę iki temperatūra keturšakio išėjime pasiekia užduotą, reikia mažinti greitį (didinti laiką šiuose punktuose);
- „Dinaminis greitis" - jei įjungtas, aukščiau esančiuose punktuose užduotas laikas, priklausomai nuo sąlygų, dinamiškai mažinamas (kai reikia, valdiklis didina greitį);
- „Išorės korekcija +xxxC per 10C" – jei naudojama lauko daviklio korekcija užduotai palaikymo temperatūrai, xxx nurodo kiek palaikymo temperatūra keisis lauko temperatūrai pakitus dešimčia laipsnių. Nekoreguojanti lauko temperatūra yra +10 laipsnių (galima pasikeisti žemiau esančiame meniu punkte). Jei lauke tiek ir bus, palaikymo temperatūra nesikeis. Jei lauke bus šilčiau, palaikymo temperatūra mažės, jei lauke bus šalčiau – kils. Pav.: Užduota palaikymo temperatūra yra 40 laipsnių, korekcija – 2 laipsniai, lauke 20 laipsnių. Tada 20-10(nulinis atskaitos taškas) = 10 laipsnių. Per 10 laipsnių nurodyta kad koreguoti 2 laipsniais, tad palaikymo temperatūra bus 40-2= 38 laipsniai. Jei duotomis sąlygomis lauke bus -20 laipsnių, tai skirtumas nuo nulinio atskaitos taško bus 30 laipsnių, kas palaikymo temperatūra koreguoja 6 laipsniais, taigi palaikymo temperatūra jau bus 46 laipsniai. Jei sumažiname korekciją iki nulio - lauko korekcija išsijungia;
- „Autoadaptacija" – naudojant vidaus daviklį, priklausomai nuo to, kiek per parą laiko patalpoje trūko arba buvo perdaug temperatūros, automatiškai koreguoja užduotą palaikymo temperatūrą. Automatinio apsimokymo procesas vyksta keletą dienų. Jei patalpų šildymas nepastovus arba vidaus temperatūra kaitaliojama dienos bėgyje per kalendorių, ši opcija nerekomenduojama
- „Lauko >0< temperatūra" - nulinis lauko korekcijos atskaitos taškas. Nuo šios temperatūros matuojama lauko korekcija;
- „Vidaus korekcija +xxxC per 1C" – xxx nurodo kiek palaikymo temperatūra keisis vidaus temperatūrai pakitus vienu laipsnių. Nekoreguojanti vidaus temperatūra yra +22 laipsnių (ją galime pasikeisti žemiau esančiame meniu punkte). Jei patalpoje tiek ir bus, palaikymo temperatūra nesikeis. Veikia analogiškai kaip ir lauko korekcija. Sumažinus vertę iki nulio, vidaus korekcija išjungiama;
- „Vidaus daviklis" - jei įjungta vidaus korekcija, čia nurodome pagal kurį vidaus davikli daroma korekcija;
- „Vidaus >0< temperatūra" - "nulinė" (nekoreguojanti) vidaus korekcijos temperatūra. Taipogi naudojama kaip atskaitos taškas autoadaptacijos funkcijai;****
- „Blokuočių daviklio numeris" - pagal kurį daviklį veikia toliau esančios pavaros išjungimo ir atidarymo temperatūros. Paprastai nurodomas katilo išėjimo numeris, bet jei naudojama akumuliacinė talpa, nurodome trieigio/ketureigio įėjimo daviklio numerį;*
- „Pavaros išjungimo temperatūa" – kai katilo išėjime mažiau negu užduota šiame punkte – keturšakio pavara blokuojama (kad ataušus katilui bereikalingai nesukinėtu);*
- „Keturšakio atidarymo temperatūra" – jei pavara neblokuota (dėl per mažos katilo temperatūros), bet jo temperatūra mažesne už nurodytą šiame punkte – trieigis/ketureigis uždaromas. Taip leidžiama katilui greičiau pasiekti darbinę temperatūrą. Katilo temperatūrai viršijus čia nurodytą ribą – pereinama į pavaros reguliavimo režimą;*
- „Avarinė atidarymo temperatūra" – jei katilo temperatūra viršija užduotą avarinę temperatūrą – pavara priverstinai atidaroma, taip nuvedant šilumą nuo katilo į radiatorius;**
- „Korekcija virš 95" – jei įjungtas šis parametras, katilo temperatūrai pakilus virš 95 laipsnių tiek kiek temperatūra viršija 95 pakeliama ir palaikoma temperatūra (pav. jei užduota palaikymas 40 laipsniu, o katilo išėjime 102 laipsniai, tai palaikymo temperatūra padidinama iki 47 laipsniu (40 + (102-95)). Naudinga nuvedant perteklinę šilumą nuo katilo į radiatorius;
- „Ventiliatoriaus startas pavarą uždaro/neuždaro" – jei naudojama ventiliatoriaus valdymo funkcija, galima pasirinkti, kad, paspaudus ant valdiklio mygtuką ir paleidus ventiliatorių katilo užkūrimo režimu, ar uždaryti pavara, tuo pačiu leidžiant katilui greičiau užkaisti. Jei nenaudojama akumuliacinė talpa, rekomenduojama opcija įjungti.
- „1 (2...8) globaliame režime +/-" - jei naudojame globalius išėjimus, nurodome, kuriuose režimuose pavara dirba. Nenaudojant globalių - ant visu statome pliusus;
- „Pavara stovi ant katilo įėjimo/išėjimo" - pavaros montavimo vieta, ar ant katilo (akumuliacinės talpos) išeinamojo, ar ant paduodamojo vamzdžio;
- „Logika ARBA" - įjungus logiką ARBA ir nurodžius sekama išėjimą, jei pavara blokuota pagal blokuotės daviklį, bet sekamas išėjimas suveikęs - blokuotė anuliuojama (pav. esant šaltam katilui ir šaltai akumuliacinei talpai galima paleisti pavarą, paprastai naudojama kai yra antras šilumos šaltinis (saulės kolektorius ar geoterminis));
- „Logika IR" - įjungus logiką IR bei nurodžius sekama išėjimą, jei sekamas išėjimas išjungtas, pavara taip pat blokuojama (pav. išsijungė kolektoriaus cirkuliacinis siurblys (nes visi kontūrai uždaryti), siurblio išėjimas sustabdo pavarą);
- „Negaliojant režimui pavara stovi/uždaro/atidaro" - kaip elgtis pavarai, jei įjungtas režimas, kuriame užstatytas minusas (negalioja) arba pavara blokuota pagal logiką;
- „Antiatvėsimas" - jei įjungta ši opcija, o nurodyto vidaus daviklio temperatūra nukrenta žemiau už nurodytą vidaus korekcijos nulinę temperatūrą, palaikymo temperatūra pakeliama tiek laipsnių, kiek nurodyta žemiau esančiame punkte. Originali užduota palaikymo vertė sugražinama, kai vidaus daviklis sušyla dviem laipsniais daugiau už nulinę palaikymo temperatūra. Jei naudojame šia opciją, rekomenduojama išjungti vidaus korekciją;
- „Antiatvėsimo temperatūra" - kiek pakelti palaikymo temperatūra. Reguliuojasi nuo 3 iki 27 laipsnių trijų laipsnių žingsniu.
6. Cirkuliaciniai siurbliai6
Cirkuliacinius siurblius gali valdyti kolektoriaus valdymo funkcija, programos arba trys specializuotos funkcijos. Visų siurblių valdymas analogiškas, bet darbiniai parametrai užduodami individualiai. Cirkuliacinius siurblius galima jungti prie bet kurių laisvų valdiklio išėjimų.

Jei naudojamas paprastas siurblys, katilui kaistant cirkuliaciniai siurbliai įjungiami ne iškarto pilnu pajėgumu, o pradedami sukti sumažintu debitu, kad šiek tiek prastumti šaltą vandenį sistemoje. Kuo didesnė katilo temperatūra, tuo greičiau sukamas siurblys. Pasiekus užduotą temperatūrą, siurblys pradeda suktis pastoviai. Toks darbo algoritmas leidžia sumažint temperatūrinį smūgį, kai pasileidus siurbliui iš sistemos grįžęs didelis šalto vandens kiekis numuša katilo temperatūrą, leidžia katilui greičiau įšilti iki darbinės temperatūros, taip padidindamas degimo ekonomiškumą ir prailgindamas katilo ilgaamžiškumą (esant žemai grįžtamajai temperatūrai ant katilo sienelių susidaro koroziją sukeliantys kondensato lašai). Taipogi galima matuoti skirtumą tarp paduodamo ir grįžtančio vandens temperatūrų ir, jei skirtumas sumažėjęs, sumažinti siurblio debitą.
Jei naudojamas šiuolaikinis intelektualus siurblys - jis paleidžiamas iškarto pilnu pajėgumu ir debitą reguliuojasi pats.
Siurblių konfigūravimas:
- „Siurblio išėjimas Nr...“ – pasirenkame prie kurio valdiklio išėjimo pajungtas cirkuliacinis siurblys;
- „Siurblys paprastas/intelektualus“ – pasirenkame valdomo siurblio tipą;
- „Siurblys pagal..“ - pagal kurį daviklį veikia siurblio algoritmas. Jei neturime akumuliacinių talpų - nurodome katilo išėjimą, jei turime - paprastai nurodomas trieigio įėjimo daviklis;
- „Apatinė įjungimo temperatūra“ – iki šios katilo temperatūros siurblys išjungtas;
- „Viršutinė įjungimo temperatūra“ – virš šios katilo temperatūros siurblys veikia pastoviai;
- „Sąlyga“ – jei nenaudojama, pasirinktas išėjimas valdomas tik pagal čia užduotus parametrus. Jei siurblio išėjimas randamas programose, ta programa ignoruojama. Pasirinkus „ARBA“, siurblio išėjimas aktyvuosis tiek pagal programas, tiek ir pagal šios funkcijos užduotus parametrus. Jei pasirenkame „IR“, siurblys bus įjungtas tik tada, jei duotasis išėjimas bus įjungtas nors vienoje programoje ir tuo pat metu atitiks čia užduotus parametrus. Pavyzdžiui programoje užstatom periodiškumą su laiku, tai siurblys veiks tik leistu laiku;
- „Diferencialinis stabdymas“ - jei užsidaro dauguma radiatorių, temperatūrų skirtumas tarp paduodamojo ir grįžtamojo kolektorių sumažėja. Jei katilo temperatūra aukštesnė už viršutinę pulsinę temperatūrą, siurblys dirba pastoviai, o jei radiatoriai užsidarę – siurblys dirba tuščiai. Jei įjungtas diferencialinis stabdymas, sumažėjus temperatūrų skirtumui siurblys pereina į pulsinį režimą su fiksuotu periodu (4 sekundes sukasi, 26 sekundes stovi). Diferencialiniam stabdymui naudojami parametrai:
- „Grįžtamojo daviklio numeris“, „Paduodamojo daviklio numeris“ – daviklių numeriai ant grįžtamojo ir paduodamojo kolektorių. Naudojama tik diferencialiniam stabdymuii;
- „Diferencialinio skirtumo temperatūra“ – jei temperatūrų skirtumas mažesnis už duotąjį, siurblys pereina į pulsuojantį režimą. Skirtumui pakilus virš šios ribos, siurblys vėl sukasi pastoviai. Jei nėra bent vieno iš šioje funkcijoje naudojamų daviklių arba katilo temperatūra žemesnė už viršutinę pulsinę temperatūrą arba grįžtamoji temperatūra aukštesnė už paduodamąją, diferencialinis siurblio stabdymas išjungiamas;
- „1 (2...8) globaliame režime +/-“ - jei naudojame globalius išėjimus, nurodome, kuriuose režimuose siurbliui leista dirbti. Nenaudojant globalių - ant visų statome pliusus;
7. Boileris7
Vienas iš nepatogumų šildymo sistemoje - problemos, susijusios su vandens šildytuvo (boilerio) ataušimu nedegant katilui. Kol katilas kūrenasi, karštas pirmojo katilo kontūro vanduo šildo vandens šildytuve esantį vandenį. Kai katilas užgęsta, kontūre katilas – vandens šildytuvas prasideda atvirkštinė cirkuliacija ir karštas vanduo iš šildytuvo jau šildo katilą, tuo pačiu pats greit ataušdamas. O jei šildytuvas kombinuotas (elektra ir vanduo), tai su elektra pradedame šildyti visą sistemą. Dažniausiai naudojamas problemos sprendimas – mechaninis ventilis vamzdyje tarp katilo ir vandens šildytuvo. Bet labai nepatogu, nes užkūrus katilą ir jam užkaitus reikia šį ventilį atsukti, katilui gęstant – vėl užsukti. Kitas galimas sprendimas – dėti atbulinį vožtuvą. Bet, jei šis vožtuvas yra plunksninis, jis nepakankamai užsidaro ir vanduo šildytuve vistiek ataušta, o jei vožtuvas spyruoklinis, reikia statyti papildomą siurblį, nes savaiminis vandens srautas nepajėgia jo atidaryti.
Šiame valdiklyje įdiegta boilerio valdymo funkcija. Tiksliau valdome elektrinį vožtuvą arba cirkuliacinį siurblį tarp katilo ir boilerio.

Jei temperatūra katile didesnė už boilerio T1 – vožtuvas atidaromas ir leidžiama vandeniui iš katilo patekti i boilerį. Jei atvirkščiai (pav. vėstant katilui) – vožtuvas uždaromas, taip sukliudant savaiminei cirkuliacijai, kai katilas pradeda aušinti boilerį. Taipogi yra įvesta boilerio sąlyga - pagal laiką ar datą, ar kokią nors temperatūrą, galima apriboti boilerio šildymą. Pavyzdžiui leist jį šildyt tik dieną. Arba tik antradieniais. Arba tik jei katilo temperatūra daugiau už užduotą. Kadangi paprastai boileriai jungiami į pirmąjį (mažąjį) katilo ratą, kur vandens temperatūra siekia 90 laipsnių, galima per meniu apriboti maksimalią boilerio temperatūrą – ją pasiekus vožtuvas uždaromas, taip apsaugomos rankos nuo nuplikinimo. Jei katilo išėjime temperatūra viršija boilerio daviklio temperatūrą per 0,5 laipsnio (arba kitą verte, užduodama meniu), boilerio valdymo išėjimas įjungiamas. Kai katilo temperatūra nukrenta žemiau už boilerio temperatūrą per 0,5 laipsnio, šis išėjimas išjungiamas. Temperatūrų skirtumą (0.5) galima pasikeisti per meniu. Jei naudojamas kamino daviklis ir akumuliacinės talpos, o boilerį šildome tik besikūrenant katilui, boilerio šildymą galima blokuoti pagal kamino temperatūrą. Naudojant saulės kolektorių, galima blokuoti boilerio šildymą nuo katilo kai aktyvi saulė.
Dar galimi papildomi boilerio valdymo algoritmai:
- Recirkuliacija. Jei naudojamas kombinuotas boileris saulės kolektoriui ir kieto kuro katilui su dviem šildymo spiralėmis, kieto kuro katilas šildo viršutinę spiralę. Boilerio apačioje vanduo lieka šaltas. Norėdami vandenį sušildyti visame tūryje, naudojame papildomą recirkuliacinį siurblį, kuris perpumpuoja karštą geriamąjį vandenį iš viršaus i boilerio apačią. Siurblys įsijungia trmpam tik kai viršuje esančio daviklio temperatūra pasiekia menių užduotą lygį. Recirkuliacijos algoritmui naudojamas tas pats kaip ir pagrindiniame algoritme daviklis T1 ir papildomas apačioje esantis daviklis T2;
- Elektrinio teno valdymas. Kadangi valdiklio išėjimas tiesiogiai neleidžia pajungti elektrinį tena, pastarąjį jungti reikia per papildomą rėlę. Teno valdymas atliekamas per bendros paskirties programas. Bet boilerio funkcija leidžia įsiterpti į teno valdymą: jei katilas karštas (temperatūrų ribas galima užsistatyti meniu), nepriklausomai nuo programos elektrinis tenas blokuojamas, kadangi dirba katilas, taip taupoma elektra. Tačiau, jei nepakanka katilo debeto (esant didesniam vandens suvartojimui) ir boilerio temperatūra nukrenta iki kritinės ribos (pav. 37 laipsnių) - valdiklis papildomai gali įjungti ir elektrinį šildymą.
- Boilerio prioritetas. Skirta naudoti vasarą. Jei užduotas prioritetas, katilui kūrenantis akumuliacinių talpų vožtuvai laikomi uždaryti, kol boileris sušils iki pageidaujamos temperatūros.
Vandens šildytuvo (boilerio) konfigūravimas:
- „Boilerio daviklis 1,2,3“ – pasirenkame atitinkamus boilerio daviklių numerius. Boilerije gali būti iki trijų temperatūros daviklių. Sistema algoritme naudoja karščiausią iš jų. Jei naudojama mažiau kaip trys - nurodome tą patį numeri visiems;
- „Karštasis daviklis 1, 2“ – daviklių, su kuriuo lyginama boilerio temperatūra, numeriai. Paprastai nurodomas katilo išėjimo numeris, bet, jei naudojama akumuliacinė talpa arba keli katilai, nurodomas daviklis, stovintis ten, iš kur pasiduoda vanduo į boilerį. Galima nurodyti du karštuosius daviklius, algoritme naudojamas tas, kuris esamu momentu karštesnis. Jei naudojamas vienas - abu nurodome tą patį daviklį;
- „Boilerio išėjimo Nr.“ – pasirenkame prie kurio valdiklio išėjimo pajungtas boilerio siurblys ar termovožtuvas;
- „Boilerio sąlyga“ – papildoma sąlyga atidaryti boilerio vožtuvui. Jei užduota „nenaudojama“, boilerio vožtuvas valdomas kaip aprašyta aukščiau. Nurodžius „ARBA“ ar „IR“ boilerio išėjimą gali aktyvuoti ir bendrosios kontrolerio programos. Jei pasirinktas sąlygos režimas „ARBA“, tai boilerio vožtuvas atidaromas ir kai karštojo daviklio temperatūra aukštesnė už boilerio, ir kai nors viena programa aktyvuoja boilerio išėjimą (užtenka bet kurios sąlygos). Jei pasirinktas „IR“ režimas, boilerio vožtuvas atidaromas tik kai karštojo daviklio temperatūra aukštesnė už boilerio ir kai nors viena programa aktyvuoja boilerio išėjimą (būtinos abi sąlygos). Pavyzdžiui, trečioje programoje nurodytas laikas nuo 18 iki 23 ir pasirinktas boilerio išėjimas, tai boileris bus šildomas tik nurodytu laiku. Arba kažkurioje programoje nurodome, kad išėjimas aktyvuosis tik esant katilo temperatūrai daugiau kaip 65 laipsniai, tai vanduo bus šildomas tik tenkinant šią sąlygą;
- „įjungiamas kai Tk>Tb per...“ - užduodame, kiek karštasis daviklis turi būti karštesnis už boilerį, kad būtu paleidžiamas vandens srautas;
- „Išjungiamas kai Tk
“ - užduodame, kiek karštasis daviklis turi būti šaltesnis už boilerį, kad būtu stabdomas vandens srautas; - „Maksimali boilerio temperatūra“ - boileriui pasiekus šią temperatūrą vožtuvas uždaromas. Skirta sistemoms, kuriose katilo darbinė temperatūra yra virš 80 laipsnių (jei nėra karšto vandens temperatūra pažeminančio termostato, taip apribojama maksimali į čiaupus tiekiamo vandens temperatūra).
- „Minimali katilo temperatūra“ - iki šios katilo temperatūros boilerio išėjimas bus išjungtas. Leidžia greičiau užkaisti katilui;
- „Blokuotės daviklis...“ „Minimali blokuotės temperatūra“ - susijusios opcijos. Kol nurodytas blokuotės daviklis šaltesnis už nurodyta temperatūra - boileris nešildomas. Jei boilerį šildome nuo katilo, nurodome katilo išėjimo davikli, jei norime šildyti nuo akumuliacinės talpos - nurodome daviklį, stovinti ant pavaros įėjimo. Kol katilas neikaitęs, blokuotė pagreitina jo užkaitimą;
- „Elektrinis tenas“, „El. min. boil. temper.“, „El. kat. blok. temper.“ - Valdiklis per papildomą rėlė gali valdyti ir elektrini boilerio teną. Nurodome, kuriame išėjime pajungtas tenas, minimalią boilerio temperatūrą, esant žemiau kurios elektrinis šildymas bus įjungiamas priverstinai (jei kūrenasi katilas, bet pritrūksta jo srauto ir vandens temperatūra boileryje nukrenta iki kritinės ribos (tarkim 38 laipsnių), įjungiamas elektrinis tenas pagreitina vandens pašildymą). Blokuotės temperatūra - jei katile daugiau už ją, papildomas elektrinis šildymas nebejungiamas.
- „Šildant elektra boileris uždaromas/neuždaromas“ - kai įjungtas elektrinis tenas ar blokuoti šildymą iš katilo;
- „Recirkuiacija naudojama/nenaudojama“ - aktyvuoja recirkuliaciją;
- „Recirkuliacijos temperatūra“ - prie kurios boilerio viršutinio daviklio (T1 pagal aukščiau pateiktą schemą) temperatūros įjungiamas recirkuliacinis siurblys;
- „Recirkuliacijos išėjimo numeris“ - išėjimo, prie kurio pajungtas recirkuliacinis siurblys, numeris;
- „Boilerio apatinio daviklio numeris“ - recirkuliacijos funkcijai reikalingas boilerio apačios daviklis (T2 pagal aukščiau pateiktą schemą);
- „Recirkuliacinio išėjimo sąlyga“ - analogiška boilerio sąlygai, tik čia dėl recirkuliacinio siurblio išėjimo;
- „Tūris“ - boilerio tūris litrais, naudojama tik atvaizdavimui;
- „Kamino blokuotė naudojama/nenaudojama“ - kadangi kamino temperatūra tiksliausiai atspindi katilo gesimo momentą, galima pagal kamino temperatūra išjungti boilerio šildymą (esant akumuliacinėms talpoms, galima situacija kai katilo išėjime lieka aukšta temperatūra, bet prasideda atbulinis srautas iš boilerio į katilą ir akumuliacinę talpą, taip iš boilerio "vagiamas" karštas vanduo) ;
- „Kamino blokuotės temperatūra“ - žemiau šios kamino temperatūros boilerio išėjimas išjungiamas. Dažniausiai buna tarp 80,,,100 laipsnių;
- „1 (2...8) globaliame režime +/-“ - jei naudojame globalius išėjimus, nurodome, kuriuose režimuose boilerio išėjimui leista dirbti. Nenaudojant globalių - ant visų statome pliusus;
- „Boilerio prioritetas“ - opcija, skirta naudoti vasarą. Jei užduotas prioritetas, katilui kūrenantis akumuliacinių talpų vožtuvai laikomi uždaryti, kol boileris sušils iki sekančiame punkte užduotos temperatūros;
- „Prioriteto išjungimo temperatūra“ - prie kurios boilerio temperatūros išsijungia prioritetas.
8. Katilo ventiliatorius8
Tokių katilų, kaip ATMOS ir jiems analogiškų, turėtojams skirta dar viena patogi funkcija – katilo ventiliatoriaus valdymas. Šiek tiek smulkiau apie ATMOS katilą. Katilas turi pora rankenėlių: apatinę ir viršutinę ribas. Apatinės ribos reguliatorius matuoja temperatūrą kamine ir, jei pastaroji žemesnė už nurodytą ant rankenėles, išjungia ventiliatorių. Kita rankenėlė – viršutinė riba, matuojama vandens temperatūra katilo išėjime. Kai pastaroji viršija nurodytą ant rankenėlės, ventiliatorius išsijungia. Katilo užkūrimo metu reikia persukti apatinės ribos rankeną iki padėties, kol pasileidžia ventiliatorius. Tada kuriame katilą. Katilui užkaitus jis dirba pagal viršutinės ribos termostatą. Nepatogumas tas, kad, jei paliksim apatinės ribos nustatymą užkūrimo padėtyje, katilui užgesus, ventiliatorius dirbs pastoviai. Įkaitus katilui reikia apatinės ribos rankenėlę perstatyti į maždaug 60 laipsnių padėtį.
Dabar apie katilo ventiliatoriaus funkciją valdiklyje. Prie valdiklio jungiame esamą gamyklinį 220V katilo įvadą.

Apatinės temperatūros rankenėlę statome į užkūrimo padėtį (sukame į kaire iki galo), o viršutinės temperatūros rankenėlę statome ties 90 laipsnių riba. Eksploatuojant katilą rankenėlių daugiau niekada nebeliečiame.
Išskirtinis DIN3 serijos valdiklių bruožas - jie moka švelniai reguliuoti ventiliatoriaus sūkius. Optimaliam ventiliatoriaus funkcijos darbui būtinas kamino daviklis. Pagal kamino temperatūra patogiausia valdyt užsikūrimo, užgesimo momentus, taipogi pagal kamino temperatūra galima sumažint ventiliatoriaus sūkius, taip neleidžiant perkaisti kaminui.
Ventiliatorius valdomas kursoriaus mygtukais kairėn/dešinėn, F3/F4 (din3pro panelėje) arba start/stop (grafiniame displėjuje).
Valdiklis turi tris ventiliatoriaus valdymo režimus: užkūrimo, darbinis režimas, kurstymas. Kai katilas ataušęs, klaviatūroje palaikome nuspaustą klavišą dešinėn (start, F4), taip įjungiame užkūrimo režimą. Jei palaikyt nuspausta kairėn (stop, F3), užkūrimo režimas išjungiamas. Kai katilas pasiekia menių užduotą „išsijungimo temperatūrą“, pereinama į darbinį režimą. Darbiniame režime, kai katilo išėjimo temperatūra žemesnė už apatinę ventiliatoriaus temperatūrą, ventiliatorius dirba pastoviai. Pakilus temperatūrai virš šios ribos, ventiliatorius pradeda mažinti sūkius. Kai katilo temperatūra viršija viršutinę ventiliatoriaus temperatūrą, ventiliatorius išjungiamas. Norėdami užkaitusi katilą pakurstyti, vėl spaudžiame dešinėn (start, F4). Taip priverstinai įjungiame (jei katilas su ištraukiančiu ventiliatoriumi) arba išjungiame (jei katilas su paduodančiu orą ventiliatoriumi) katilo ventiliatorių. Kurstymo režimas išsijungs automatiškai po meniu užduoto sekundžių laiko arba galima jį išjungti klavišu kairėn (stop, F3). Katilui užgesus, kai kamino temperatūra nukrenta žemiau užduotos išsijungimo temperatūros, ventiliatorius išjungiamas automatiškai.
Taipogi galima pajungti papildoma paleidimo mygtuką be fiksacijos, pastatyta patogioje vietoje šalia katilo arba pačio katilo panelėje. Mygtukas jungiamas tarp GND ir D2 kontaktų, rekomenduojama papildomai pajungti iš D2 į +5V 1 kiloomo varžą. Jei katilas šaltas - paspaudus mygtuką sistema paleidžiama, jei katilas karštas - paspaudimas įjungia pakurstymo režimą.

Katilo ventiliatoriaus konfigūravimas:
- „Ventiliatorius išėjimo numeris“ – pasirenkame prie kurio valdiklio išvado pajunktas ventiliatorius;
- „Apatinė ventiliatoriaus temperatūra“ – iki šios temperatūros ventiliatorius dirba pastoviai. Rekomenduojama 80...82C;
- „Viršutinė ventiliatoriaus temperatūra“ - virš šios temperatūros ventiliatorius išjungtas. Tarp abiejų temperatūrų ventiliatorius dirba tolygiai mažindamas sūkius. Kuo aukštesne temperatūra duotajame intervale, tuo sūkiai mažesni. Rekomenduojama 3... 7 laipsniais daugiau už apatinę temperatūrą;
- „PT100 daviklis naudojamas/nenaudojamas“ - jei turime kamino daviklį, pagal jį efektyviausia nustatyti katilo užgesimo momentą. Jei daviklio nėra - ventiliatorius stabdomas pagal katilo temperatūrą. Rekomenduojama pagal PT100;*
- „Išjungimo temperatūros riba“- katilui gęstant, žemiau šios temperatūros ventiliatorius išjungiamas (analogiškai atmos užkūrimo rankenėlės darbui), katilui užsikuriant - prie šios ribos iš užkūrimo režimo pereinama į darbinį. Jei naudojamas kamino daviklis (PT100), matuojama kamino temperatūra, jei jo nėra - katilo išėjimo temperatūra;
- „Ventiliatorius dirba pilnas algoritmas/tik pakurstymas“ – įprastai naudojamas pilnas algoritmas. Bet jei užkuriant ventiliatorius reikalingas trumpam, o po to kaminas traukia savaime - galima įjungtitik trumpalaikį ventiliatoriaus darbą;
- „Kurstymo laikas“ – po šio laiko automatiškai išsijungs kurstymo režimas;
- „Ventiliatorius ištraukiantis/paduodantis“ – nurodome, kur stovi katilo ventiliatorius: ištraukia dūmus ar paduoda orą. Nuostata reikalinga kurstymo režimui, nes, atidarant dureles, jei ventiliatorius stovi ant ištraukimo, reikia jį įjungti, jei stovi ant padavimo – reikia jį išjungti.
- „Kamino temperatūra ventiliatorių stabdo/nestabdo“ – užkaitus kaminu, valdiklis gali sumažinti ventiliatoriaus sūkius. Jei ši opcija išjungta - kamino temperatūra neįtakoja sūkių. Naudojant šią opciją sukius mažina tiek katilo temperatūra, tiek kaminas;
- „Apatinė stabdymo temperatūra“ – iki šios temperatūros kaminas neįtakoja ventiliatorius sūkių. Rekomenduojama ~300C;
- „Viršutinė stabdymo temperatūra“ – virš šios temperatūros ventiliatorius išjungtas. Tarp abiejų temperatūrų ventiliatorius tolygiai mažina sūkius. Kuo aukštesne temperatūra duotajame intervale, tuo sūkiai mažesni. Rekomenduojama 30... 50 laipsniais daugiau už apatinę temperatūrą;
9. Ladomatas9
Termoreguliacinis įrenginys Ladomat 21 (arba kitų gamintojų analogiškos paskirties įrenginys) skirtas kieto kuro katilų aptarnavimui, kai šildymo sistemoje naudojama akumuliacinė talpa. Katilų gamintojai dažnai rekomenduoja tokį įrenginį naudoti netgi nesant akumuliacinių talpų, kadangi jis užtikrinaminimalią katilo grįžtamąją temperatūrą. Dažnai netgi skiriasi katilų garantinis laikas, jei sistema sumontuota su ladomatu ar be jo, o kai kurių katilų gamintojai išvis neduoda garantijos, jei įėjime nėra termostato.

Ladomatas - specializuotas akumuliacinės talpos pakrovimo mazgas, viename korpuse sudarytas iš trieigio termostato, cirkuliacinio siurblio bei avarinio gravitacinio vožtuvo.

Ladomato darbą galima suskirstyti į keturias skirtingas fazes, iliustruotas aukščiau paveikslėlyje. Kai katilas užkuriamas ir paleidžiamas ladomato siurblys, visas vandens srautas teka iš katilo išėjimo į katilo įėjimą. Pasiekus temperatūrai kapsulės nominalą, ji pradeda atsidarinėti. Pereinama į antrąją fazę. Prasivėrus kapsulei maišomas karštas katilo išėjimo vanduo su šaltesnių, ateinančiu iš sistemos. Jei iš sistemos ateina pakankamai karštas vanduo, tada kapsulė atsidaro pilnai ir visas srautas eina tik iš sistemos. Ketvirtoji fazė - avarinė, jei, esant karštam katilui, dėl kokių nors priežasčių sustoja siurblys, per apačioje esanti gravitacinį atbulinį vožtuvą vanduo gali tekėti savitaka. Ši savybė taipogi panaudojama akumuliacinės talpos valdymo algoritme.
Valdiklyje ladomato valdymas realizuotas kaip specializuota funkcija. DIN3 (programinė versija virš 0.43) turi du alternatyvius ladomato valdymo algoritmus: naudojant standartinį ladomatą ir unikalų, MB "Taikomoji automatika" sukurta algoritmą, kai pakrovimo mazgas konstruojamas iš automatizuotos trieigės pavaros ir cirkuliacinio siurblio.
Svarbu: Ladomato siurblio algoritmas priklauso nuo sisteminiuose nustatymuose pasirinktų katilo išėjimo daviklių, tai reikalinga prisitaikyti prie katilinių su keliais šilumos šaltiniais:
- Jei nenaudojama akumuliacinė talpa, siurblys veikia pagal nuostata kamino arba katilo daviklis. Jei nurodoma pagal katilo daviklį, naudojama pirmo ir ketvirto katilo daviklių temperatūros (nurodyti sisteminiuose nustatymuose);
- Jei naudojama akumuliacinė talpa, o katilo daviklis 1 nelygu katilo daviklis 2, siurblys veikia pagal nuostata kamino arba katilo daviklis. Jei nurodoma pagal katilo daviklį, naudojama pirmo ir ketvirto katilo daviklių temperatūros (nurodyti sisteminiuose nustatymuose);
- Jei naudojama akumuliacinė talpa, o katilo daviklis 1 lygu katilo daviklis 2, siurblys valdomas pagal akumuliaicnės fazę, t.y. sukasi tik kai akumuliacinė kraunama. Šiuo atveju algoritmas nežiūri į temperatūras, jį valdo akumuliacinės algoritmas pagal akumuliacinės menių esamus nustatymus
Standartinis variantas
Ladomato siurblys jungiamas prie bet kurio laisvo išėjimo.
Stebint sistemų su Ladomat 21 ar analogišku įrenginių darbą, pastebėtas vienas jo didelis trūkumas: jei jo siurblys dirba ne maksimalia galia, per apačioje esantį avarinį gravitacinį vožtuvą praeina dalis šalto vandens iš sistemos, ko pasekoje į katilą papuola šaltesnis, negu priklauso, vanduo ir įrenginys neatlieka savo pagrindinės funkcijos. Su mechaniniais ant jo esančiais termometrais tą pastebėti sunku, bet su elektroniniais davikliais tai matosi puikiai. Galimi du sprendimai: užblokuoti apsauginį gravitacinį vožtuvą (nerekomenduotina, nes, prapuolus elektrai, būtent per jį savitaka pradeda tekėt vanduo į akumuliacines talpas ir aušina katilą) arba padidinti siurblio galią iki maksimalios, susitaikant su padidėjusiomis elektros išlaidomis.
Idealiausia Ladomat`o siurblį valdyti pagal kamino temperatūrą: kai pastaroji viršija užduotą per menių (80...120 laipsnių ribą), jis įjungiamas, o nukritus žemiau - išjungiamas. Jei valdiklyje nėra kamino daviklio, ladomatą paleidžiame katilo išėjimui pasiekus 60...70 laipsnių ribą.
Per keletą metų buvo pastebėtas dar vienas Ladomat`o neatitikimas specifikacijai: pase nurodoma Ladomat`o palaikoma įėjimo temperatūra, priklausomai nuo kapsulės 62, 72, 78, 83 laipsniai. Jei perkame 72 laipsnių Ladomat`ą, jame viduje įmontuota 72 laipsnių kapsulė, o antroji, supakuota kaip atsarginė, įdedama aukštesnės temperatūros, šiuo atveju 78. Bet specifikuojama kapsulės temperatūra yra prie pilnai atidarytos padėties, o atsidarinėti ji pradeda maždaug 10 laipsnių žemiau. Tad realiai, nors ir rašoma 72, palaikoma ~62 laipsnius. Tad nepirkite Ladomat`o su žema temperatūra, geriau iš karto imti su didesne, nes atskirai perkama kapsulė yra brangi. Pastaruoju metu, matomai pigindami įrenginį, gamintojai nustojo komplektuoti papildomą kapsulę.
„Meniu"-„Nustatymai"-„Sisteminiai nustatymai“ įjungiame ladomato naudojimą.
„Meniu"-„Funkcijos"-„Ladomatas":
Standartinio varianto ladomato funkcijos meniu:
- „Ladomatas paprastas/su trieige pavara“ - pasirenkame "paprastas";
- „Ladomato siurblio išėjimo numeris..“ – nurodome, prie kurio valdiklio išėjimo pajungtas cirkuliacinis ladomato siurblys;
- „Ladomatas pagal kamino/katilo daviklį“ - idealiausia ladomatą valdyti pagal kamino temperatūrą. Jei turime kamine daviklį - nurodome kamino, jei kamino daviklio neturime - katilo;
- „Katilo išėjimo temperatūra“ – jei naudojamas algoritmas pagal katilo išėjimo temperatūra, virš šios temperatūros ladomato siurblys sukamas pastoviai.
- „Kamino temperatūra“ – jei naudojamas algoritmas pagal kamino daviklį, ladomato siurblys sukamas kai temperatūra kamine aukštesnė už duotąją;
- „Katilo įėjimo temperatūra“ – jei naudojamas algoritmas pagal katilo išėjimo temperatūra ir turime daviklį katilo įėjime, virš šios įėjimo temperatūros ladomato siurblys sukamas pastoviai;
- „Paleidimo užkūrimo temperatūra“ - jei naudojama katilo užkūrimo funkcija, užkūrimo metu ladomatas paleidžiamas anksčiau nuo šios nurodytos temperatūros (veikia jei pasirinkta pagal katilo išėjimą)
Alternatyvus varijantas

- Katilas šaltas. Jei naudojama ventiliatoriaus valdymo funkcija - paspaudus užkūrimo mygtuką pavara persuka vožtuvą į kraštinę padėtį (jei prieš tai stovėjo ne krašte) į katilo įėjimą paduodama visą išėjimo vandenį. Katilas greičiau kaista;
- Katilo įėjime temperatūra viršijo užduotą - pavara pradeda atidarinėti srautą į sistema, iš sistemos atėjes šaltas vanduo maišomas su karštu iš katilo išėjimo. Jei pritrūksta temperatūros - pavara šiek tiek uždaroma. Tokiu, analogišku kolektoriaus pavaroms, būdu reguliuojama įėjimo temperatūra;
- Katilas gęsta. Sistema pereina į "katilo išsiurbimo" fazę ( žiūrėkite skyrių apie akumuliacinę talpą) - pavara persuka vožtuvą į kraštinę padėtį, pilnai atidarydama srautą iš sistemos į katilą. (standartiniame variante šiuo atveju srautas traukiamas per apsauginį gravitacinį vožtuvą);
- Katilas "išsiurbtas" ir sistema pereina į akumuliacinės talpos iškrovimo fazę. Pavara persuka vožtuvą į kita kraštinę padėtį, kaip ir pirmajame punkte. Sistema pilnai atjungiama nuo katilo, taigi nelieka jokios galimybės atsirasti parazitiniam srautui per katilą (kai kolektoriaus siurblys dali vandens traukia ne per akumuliacinę talpą, o per katilą ir ladomato apsauginį vožtuvą, analogiškai kaip katilo "išsiurbime"). Nebereikia papildomo elektrinio vožtuvo uždaryti parazitinį srautą ( žiūrėkite skyrių apie akumuliacinę talpą).
- „Ladomatas paprastas/su trieige pavara“ - pasirenkame "su trieige pavara";
- „Pavaros išėjimo Nr. ...“ - nurodome prie kurių išėjimų poros pajungta trieigė pavara;
- „Ladomato siurblio išėjimo numeris..“ – nurodome, prie kurio valdiklio išėjimo pajungtas cirkuliacinis ladomato siurblys;
- „Ladomatas pagal kamino/katilo daviklį“ - idealiausia ladomatą valdyti pagal kamino temperatūrą. Jei turime kamine daviklį - nurodome kamino, jei kamino daviklio neturime - katilo;
- „Katilo išėjimo temperatūra“ – jei naudojamas algoritmas pagal katilo išėjimo temperatūra, virš šios temperatūros ladomato siurblys sukamas pastoviai.
- „Kamino temperatūra“ – jei naudojamas algoritmas pagal kamino daviklį, ladomato siurblys sukamas kai temperatūra kamine aukštesnė už duotąją;
- „Katilo įėjimo temperatūra“ – jei naudojamas algoritmas pagal katilo išėjimo temperatūra ir turime daviklį katilo įėjime, virš šios įėjimo temperatūros ladomato siurblys sukamas pastoviai;
- "Paleidimo užkūrimo temperatūra" - jei naudojama katilo užkūrimo funkcija, užkūrimo metu ladomatas paleidžiamas anksčiau nuo šios nurodytos temperatūros (veikia jei pasirinkta pagal katilo išėjimą);
- „Pavaros laikas XX sek.“ - pavaros greitis. Jei naudojama 120 sekundžių pavara - laikas turi būti apie 50,,,60, jei naudojama 240 sekundžių pavara - laikas apie 25,,,30;
- „Palaikoma įėjimo temperatūra“ - kokia temperatūrą norime palaikyti katilo įėjime.
10. Saulės kolektorius10
Jei kolektoriuje temperatūra aukštesnė už temperatūrą saulės boileryje, paleidžiamas siurblys. Boilerio temperatūrai esant didesnei už kolektoriaus, vožtuvas arba siurblys išjungiamas, kad neataušint vandens boileryje. Saulės kolektoriaus siurblį galima jungti prie bet kurio laisvo valdiklio išėjimo. Galima naudoti iki keturių saulės kolektorių su atskirais davikliais, algoritmas naudoja karščiausią iš jų.

Valdiklyje naudojamas siurblio valdymo algoritmas: matuojama temperatūra saulės boileryje (T1, rekomenduojama daviklio vieta - boilerio apačioje) ir saulės kolektoriuje (Tk). Valdymas vykdomas pagal temperatūrų skirtumą tarp šių daviklių deltaT. Naudojamos dvi skirtumo ribos: minimali (dažniausiai apie 2 laipsnius) ir maksimali (Dažniausiai apie 5...7 laipsnius). Jei kolektorius šiltesnis už boilerį mažiau negu minimumas, siurblys stovi, jei daugiau už maksimumą - siurblys sukamas pastoviai. Tarp šių temperatūrų siurblio sūkiai reguliuojami, taip keičiant srautą iš kolektoriaus į boilerį. Saulės kolektoriuje negalima naudoti intelektualaus siurblio, nes tik paprastas siurblys leidžia reguliuoti jo sukius
Papildomi algoritmai (jų galima nenaudoti):
- 2ND algoritmas. Skirtas nuvesti perteklinę šilumą. Boilerio viršuje statomas daviklis T2. Jei T2 temperatūra pasiekia užduotą (pav. 70 laipsnių), įsijungia papildomas valdiklio išėjimas ir karštas vanduo iš boilerio nuvedamas į kitą talpą arba į papildomą aušinantį kontūrą. Kai veikia papildomas algoritmas, deltaT skaičiuojamas tarp Tk ir T2 (jei naudojamas antras boileris arba akumuliacinė talpa su saulės gyvatuku, o 2nd perjungia diversinį vožtuvą ir nukreipia glikolį iš kolektoriaus į kitą talpą, lyginimas atliekamas tarp Tk ir toje talpoje esamo daviklio). Nukritus boilerio viršaus temperatūrai, 2nd algoritmas išsijungia ir krovimas vyksta įprastai.
- Virštemperatūrio apsauga. Jei saulės kolektoriuje temperatūra pasiekia avarinę būseną, kai skystis pradeda garuoti ir nebecirkuliuoja (apie 130 laipsnių), valdiklis gali sustabdyti siurblį, kadangi paduodamas skystis nebecirkuliuoja ir šilumos nebe nuveda, o siurblio atstumtas papildomas skystis tik dar garuoja. Sustabdžius siurblį, garas viršuje padaro kamštį ir sistema įsistovi, taip sumažindama nuostolius. Kolektoriui atvėsus, cirkuliacija atnaujinama.
- Galios apskaita. Turint elektroninį srauto skaitiklį SK bei pastačius papildomus temperatūros daviklius T4 ir T5, matuojančius įeinančio ir išeinančio skysčio temperatūras prie pat boilerio, galima paskaičiuoti realiai gaunamą momentinę galią iš saulės kolektoriaus. Srauto skaitiklis jungiamas į D1 kontaktą.
- Saulės avarinė funkcija. Pasiekus užduotą avarinę temperatūra saulės kolektoriuje (paprastai statoma 100...110 laipsnių) sukomutuoti visus valdiklio išėjimus taip, kad maksimaliai efektyviai nuvesti perteklinę šilumą iš boilerio į namo šildymo sistemą - norimi išėjimai gali būti automatiškai įjungiami arba išjungiami, taip paleidžiant reikiamus siurblius, atidarant ar uždarant norimus vožtuvus. Saules avarinės funkcijos prioritetas didesnis už kitus valdiklio algoritmus ir vykdomas nepriklausomai kas tuose išėjimuose tuo metu buvo pagal įprastai.
Saulės kolektoriuje naudojamas PT1000 tipo daviklis, jungiamas prie PT2 valdiklio įėjimo. Galima naudoti ir PT100, bet nerekomenduojama dėl didesnės galimos paklaidos, susijusios su linijos varža. Valdiklis automatiškai atpažįsta daviklio tipą. Kadangi iki stogo linija ilga, laidų varžai kompensuoti naudojamas trilaidis jungimas, kai du laidai į vieną sujungiami viršuje prie daviklio, o linija naudojamą iš trijų laidų.

Saulės kolektoriaus konfigūravimas
- „Saulės kolektoriaus daviklis 1“ – pasirenkame saulės kolektoriuje esančio daviklio numerį;
- „Saulės kolektoriaus daviklis 2“ – jei naudojame du kolektorius su atskirais davikliais, antrojo daviklio numeris. Jei naudojame tik vieną - nurodome tą patį, kaip ir pirmąjį;
- „Saulės kolektoriaus daviklis 3“ – jei naudojame tris kolektorius su atskirais davikliais, trečiojo daviklio numeris. Jei naudojame mažiau - nurodome tą patį, kaip ir pirmąjį;
- „Saulės kolektoriaus daviklis 4“ – jei naudojame keturi kolektorius su atskirais davikliais, ketvirtojo daviklio numeris. Jei naudojame mažiau - nurodome tą patį, kaip ir pirmąjį;
- „Saulės boilerio daviklio Nr...“ – pasirenkame saulės boileryje apačioje esančio daviklio numerį. Optimaliam algoritmo darbui naudojamas boilerio apačioje esantis daviklis;
- „Siurblio išėjimo Nr.“ – pasirenkame prie kurio kontrolerio išėjimo pajungtas saulės boilerio siurblys;
- „Minimali skirtumo temperatūra“, - apatinė DT riba, iki šios temperatūros siurblys stovi;
- „Maksimali skirtumo temperatūra“, – viršutinė DT riba, virš jos siurblys sukamas pastoviai;
- „Gyvatuko įėjimo daviklio Nr.“ – jei statomas daviklis boilerio gyvatuko įėjime, nurodome jo numerį;
- „Gyvatuko išėjimo daviklio Nr.“ – jei statomas daviklis boilerio gyvatuko išėjime, nurodome jo numerį
- „Diferencialinis stabdymas" - ar naudojamas diferencialinio pristabdymo algoritmas. Opcija nerekomenduotina dėl sudėtingo jos suderinimo;
- „Gyvatuko išėjimo daviklio Nr." - diferencialinio stabdymo lyginimo daviklis;
- „Boilerio apačios daviklio Nr." - diferencialinio stabdymo antrasis lyginimo daviklis;
- „Diferencialinio skirtumo temperatūa" - temperatūros skirtumas tarp diferencialinio stabdymo daviklių, aukščiau kurios siurblys pristabdomas.
- „Diferencialinis greitis" - kiek procentų per minutę lėtinamas/greitinamas siurblys suveikus diferencialiniam pristabdymui;
- „2nd algoritmas" - 2nd algoritmo įjungimas;
- „2nd daviklis" - 2nd algoritmo daviklis. Nurodomas boilerio viršuje esantis daviklis;
- „2nd perjungia į ..." - daviklis, su kuriuo lyginama kai aktyvi 2nd funkcija. Jei šiluma nuvedama iš to paties boilerio, nurodomas boilerio viršuje esantis daviklis. Jei glikolio srautas perjungiamas į kita talpą, nurodomas tos talpos daviklio numeris;
- „2nd aktyvavimo temperatūra" - 2nd algoritmo suveikimo temperatūra;
- „2nd išėjimas" - suveikus 2nd algoritmui, įjungimas čia nurodytas išėjimas;
- „Laiko blokuotė" - ar naudojamas siurblio blokavimas nusileidus saulei (valdiklis paskaičiuoja oficialų saulės tekėjimio ir leidimosi laika konkrečioje vietovėje, vietovės geografinės koordinatės įvedamos sisteminiame meniu);
- „Išsijungs ..." - galima paankstinti arba pavėlinti laiko blokuotės pradžią vakare;
- „Įsijungs" - galima paankstinti arba pavėlinti laiko blokuotės pabaigą ryte;
- „Virštemperatūrio blokuotė" - apsauginės funkcijos "virštemperatūris" įjungimas;
- „Virštemperatūrio įjungimo temperatūra" - prie šios temperatūros bus stabdomas siurblys;
- „Virštemperatūrio išjungimo temperatūra" - prie šios temperatūros siurblys vėl paleidžiamas;
- „Saulė KKK boilerio šildyma blokuoja/neblokuoja" - galima situacija, kai kūrenasi kieto kuro katilas ir tuo pačiu metu veikia saulės kolektorius. Jei norime kad boileri šildytu abu vienu metu - pasirenkame "neblokuoja", jei norime rezervuoti boilerį saulei - pasirenkame "blokuoja";
- „Alternatyvaus maksimumo greitis" - galima apriboti maksimalų siurblio greitį;
- „Galios skaičiavimas" - jei saulės kontūre sumontuotas elektroninis srauto skaitliukas, šis parametras įjungia galios atvaizdavimą grafiniame LCD;
- „Srauto skaičiavimas" - jei saulės kontūre sumontuotas elektroninis srauto skaitliukas, šis parametras įjungia srauto atvaizdavimą grafiniame LCD;
- „Siurblys prie D7 įjungtas/išjungtas" - prie valdiklio išvado D7 galima pajungti dažnio keitiklį (per suderinimo interfeisą), kuris valdys saulės siurblį.
- „Viršutinė ribos temperatūra" - saulės kolektoriaus temperatūra, prie kurios suveikia avarinė funkcija. Jei naudojama daugiau negu vienas kolektoriaus daviklis - žiūrimas karščiausias. Rekomenduojama 105C;
- „Apatinė ribos temperatūra" - saulės kolektoriui atvėsus iki šios temperatūros avarinė funkcija išsijungia. Rekomenduojama 100C;
- „#1 (... #32) išėjimas AUTO/ON/OFF" - atitinkami išėjimai elgiasi sekančiai (AUTO - suveikus avarinei funkcijai šis išėjimas neliečiamas):
| Neinvertuotas išėjimas | Invertuotas išėjimas | |
| AUTO | x | x |
| ON | 220V | 0V |
| OFF | 0V | 220V |
11. Akumuliacinė talpa11
Akumuliacinė talpa skirta katilo šilumos pertekliui sukaupti didelio tūrio vandens talpoje. Katilui atvėsus, į šildymo sistemą karštas vanduo tiekiamas iš akumuliacinės talpos. Paprastai talpos dydis būna nuo 500 iki 2000 litrų. Skaičiuojama, kad 1 litrą sušildyti vienu laipsniu sunaudojama 1,2 vatvalandės energijos. Tiek pat energijos jis atiduoda atgal. Tarkim, turim 1000 litrų talpą. Ją užkaitinam iki 80 laipsnių temperatūros. Į kolektorių tiekiame 35 laipsnių vandenį. Iš talpos šildymui naudojamo vandens ataušimas yra 45 laipsniai (80 - 35). 45*1000*1.2 gauname, kad, jau užgesus katilui, akumuliacinė talpa atidavė 54 kWh energijos. O jei leisim talpą iškraut iki 28 laipsnių, tai sukauptos energijos kiekis dar didesnis. Prie 28 laipsnių šildymas jau nebebus pilnavertis, bet, kadangi radiatorių temperatūra didesnė už oro, patalpa bus šildoma. Suprantama, ta energija iš niekur talpoje neatsirado, ją reikėjo sukaupti deginant kurą katile. Bet yra keli svarbūs pliusai - talpą užkrauname (sušildome) būdami namuose, išvykdami galime dar pakurstyti katilą, o jam sudegus šildymas veiks iš talpos. Jei katilas dega 10 valandų, iš talpos sistema dirba dar 7 valandas, sumoje gausime 17 valandų šildymo laiką. Žinoma, pirma pakura, kai akumuliacinė talpa šalta, sudegs per kokias 3...4 valandas. Kitas teigiamas talpos panaudojimo aspektas, tai kad katilas visą laiką dirba maksimaliu galingumu, kada jo naudingumo koeficientas yra maksimalus (įšilus sistemai ir namams sumažėja pareikalaujamos energijos kiekis iš katilo, katilas prisigesina, bet kuras vis tiek smilksta). Labiausiai sistemų su akumuliacine talpa patogumas pasijaučia lauke esant 0...10 laipsniu temperatūroms, kai šildyti reikia minimaliai, o kieto kuro katilai negali tiek sumažinti savo galios. Dujų generaciniai katilai galią sumažina iki 17%, tuo tarpu paprasti, negeneraciniai, katilai galią pajėgūs susimažinti tik iki 65% nuo nominalios. Tad tenka kaitint patalpas, po to daryt ilgesnę pauzę tarp kūrenimų, ko pasėkoje dideli temperatūrų svyravimai patalpose. Su akumuliacine talpa katilas visą energiją atiduoda į talpą, o po to iš jos energiją perduodame į šildymo sistemą, kolektoriuje palaikydami pažemintą temperatūrą (naudojant valdiklį ir automatinę pavarą, pagal lauko temperatūrą kolektoriaus temperatūra pažeminama automatiškai).
Akumuliacinei talpai valdyti papildomai jungiamas elektrinis termovožtuvas. Valdiklis leidžia jungti iki trijų akumuliacinių talpų per atskirus termovožtuvus.
Beveik "klasikinė" akumuliacinės talpos pajungimo schema, naudojant ladomatą:

Jei akumuliacinės talpos turi 1" arba didesni išėjimą talpos viršuje galima naudoti patobulintą pajungimo variantą, kuris eliminuoja parazitinio srauto atsiradimą per katilą iškrovimo metu:
Naudojant akumuliacinės funkciją, pasikeičia ir trišakio vožtuvo, kolektorių elektrinių vožtuvų bei cirkuliacinių siurblių darbas. Sistema dirba dviem režimais: talpos pakrovimo bei talpos iškrovimo. Algoritmo valdymui būtina, kad prie valdiklio būtu pajungtas kamino temperatūros daviklis (kamino daviklis jungiamas prie pirmojo PT kontaktų).
Galima nenaudoti akumuliacines atjungiančių vožtuvu, bet prarandame keletą puikiu algoritmų, leidžiančiu sutaupyti iki 20.... 30% energijos. Valdiklis leidžia maksimaliai išnaudoti visa katilo šilumą. Jei nejungiame atjungiančių vožtuvų, talpų valdymo išėjimą nurodome kuri nors nenaudojamą (pav. 32)
Akumuliacinės valdymo funkcijos:
- Kaskadavimas. Kai naudojamas didesnis vandens kiekis, racionalu šilumą akumuliuoti ne vienoje, o keliose mažesnėse talpose, kadangi užšildyti viena didelę kelių tonų talpa reikia daug energijos, o jei lauke nešalta ir namas naudoja nedaug šilumos - neracionalu, nes talpa savaime aušta per izoliacinį sluoksnį. Jei naudojamos kelios mažesnės talpos, parankiau jas krauti po vieną - naudoti kaskadavimą. Pirmiausia atidarome tolimiausios talpos vožtuvą ir šildome tik ją. Jei nustosime kūrenti, pastaroji talpa bus pakrauta iki aukštesnės temperatūros. Jei talpos apačioje esančio daviklio temperatūra pasiekia 65 laipsnius ir katilas vis dar kūrenasi, atidaroma sekanti talpa. Tokiu būdu nuosekliai pakraunamos arba visos talpos, arba jų dalis, priklausomai kiek kūrenamas katilas. Iškrovimo metu taipogi galima iškraudinėti arba paeiliui (pradedama atvirkštine tvarka, nuo artimiausios), arba visas kartu.
- Katilo "išsiurbimas". Labai efektyvus energijos taupymo algoritmas. Neteko matyti nei vieno katilinių valdiklio, turinčio analogišką funkciją. Pirmiausia pažiūrėkime į ladomato struktūrą:

- Katilo vožtuvas. Dažna situacija, kad vykstant akumuliacinių iškrovimui sistemos siurbliai traukia vandenį ne tik per talpą, bet ir atsiranda parazitinis srautas per ladomato gravitacinį vožtuvą ir katilą. Tokiu atveju turime energijos nuostolį. Kad išvengti šio nuostolio, katilo išėjime galima uždėti papildomą NO tipo vožtuvą:

| Pirmos talpos vožtuvas | Antros talpos vožtuvas | Trečios talpos vožtuvas | Katilo vožtuvas | |
| Stovi | uždarytas | uždarytas | uždarytas | atidarytas |
| Įkraunama Nr.3 | uždarytas | uždarytas | atidarytas | atidarytas |
| Įkraunama Nr.2 | uždarytas | atidarytas | atidarytas | atidarytas |
| Įkraunama Nr.1 | atidarytas | atidarytas | atidarytas | atidarytas |
| Katilo išsiurbimas | atidarytas | atidarytas | atidarytas | atidarytas |
| Iškraunama Nr.1 | atidarytas | uždarytas | uždarytas | uždarytas |
| Iškraunama Nr.2 | uždarytas | atidarytas | uždarytas | uždarytas |
| Iškraunama Nr.3 | uždarytas | uždarytas | atidarytas | uždarytas |
| Iškraunamos visos | atidarytas | atidarytas | atidarytas | uždarytas |
Jei naudojama mažiau negu trys talpos - nenaudojamų talpų fazė peršokama į sekančią. Įkrovimo metu į sekančios talpa atidaroma kai kraunamos talpos apatinis daviklis pasiekia 65C temperatūrą. Prieš tai krauta talpa paliekama atidaryta ir toliau dasikraudinėja. Iškrovimo metu talpos iškraunamos po vieną, pereinama į sekančia kai viršutinio daviklio temperatūra nukrenta iki pirmos trieigio(ketureigio) pavaros užduotos palaikymo temperatūros plius 3C. Kai iškraunama paskutinė talpa - atidaromos visos. Kai visų talpų viršutiniai davikliai nukrenta iki 28C - pereinama i padėtį "Stovi"
Jei kaskadavimas nenaudojamas:
| Pirmos talpos vožtuvas | Antros talpos vožtuvas | Trečios talpos vožtuvas | Katilo vožtuvas | |
| Stovi | uždarytas | uždarytas | uždarytas | atidarytas |
| Įkraunamos visos | atidarytas | atidarytas | atidarytas | atidarytas |
| Katilo išsiurbimas | uždarytas | uždarytas | uždarytas | atidarytas |
| Iškraunamos visos | atidarytas | atidarytas | atidarytas | uždarytas |
Akumuliacinės konfigūravimas
„Meniu"-„Nustatymai"-„Sisteminiai nustatymai" įjungiame kiek sistemoje naudosime akumuliacinių talpų.
- „Pirmos talpos išėjimo numeris“ - prie kokio valdiklio išėjimo pajungtas pirmos akumuliacinės talpos termovožtuvas. Jei talpų nevaldome, nurodome nenaudojamą išėjimą (pav. 32)
- „1 talpoje naudojami ... davikliai“ – kiek termodaviklių įmontuota į pirmąją talpą. Jei talpa viena - galima naudot nuo vieno daviklio viršuje iki keturių. Jei talpos kelios - algoritmui minimum reikia dviejų daviklių (davikliai talpos viršuje ir apačioje). Kuo daugiau daviklių - tuo tiksliau matome talpos įkrovą;
- „1 talpos daviklio numeris...“ – nurodome pirmosios talpos viršutinio daviklio numerį. Jei naudojami daugiau kaip vienas – likę privalo būti sekantys iš eilės (pav: priskiriame dešimtą daviklį, o naudojame tris, tada viršutinis bus 10, vidurinis - 11, apatinis - 12);
- „1 akumuliacinės tūris“ - nurodoma, kokia akumuliacinės talpa. Naudojama dėl rodomos įkrautos energijos paskaičiavimo;
- „Antros talpos išėjimo numeris“ - prie kokio valdiklio išėjimo pajungtas antros akumuliacinės talpos termovožtuvas. Jei talpų nevaldome, nurodome nenaudojamą išėjimą (pav. 31)
- „2 talpoje naudojami ... davikliai“ – kiek termodaviklių įmontuota į antrąją talpą;
- „2 talpos daviklio numeris...“ – nurodome antrosios talpos viršutinio daviklio numerį. Jei naudojami daugiau kaip vienas – likę privalo būti sekantys iš eilės;
- „2 akumuliacinės tūris“ - nurodoma, kokia akumuliacinės talpa. Naudojama dėl rodomos įkrautos energijos paskaičiavimo;
- „Trečios talpos išėjimo numeris“ - prie kokio valdiklio išėjimo pajungtas trečios akumuliacinės talpos termovožtuvas. Jei talpų nevaldome, nurodome nenaudojamą išėjimą (pav. 30)
- „3 talpoje naudojami ... davikliai“ – kiek termodaviklių įmontuota į trečiąją talpą;
- „3 talpos daviklio numeris...“ – nurodome trečios talpos viršutinio daviklio numerį. Jei naudojami daugiau kaip vienas – likę privalo būti sekantys iš eilės;
- „3 akumuliacinės tūris“ - nurodoma, kokia akumuliacinės talpa. Naudojama dėl rodomos įkrautos energijos paskaičiavimo;
- „PT100 kamine nenaudojamas/naudojamas“ –Jei katilas turi kamino davikli - nurodome kad naudojamas;
- „Krovos temperatūra“ – jei neturime kamino daviklio, akumuliacinė pereina į pakrovimą kai katilo temperatūra aukštesne už šia. Jei turime kamino daviklį - ši temperatūra veikia kaip apsauginė funkcija talpų kaskadavime: krovimas pradedamas pagal kamino temperatūra, o jei katilas pasiekia šiame punkte nurodyta ribą - atidaromi visu talpų vožtuvai, siekiant nuvesti katilo temperatūros perteklių. Taipogi, jei naudojamas boilerio prioritetas, katilui pasiekus šią temperatūrą, prioritetas išsijungia. Jei nenaudojame kamino daviklio, paprastai nustatome 70...75C temperatūrą, jei nudojame - 87...93C;
- „Iškrovos temperatūra“ - katilo temperatūrai nukritus žemiau šios ribos pereinama į iškrovimą. Naudojama tik jei išjungtas kamino daviklis;
- „PT100 krovimo ON temperatūra“ – krovimas pradedamas kaminui įkaitus iki šios temperatūros. Naudojama tik jei įjungtas kamino daviklis;
- „PT100 krovimo OFF temperatūra“ – iškrovimas (katilo išsiurbimas) pradedamas kaminui atvėsus iki šios temperatūros. Naudojama tik jei įjungtas kamino daviklis;
- „Pakrovimo kaskadavimas“ - jei naudojamas, pakrovimo metu talpos kaskaduojamos. Jei neleidžiamas, pakrovimo metu visos talpos atidaromos kartu;
- „Iškrovimo kaskadavimas“ - jei naudojamas, iškrovimo metu talpos kaskaduojamos. Jei neleidžiamas, iškrovimo metu visos talpos atidaromos kartu;
- „Katilo išsiurbimas naudojamas/nenaudojamas“ – jei naudojamas, pereinant sistemai i iškrovimą ųždaromi akumuliacinių vožtuvai ir per ladomato apsaugini vožtuvą (jei naudojamas alternatyvus ladomato varijantas - per persukta ladomato pavarą) iš katilo nuvedama likutinė šiluma. Jei Nenaudojamas - iškarto pereinama į iškrovimą, vožtuvai neuždaromi, ladomato pavara persukama iškarto į katilo atjungimo pusę (pilnai uždarant galimą srautą per katilą);
- „Katilo vožtuvas naudojamas/nenaudojamas“ – jei naudojamas, talpų iškrovimo metu paduodama įtampa į nurodytą sekančiame punkte išėjimą NO vožtuvui uždaryti (dėl parazitinio srauto prevencijos).
- „Katilo vožtuvo išėjimas“ - parazitinio srauto uždarymo vožtuvo išėjimas;
- „A1 1 (2...8) globaliame režime +/-" - jei naudojame globalius išėjimus, nurodome, kuriuose režimuose dirba pirmoji talpa. Nenaudojant globalių - ant visu statome pliusus;
- „A2 1 (2...8) globaliame režime +/-" - jei naudojame globalius išėjimus, nurodome, kuriuose režimuose dirba antroji talpa. Nenaudojant globalių - ant visu statome pliusus;
- „A3 1 (2...8) globaliame režime +/-" - jei naudojame globalius išėjimus, nurodome, kuriuose režimuose dirba trečioji talpa. Nenaudojant globalių - ant visu statome pliusus;
- „Boilerio prioritetas“ - opcija, skirta naudoti vasarą. Jei užduotas prioritetas, katilui kūrenantis akumuliacinių talpų vožtuvai laikomi uždaryti, kol boileris sušils iki sekančiame punkte užduotos temperatūros;
- „Prioriteto išjungimo temperatūra“ - prie kurios boilerio temperatūros išsijungia prioritetas.
12. Apšvietimo valdymas12
Valdiklį galime naudoti ir eksterjero bei interjero apšvietimo valdymui. Apšvietimo įjungimo ir išjungimo laikas skaičiuojamas automatiškai pagal datą. Tiek saulės tekėjimo, tiek ir leidimosi laikas nuo žiemos iki vasaros kinta 5 valandomis. Pav., sausio 1d. saule teka 8:42 (žiemos laiku), tuo tarpu birželio 23d. teka 4:42 (vasaros laiku). „Nulinis“ atskaitos taškas yra oficialus civilinis astronominis saulės tekėjimo ir leidimosi laikas Lietuvoje. Į valdiklio nustatymus įvedamos geografinės koordinatės ir laikas skaičiuojamas konkrečiai vietai.
Galima naudoti papildomas sąlygas apšvietimo įjungimui/išjungimui (pav. naktį nuo vidurnakčio iki šeštos ryto apšvietimą išjungt). Taipogi savo nuožiūra paankstint arba pavėlint įjungimo ir išjungimo laiką iki 2 valandų nuo astronominio. Ap6vietimą jungiame prie bet kurių valdiklio išėjimų. Dvi nepriklausomos apšvietimo funkcijos tam, kad galima būt naudot su skirtingomis sąlygomis vienu metu.
Pastaba: valdiklio išėjimai skirti valdyti iki 2A apkrovas, jei reikia pajungti galingesnius šviestuvus, reikia statyti papildomą rėlę.
Apšvietimo konfigūravimas
„Meniu"-„Nustatymai"-„Sisteminiai nustatymai" įjungiame kiek išėjimų naudosime apšvietimui valdyti.
„Meniu"-„Nustatymai"-„Sisteminiai nustatymai" nustatome esamos vietovės geografinę koordinatę (gamyklinis nustatymas - Biržų koordinatė).
- „Apšvietimo išėjimas“ - pasirenkame, per kurį valdiklio išėjimą valdome apšvietimą;
- „Apšvietimas“ – „įsijungs“ ir „išsijungs“ - atitinkamai galima pasiankstinti arba pasivėlinti laiką iki 125 minučių;
- „Sąlyga" - galima naudoti papildomą sąlygą apšvietimo įjungimui/išjungimui (pav. naktį nuo vidurnakčio iki šeštos ryto apšvietimą išjungt). Jei sąlyga nenurodyta, apšvietimas dirba tik pagal saulės tekėjimo ir leidimosi laiką. Jei pasirinktas sąlygos režimas „ARBA“, tai apšvietimas įjungiamas ir kai saulė nusileidus, ir kai nors viena programa aktyvuoja apšvietimo išėjimą (užtenka bet kurios sąlygos). Jei pasirinktas „IR“ režimas, apšvietimas įjungiamas tik nusileidus saulei ir kai nors viena programa aktyvuoja apšvietimo išėjimą (būtinos abi sąlygos). Pavyzdžiui, jei norime kad apšvietimas dirbtų ir dieną, tai nurodome sąlygą „Arba“ ir programose nurodome laiką dieną, kada reikia apšvietimą įjungti, bei apšvietimo išėjimo numerį. Šviesa degs ir kai nusileis saulė, ir kai suveiks programa. Kitas pavyzdys: norime kad apšvietimas degtų tik vakare, o naktį užgęstų. Tada pasirenkame sąlygą „IR“, kurioje nors programoje nurodome laiką, tarkim nuo pietų iki laiko naktį, kai norime kad įsijungtų, bei apšvietimo išėjimo numerį. Šviesa degs tik tada, kai nusileis saule ir kol bus aktyvi programa.
13. Skysto kuro degiklis13
Kai kurie vartotojai kieto kuro katilus persidarinėja dirbti su skystu kuru (dyzelinu, alyva, tepalais). Kuras purškiamas kartu su oru ventiliatoriaus pagalba. Valdiklis gali valdyti skysto kuro įrangą, pagal vartotojo norą skirtingomis dienomis ar valandomis katile palaikydamas skirtinga temperatūrą. Norimos katilo temperatūros pagal datą ir laiką konfigūruojamos „Meniu"-„Funkcijos"-„Programos" susikuriant reikiamą kiekį programų. Programos tipą nurodome "kuro įpurškimas". Išėjimas įjungiamas kai pirmojo katilo išėjimo daviklio temperatūra nukrenta žemiau užduotos. Skirtingai nuo kitų funkcijų, jei „Meniu"-„Nustatymai"-„Sisteminiai nustatymai“ nurodyti keli katilo išėjimo davikliai, šioje funkcijoje dalyvauja tik katilo daviklis Nr.1, tad šis daviklis ir turi būti ant šio katilo.Skysto kuro degiklio valdymo konfigūravimas
„Meniu"-„Nustatymai"-„Sisteminiai nustatymai“ įjungiame kuro įpurškimo valdymą.
„Meniu"-„Funkcijos"-„Skystas kuras":
- „Purkštuko valdymo išėjimas“““““ – prie kurio valdiklio išėjimo pajungta kuro įpurškimo sistema;
- „Apatinė įjungimo temperatūra“ – katilo išėjimo temperatūrai nukritus žemiau čia užduotos – aktyvuojamas išėjimas;
- „Viršutinė išjungimo temperatūra“ – pakilus katilo temperatūrai iki čia užduotos – išėjimas išjungiamas;
- „Sąlyga“ - galima naudoti papildomą sąlyga išėjimo įjungimui/išjungimui. Jei sąlyga nenurodyta, išėjimas dirba kaip aprašyta aukščiau. Jei pasirinktas sąlygos režimas „ARBA“, tai įjungiama ir kaip aprašyta aukščiau, ir kai nors viena programa aktyvuoja pasirinktą išėjimą (užtenka bet kurios sąlygos). Jei pasirinktas „IR“ režimas, įjungiamas tik kai tenkinama sąlyga, kaip aprašyta aukštesniuose punktuose, ir kai nors viena programa aktyvuoja išėjimą (būtinos abi sąlygos). Esant sąlygai „IR“ ir jokioje programoje neaktyvavus šis išėjimas nedirbs.
14. Patalpų kontūrų (kolektoriaus) valdymas14
Patalpų temperatūroms valdyti skirta kolektoriaus funkcija. Valdiklis nepriklausomai gali valdyti iki 16 patalpų. Ant kolektoriaus išėjimų statomos elektrinės termogalvos, kurios reikiamu metu atidaro arba uždaro reikiamus kolektoriaus kontūrus. Jei vienoje patalpoje keletas kontūrų - pastarieji pajungiami prie to paties vieno išėjimo. Toks valdymas patogus, jei patalpoje stovi radiatoriai, bet jei šildymas grindinis - elektriškai valdomi kontūrai išsprendžia labai daug problemų. Viena iš jų - betono neperkaitinimas, nes pasiekus reikiama užduotą betono temperatūra šildymas nutraukiamas. Taipogi, kintant lauko temperatūrai, keičiama ir grindų temperatūra, taip subalansuojant šildymo ir vėsimo greičius. Temperatūroms valdyti kiekviename kontūre galima pasirinkti vieną iš šešių iš anksto konfigūruotų temperatūrų, arba jas kaitalioti gali savaitinis kalendorius.
Pavyzdžiui:

Pavyzdyje parodyta kaip galima konfigūruoti konkrečią dieną. Naktį bus palaikoma 20 laipsnių, kai ryte keliamės - komfortui padidinti temperatūra pakeliama iki 24 laipsnių, darbo laike - sumažinama iki 18 laipsnių, vakare, kai visi susirenka, padidinama iki 22 laipsnių, o nakčiai sumažinama iki 20.
Kiekvienai savaitės dienai ir kiekvienam kolektoriaus kontūrui nepriklausomai šį grafika galima užsiduoti individualiai. Jei reikia - per greitus nustatymus galima bet kuriam kontūrui išjungti automatini temperatūrų keitimą pagal laikrodį ir įjungti konkrečia temperatūrą. Visos šešios temperatūros kiekvienam kontūrui užduodamos individualiai, nepriklausomai viena nuo kitos, taip sudarant sąlygas visiškam lankstumui.
Kolektoriaus funkcija gali dirbti keliais algoritmais:
- Grindinis šildymas, nenaudojant oro daviklio;
- Grindinis šildymas, kai oro temperatūra įtakoja grindų temperatūrą ir gali stabdyt arba nestabdyt šildymo;
Naudojami du davikliai, vienas betone grindyse, antrasis patalpos oro. Menių užduodame norima palaikyti nulinę grindų temperatūrą, ja pasiekus valdiklis šildymą nutrauks. Taip pat kaip ir pirmuoju atveju, priklausomai nuo lauko temperatūros, užduota grindų temperatūra gali keistis automatiškai.
Bet čia savaitinis kalendorius užduoda ne betono, o oro temperatūrą. Algoritmas turi dvi opcijas: priklausomai nuo to kiek esama temperatūra nukrypus nuo užduotos oro keičiama palaikoma nulinė betono temperatūra (korekcija analogiška lauko korekcijai), taip automatiškai padidinant arba sumažinant patalpos šildymą. Antroji opcija - jei patalpos temperatūra pasiekia užduotą oro - kontūro šildymas nutraukiamas. Abi opcijos gali būti naudojamos po vieną arba abi kartu.
- Grindinis šildymas, valdomas tik pagal oro temperatūrą;
- Radiatorinis šildymas.
| Algoritmas | Grindų daviklio temperatūra | Oro daviklio temperatūra | Lauko korekcija | Vidaus korekcija |
| Grindinis šildymas, nenaudojant oro daviklio | užduodama kalendoriumi | - | yra | - |
| Grindinis šildymas, kai oro temperatūra įtakoja grindų temperatūrą | užduodama menių | užduodama kalendoriumi | yra | yra |
| Grindinis šildymas, valdomas tik pagal oro temperatūrą | - | užduodama kalendoriumi | - | - |
| Radijatorinis šildymas | - | užduodama kalendoriumi | - | - |

Kolektoriaus valdymo konfigūravimas
„Meniu"-„Nustatymai"-„Sisteminiai nustatymai" pasirenkame kiek kontūrų valdysime.
„Meniu"-„Funkcijos"-„Kolektorius"-„1...16 patalpos":
- „Kontūro išėjimas" - pasirenkame, kuris valdiklio išėjimas valdo duotąją patalpą;
- „Naudojamas 1 daviklis/2 davikliai" - Grindiniam šildymui naudojamas betone esantis daviklis ir kaip papildomas - oro. Radijatoriniam šildymui - tik oro daviklis. Jei naudojama tik vienas grindų arba oro daviklis - nurodome vieną, jei ir oro ir grindų - nurodome du;
- „Kontūro daviklis" - pagal kurį davikli palaikoma temperatūra, kai naudojamas vienas daviklis;
- „Oro daviklis" - oro temperatūros daviklio numeris (kai naudojami du davikliai);
- „Grindų daviklis" - grindų temperatūros daviklio numeris (kai naudojami du davikliai);
- „Užduota grindų temperatūra" - užduota betono temperatūra, kai naudojami du davikliai;
- „Oro temperatūra šildymą stabdo/nestabdo" - dviejų daviklių variante oro temperatūra naudojama palaikomos grindų temperatūros vidaus korekcijai. Bet šioje opcijoje galima užduoti, kad oro temperatūrai pasiekus užduotą vertę grindų šildymas būtu išjungiamas;
- „1 (2...6 termorežimas temperatūra)" - atitinkamai užduotos visos šešios temperatūros, kurias galima kaitalioti automatiškai savaitinio kalendoriaus pagalba arba pakeisti rankomis per
- „Meniu"-„Greiti nustatymai" pasirenkant atitinkamą patalpą;
- „Savaitinis kalendorius" - čia kiekvienai savaitės dienai kiekvienai valandai užsiduodame kuria iš aukščiau nustatytų temperatūrų ijungti. Savaitinis kalendorius junginėja temperatūras tik tada, kai per „Meniu"-„Greiti nustatymai" atitinkamoje patalpoje užduodame AUTO režimą;
- „Histerezė" - palaikomos temperatūros histerezė;
- „L. kor. XX/10C" - užduotos palaikomos temperatūros lauko korekcijos gylis, analogiškai kaip ir PID;
- „Blokuotės daviklis" - blokuotės daviklio numeris. Jei nenaudojama akumuliacinė talpa, paprastai nurodomas išėjimo numeris, bet jei naudojama - nurodome trieigio įėjimo daviklio numerį;
- „Blokuotės temperatūra" - iki šios temperatūros kontūras būna uždarytas. Leidžia greičiau užkaisti katilui. Akumuliacinės iškrovimo metu blokuotės neveikia;
- "Kolektoriaus siurblys“ - jei kolektoriuje naudojame atskirą siurblį, pasirenkame kuriame išėjime jis prijungtas. Siurblys įjungiamas jei aktyvuojamas nors vienas kolektoriaus kontūras, kuriame nurodytas šis siurblys;
- „1 (2...8) globaliame režime +/-“ - jei naudojame globalius išėjimus, nurodome, kuriuose režimuose kontūrui leista dirbti. Nenaudojant globalių - ant visų statome pliusus;
- „Sąlyga“ – jei nenaudojama, pasirinktas išėjimas valdomas tik pagal čia užduotus parametrus. Jei kontūro išėjimas randamas programose, ta programa ignoruojama. Pasirinkus „Arba“, kontūro išėjimas aktyvuosis tiek pagal programas, tiek ir pagal šios funkcijos užduotus parametrus. Jei pasirenkame „IR“, kontūras bus įjungtas tik tada, jei duotasis išėjimas bus įjungtas nors vienoje programoje ir tuo pat metu atitiks čia užduotus parametrus. Pavyzdžiui, programoje užstatome periodiškumą su laiku, tai kontūras veiks tik leistu laiku;
15. Analoginiai išėjimai (tik DIN3PRO)15
Šiais laikais vis plačiau plinta 0-10V standarto valdymas. DIN3PRO valdiklis turi keturis analoginius 0-10 voltų išėjimus, skirtus tokiai įrangai valdyti. Šių išėjimų valdymas išskirtas į nepriklausomas funkcijas. Funkcijos algoritmas paprastas: jei pasirinktas režimas "šildymas", kai daviklio temperatūra žemesnė už minimalia, išėjime duodama maksimali įtampa, kai temperatūra aukščiau už maksimalią - išėjime mažiausia įtampa, tarpe tarp minimalios ir maksimalios - įtampa tolygiai mažinama. Jei pasirinktas režimas "šaldymas", kai daviklio temperatūra žemesnė už minimalia, išėjime duodama minimali įtampa, kai temperatūra aukščiau už maksimalią - išėjime didžiausia įtampa, tarpe tarp minimalios ir maksimalios - įtampa tolygiai didinama. Galima užsiduoti mažiausia ir didžiausia įtampų ribas.DAC (analoginių išėjimų) konfigūracija
„Meniu“-„Nustatymai“-„Sisteminiai nustatymai“ pasirenkame kelis analoginius išėjimus naudosime.
„Meniu“-„Funkcijos“-„DAC1...DAC4“:
- „Daviklio numeris“ – pasirenkame pagal kurį daviklį veikia ši funkcija;
- „Darbo režimas: šildymas/šaldymas“ – katilo išėjimo temperatūrai nukritus žemiau čia užduotos – aktyvuojamas išėjimas;
- „Apatinė temperatūra“ – apatinė temperatūros riba;
- „Viršutinė temperatūra“ – viršutinė temperatūros riba;
- „Blokuotės daviklio numeris“ – galima išjungti išėjimą pagal pasirinktą blokuotės daviklį (pav. katilo - išjungiame jei katilas šaltas);
- „Blokuotės temperatūra“ – blokuotės daviklio temperatūra, žemiau kurios išėjimas išjungiamas;
- „Sąlyga“ - galima naudoti papildomą sąlyga išėjimo įjungimui/išjungimui. Jei sąlyga nenurodyta, išėjimas dirba kaip aprašyta aukščiau. Jei pasirinktas sąlygos režimas „ARBA“, tai įjungiama ir kaip aprašyta aukščiau, ir kai nors viena programa aktyvuoja pasirinktą išėjimą (užtenka bet kurios sąlygos). Jei pasirinktas „IR“ režimas, įjungiamas tik kai tenkinama sąlyga, kaip aprašyta aukštesniuose punktuose, ir kai nors viena programa aktyvuoja išėjimą (būtinos abi sąlygos). Esant sąlygai „IR“ ir jokioje programoje neaktyvavus šis išėjimas nedirbs.
- „Apatinė įtampos riba“ – mažiausia išėjimo įtampą galima užduoti ne 0V, o didesnę;
- „Viršutinė įtampos riba“ – didžiausią išėjimo įtampą galima apriboti žemiau negu 10V;
- „Blokuotės įtampa: apatinė įtampa/0V“ – koki įtampa išėjime kai suveikusi blokuotė. Jei pasirinkta "apatinė įtampa", išėjime bus apatinės įtampos riba, jei pasirinktas "0V" - išėjime bus 0V;
- „Dingus davikliui išėjimas išjungiamas/įjungiamas“ – jei valdiklis praranda ryšį su davikliu, atitinkamai į išėjimą paduodama minimali arba maksimali įtampa.
16. Išplėtimo moduliai16
Valdiklis savyje turi 12 arba 21 išėjimus. Bet programinis aprūpinimas leidžia valdyti 32 išėjimus. Išplėtimo modulis EX10 skirtas padidinti DIN serijos valdiklio išėjimų skaičių. Taipogi jų pagalba galima pajungti nutolusius išėjimus. Prie valdiklio moduliai jungiami vytos poros kabeliu.Specifikacija:
Valdomų kanalų (išėjimų) skaičius - 10
Išėjimo srovė – iki 2A;
Maitinimo įtampa - ~220V;
Sunaudojama galia – 1W;
Atstumas iki valdiklio:
- Naudojant vytos poros kabelį – iki 100m,
- Naudojant nevytą kabelį – 10m,
- Užsakant RS485 versiją ir jungiant vytą porą – 2000m;
- Standartinio RS232 interfeiso – 6,
- Užsakomo RS485 interfeiso – kiekis neribojamas (išlaikant linijos standartą);
Išplėtimo modulio pajungimas:
Prie valdiklio jungiasi kaip ir papildomi displėjai, konkrečiu atveju reikia vadovautis užrašais prie kontaktų. SER jungiamas prie TX2 valdiklio išvado, GND - prie valdiklio masinio išvado, maitinimas, priklausomai nuo modifikacijos, gali būti +5V - jungiamas prie valdiklio +5V, arba +U (+12V) - prie valdiklio +U (+12V) išvado, jei "0" - jungiama į 220V "nulį". L - "fazinis" 220V įėjimas (ant dešimties išėjimų modulio du L kontaktai, kairys maitina 1... 5 išėjimus, dešinys - 6... 10).
Įėjimas yra elektriškai izoliuotas nuo likusios schemos per optopora ir prie valdiklio jungiamas vytos poros kabeliu :
- + jungiamas prie valdiklioTX2 kontakto,
- - jungiamas prie valdiklio GND kontakto.
- 0 – 220V tinklo nulio kontaktas,
- L – 220V tinklo fazinis kontaktas (kairys maitina patį išplėtimo modulį ir iš jo imama fazė į 1-5 kanalus, iš dešinio imama fazė į 6-10 kanalus),
- 1... 10 – išėjimai.
Modulio konfigūravimas
Išplėtimo moduliai gali dirbti nepriklausomai vienas nuo kito, bet kuris modulio kanalas (išėjimas) gali veikti kaip bet kuris iš 32 valdiklio išėjimų. Nesvarbu, kad pirmi 12 išėjimų yra ant pačio valdiklio, ant išplėtėjo gali būti tie patys numeriai. Taipogi personaliai kiekvienam išvadui galima užstatyti inversiją. Išėjimų tvarką vartotojas gali pasirinkti laisvai, pav. 1 kanalas yra neinvertuotas 30 valdiklio išėjimas, 2 kanalas – 1 neinvertuotas valdiklio išėjimas, 3 kanalas – 1 invertuotas valdiklio išėjimas, ir t.t. Pastaba: keturšakio (trišakio) pavaros valdymas per išplėtimo modulį negalimas.Jei EX10 30 sekundžių negauna valdymo komandų iš valdiklio arba duomenys ateina neteisingi, visi modulio išėjimai išjungiami (nepriklausomai nuo programuotos inversijos) ir, informuodami apie aliarmą, pradeda mirksėti visi modulio LED.
Gamyklinėje versijoje EX10 išėjimai programuoti nuo 13 iki 22 išėjimais be inversijos. Norėdami pasikeisti parametrus DIN valdiklyje einame į „Meniu“-„Išėjimai“-„Išplėtimo modulis“, pasirenkame kurį EX10 išėjimą norime keisti. Mygtukais „kairėn“, „dešinėn“ keičiame inversiją, mygtukais „aukštyn“, „žemyn“ – išėjimo numerį. Paspaude „Enter“ nusiunčiame konfigūraciją į tuo metu prijungtą išplėtimo modulį. Informacija programuojama tik tame pasirinktame išėjime. Kadangi nėra grįžtamojo ryšio, nematome kas įprogramuota tame kanale, tad, vėl įėjus į atitinkamą meniu punktą, matysime pradinę informaciją. Jei reikia, visus 10 kanalų programuojame atskirai. Informacija apie išėjimų numerius saugoma išplėtimo modulyje, tad visus naudojamus modulius galima programuoti skirtingai.
Pastaba: Paspaudus „Enter“, konfigūracija įrašoma į visus pajungtus išplėtimo modulius, tad, jei naudojate kelis, programavimo metu pajungtą galima palikti tik tą, kurį reikia keisti!
17. Meniu - nustatymai17
Sisteminiai
Čia pagrindinės valdiklio nuostatos. Šioje vietoje konfigūruojama kokių ir kiek funkcijų bus naudojama. Jei šiame meniu funkcija neįjungta, valdiklis jos nerodys.
- „Pirmas katilo išėjimo daviklis“,
- „Antrasis katilo išėjimo daviklis“,
- „Trečiasis katilo išėjimo daviklis“,
- „Ketvirtas katilo išėjimo daviklis“ - katilo išėjimo davikliai. Gali būti keli katilai arba vienas katilas su keliose vietose esančiais išėjimo davikliais, viso iki keturių vnt. Jei turime mažiau už keturis - likusius nurodome tą patį numerį kaip ir naudojamo prieš tai;
- „Katilo įėjimo daviklis“ - nurodome daviklį, stovinti katilo įėjime. Jei tokio nėra - nurodome neesamo daviklio numerį (pav. 64);
- „Katilui gęstant sistema išjungiama/reguliuoja“ - nuostata, apsprendžianti katilo elgesį jam gęstant. Jei įjungta opcija "reguliuoja", siurbliai ir pavara dirba tol, kol katilo išėjimo temperatūra nukris iki žemiau esančiame punkte nurodytos temperatūros, tada išsijungia. Jei pasirinkta "išjungiama" - gęstant siurbliai ir pavaros dirbs kaip ir užkūrimo metu, su blokuotėmis ir sumažintu debitu;
- „Gęstant reguliuoja iki ...“ - su aukščiau nurodytu punktu susijusi nuostata;
- „Lauko daviklių naudojama“ - kadangi pastatas ir oro aplinka gali įtakoti temperatūros parodymus, lauke rekomenduojama statyti kelis daviklius skirtingose pastato pusėse. Valdiklis atsirenka kuri temperatūra teisingiausia. Galima naudoti iki 3 daviklių;
- „Lauko daviklio numeris“ - nurodome lauko daviklio numerį. Jei naudojami keli - nurodomas pirmasis, kiti automatiškai priskiriami sekantys iš eilės;
- „Programų naudojama...“ - kiek valdiklyje bus naudojama bendros paskirties programų
- „Trieigių/ketureigių...“ - kiek valdiklyje naudojama pavarų;
- „Cirkuliacinių siurblių...“ - kiek valdiklyje naudojama cirkuliacinių siurblių;
- „Boilerio valdymas...“ - ar naudojamas vandens šildytuvas (boileris);
- „Kolektoriaus kontūrų...“ - kiek naudojama valdomų kolektoriaus kontūrų. Skaičiuojami tik tie kolektoriaus kontūrai, kuriems reiks rezervuoti išėjimus;
- „Katilo ventiliatorius ...“ - ar naudojama katilo ventiliatoriaus funkcija;
- „Ladomato valdymas...“ - ar naudojamas ladomatas;
- „Akumuliacinių talpų...“ - kiek naudojama akumuliacinių talpų;
- „Apšvietimo funkcijų...“ - kiek naudojama apšvietimo valdymo išėjimų;
- „Saulės kolektorius...“ - as naudojamas saulės kolektorius;
- „Palyginimo funkciju...“ - kiek naudojama palyginimo funkcijų;
- „Skystas kuras...“ - ar naudojama skysto kuro įpurškimas;
- „DHT22...“ - kiek naudojama skaitmeninių drėgmės daviklių;
- „DHT22 maitinimas nejunginejamas/naudojamas ant D3“ - DHT22 davikliai kartais "pasikabina" ir kad juos reseruoti, reikia išjungti daviklių maitinimą. Daviklių maitinimą gali junginėti D3 kontaktas per suderinimo schemą;
- „Grupinių funkcijų...“ - kiek naudojama grupinių funkcijų;
- „Suminių funkcijų ...“ - kiek naudojama suminių funkcijų;
- „Servo pavarų...“ - kiek naudojama trilaidžių servo pavarų;
- „DAC išėjimų...“ - opcija tik DIN3PRO. Kiek naudojama analoginių 0 - 10V išėjimų;
- „Longitudė...“,
- „Latitudė...“ - geografinės koordinatės, naudojama apšvietimo ir saulės kolektoriaus funkcijose tiksliam saulės tekėjimo ir leidimosi laikui paskaičiuoti;
- „Laiko juosta..“ - laiko juosta santykiu su GMT;
- „Kalba“ - valdiklio meniu kalba, šiuo metu vertimai į rūsų ir anglų kalbas nepilni.
- „Aukščiausias prioritetas rankinis valdymas/avarinė funkcija“ - jei pasirinkta "rankinis valdymas", tai, nepriklausomai nuo to, kokią išėjimo būseną įjungia katilo arba saulės avarinės funkcijos, rankinio valdymo meniu galima pakeisti išėjimo statusą. Jei pasirinkta "avarinė funkcija" - nepriklausomai nuo to, kas nustatyta rankinio valdymo meniu, saulės ir katilo avarinė funkcija gali pakeisti išėjimą.
Daviklių paieška
Prie valdiklio galima pajungti iki 64 temperatūros daviklių. Visi jie jungiasi lygiagrečiai trimis laidais: maitinimo minusas, maitinimo pliusas ir duomenų laidas. Yra trys "one wire" prievadai. DIN3A trečias prievadas išskirtas i du kontaktus, atskirai perdavimas ir priėmimas. Tai leidžia pajungti RS422 ir optinius modulius. DIN3PRO visi trys prievadai išskirti į atskirus. Naudojant paprasta "one wire" jungimą, priėmimą su perdavimu reikia sutrumpinti i krūvą.
Pastaba: junkite daviklius atydžiai, nes, sumaišius maitinimo poliarumą, davikliai sugadinami nepataisomai ir visą laiką rodo 84 laipsnių temperatūrą.
Kiekvienas daviklis turi savo unikalų 64 bitų adresą. Daviklių paieškos punktas skirtas surasti esamus daviklius ir pagal adresus juos prisiskirti prie norimo numerio. Čia kaip televizijoje: kanalai erdvėje transliuojami ne iš eilės (pav. 23, 27, 49 ir t.t.), bet mes televizoriuje juos susidedame norima tvarka ir kanalus junginėjame pagal tą susidėtą tvarką. Vartotojas, naudodamasis valdikliu, operuoja priskirtais daviklių numeriais. Jei, padarius „Daviklių paieška“, trumpai pasirodo užrašas „daviklių nerasta“ ir grįžtama į pagrindinį meniu, valdiklis nepamatė prijungtų daviklių. Arba davikliai pajungti neteisingai, arba per ilgi laidai. Jei randa daviklius, matome tokį vaizdą:

Paieškos metu visada parodys trimis davikliais daugiau (papildomai rodomi du PT100/PT1000 ir virtualus lauko davikliai), jei naudojami skaitmeniniai drėgmės davikliai DHT22 - kiekvienas naudojamas toks daviklis paieškos rezultate prideda dar po du.
Viršutinės eilutės kairiajame kampe matome pasirinkto daviklio tipą, dabar rodomo daviklio temperatūra 59,4 laipsnio, 14/40 - dabar rodomas keturioliktas iš keturiasdešimties rastų daviklių. M raidė rodo kad šis daviklis jau priskirtas. Paspaudus ENTER jį atskirtume. Jei prijungta daugiau daviklių negu rasta, galbūt keli pajungti neteisingai. Antroje eilutėje pradžioje matome du simbolius - daviklio adreso galą, pabaigoje - pasirinkto valdiklio atminties, prie kurios priskirsime daviklį, numerį. Klavišais kairėn dešinėn pasirenkame reikiamą valdiklio atminties numerį, klavišais aukštyn žemyn išsirenkame norimą daviklį. Jei daviklis įsigytas kartu su valdiklių, ant jo markeriu būna užrašyti tie paskutiniai adreso simboliai. Prieš montuodami, susirašome kuris numeris kur sumontuotas, taip lengvai galime pasirinkti norimą daviklį. Jei nežinome jo adreso ir daviklis nepaslėptas, jį galima pašildyti pirštais, jei po izoliacija, plaukų džiovinimo fenu galima pakaitinti vamzdį aplink daviklį. Žiūrime kurio daviklio temperatūra pradeda keistis, taip atsirandame reikiamą daviklį. Pasirinkę reikiama atminties numerį ir reikiamą daviklį, spaudžiame ENTER klavišą. Prie 14/40 atsiranda raide M, kas indikuoja, kad daviklis priskirtas prie pasirinkto kanalo. Jei daviklis prie kanalo priskirtas, kitą kartą paieškoje pasirinkus šio kanalo numerį matysime degančia raidę M. Norint kanalui priskirt kitą daviklį, reikia vėl paspausti ENTER , M užges, dabar galima pasirinkt kitą daviklį. Jei patogu, prie valdiklio jungiame ne visus iškart, o po vieną daviklį, lengviau bus identifikuoti kuris daviklis yra kuris ir prisiskirti juos po vieną. Pavyzdžiui: Pajungiame katilo išėjimo daviklį, padarome paiešką. Randamas 1/1 daviklis. Katilo išėjimui pasirenkame 3 kanalą. Apatinėje eilutėje pasidarome „Priskirti No 3“, spaudžiame ENTER, atsiranda 1/4M. Tada katilo išėjimo daviklį atjungiame, o prisijungiame kolektoriaus daviklį, kuri norime priskirti 5 atminties numeriui. Padarius paiešką matome rasta 1/4. Apatinėje eilutėje pasirenkame „Priskirti Nr 5“ ir spaudžiame ENTER . Pasirodys 1/4M. Pastaba: Jei pasirinksime 3 atminties numerį, prie jo nedegs M raidė, nes nemato anksčiau priskirto daviklio. Pajungus abu daviklius ir padarius paiešką, M raidė bus ir prie 3, ir prie 5 kanalų. Pajungus naują daviklį ir padarius paiešką, naujai rasto nepriskirto daviklio numeris gali būti ne gale, o pradžioje arba viduryje. Bet pasirinkus atminties numerį, kuriame daviklis jau priskirtas, matysime persistūmusį ir priskirto daviklio numerį. Valdiklis priskiria daviklius ne pagal jų prijungimo eiliškumą, o pagal fizinį adresą. Baigus daviklių priskyrimą, ekrane jau matome temperatūras iš priskirtų daviklių. Sugedus kuriam nors davikliui ir jį pakeitus, nereikia visų daviklių priskyrinėti iš naujo. Prisiskirti reiks tik pakeistą daviklį (padarius paiešką, prie to atminties numerio nedegs M raidė - reiškia paieška nemato ankščiau kanalui priskirto daviklio). Jei praeina 6 sekundės ir nieko nespaudžiam, parodomas einamojo daviklio serijinis numeris.
Daviklio tipo simboliai:
- T - skaitmeninis temperatūros daviklis DS18B20 arba DS18S20;
- P1 - pirmasis PT100/PT1000 daviklis;
- P2 - antrasis PT100/PT1000 daviklis;
- VL - virtualus lauko daviklis (išskaičiuota temperatūra iš kelių naudojamų lauko daviklių)
- t1, t2, t3, t4 - atitinkamos pirmo ... ketvirto DHT22 daviklio temperatūros;
- h1, h2, h3, h4 - atitinkamos pirmo ... ketvirto DHT22 daviklio sąntikinė drėgmė
Daviklių info
Laiko nustatymas
Valdiklis turi savo laikrodį, kuris maitinamas CR-2032 baterija. Baterija naudojasi tik tada, kai išjungtas maitinimas, kitu metu laikrodis maitinamas iš pagrindinio maitinimo. Jei pastebima, kad išjungus maitinimą nusimeta laikas, bateriją reikia pakeisti. Reikia nuimti apatini valdiklio dangtį ir atsargiai išimti plokšte. Ten iš krašto pamatysime bateriją. Baterijos keitimas atliekamas tik išjungus valdiklio maitinimą. Po baterijos pakeitimo arba esant laiko paklaidai laikrodis nustatomas punkte „Meniu“-„Nustatymai"-„Laiko nustatymas“. Savaitės diena nusistato automatiškai pagal datą. Vasaros/žiemos laikas nusistato automatiškai.
Šviesumas
Nustato valdiklio LCD foninio pašvietimo lygį bei ekrano kontrastingumą (mygtukais kairėn, dešinėn, aukštyn, žemyn).
Garsas
Įjungia/išjungia valdiklio garsą. Taipogi galima nurodyti kad garsas veikia tik spaudant menių mygtukus.
Ekrano režimai
Kadangi į valdiklio LCD displėjų telpa nedaug informacijos, visa informacija suskirstyta ekranais. 16 ekranų skirti atvaizduoti 64 daviklių temperatūroms (po 4 temperatūras kiekviename lange), vienas langas skirtas laiko ir datos rodymui, trys - PID informacijos rodymui ir t.t. Kiekvienai įjungtai funkcijai priskiriamas atskiras ekranas. Ekranai gali būti keičiami automatiškai arba rankomis. Keitimo metodai valdomi šiame meniu punkte. Jei atitinkamas ekranas nebus naudojamas, jame pasirenkame reikšmę "išjungta". Išjungti ekranai nebus rodomi nei automatiniame, nei rankiniame režime. Pastačius ekranams reikšmes "rankinis", atvaizdavimą galėsime keisti klavišais aukštyn žemyn .Jei norime kad ekranai keistųsi automatiškai, prie atitinkamų ekranų nurodome jų atvaizdavimo laiką sekundėmis.
Pastaba: automatiniame režime bus atvaizduojami tik tie ekranai, kuriuose užduotas laikas. Jei nors viename bus nurodytas laikas sekundėmis, rankomis keisti negalėsime. Vienu metu gali būti tik arba rankinis, arba automatinis režimas. Rankiniame režime, jei funkcijos išjungtos arba davikliai nepriskirti, ekranai nerodomi.
Kiti nustatymai:
- „Restarto laikas“ – valdiklis viena karta per parą gali automatiškai persikrauti. Nurodome kurią paros valandą vyks persikrovimas. Šiuo metu esamose valdiklio versijose automatinis persikrovimas nenaudojamas;
- „Com greitis“ – pirmojo nuoseklaus prievado (RX1, TX1) greitis. 9600 ... 115200. Pasirenkame reikalingą;
- „Valdiklio adresas“ - adresas, kuriuo atsiliepia valdiklis per USB arba pirmąjį nuoseklų prievadą;
- „Startuota ... kartų“ - kiek kartu valdiklis buvo perkrautas arba startavęs. Nunulinama paspaudus mygtuką kairėn;
- „Daviklių ištrynimas“ - ištrina iš atminties visus nuskenuotus ir priskirtus daviklius. Kiti meniu nustatymai išlieka. Ištrinama paspaudus mygtuką kairėn;
- „Factory reset“ - gamyklinių nustatymų atstatymas, pradinė parametrų inicializacija. Davikliai netrinami (nuo 0,46 versijos). Atstatoma paspaudus mygtuką kairėn;
- „Skaitiklis Nr1“ - impulsų skaitiklio Nr.1 D3 įėjime peržiūra. Rodoma, kiek impulsų buvo D3 įėjime (skaičiuojama ir krentantys, ir kylantys frontai). Nunulinama paspaudus mygtuką kairėn;
- „Skaitiklis Nr2“ - impulsų skaitiklio Nr.2 D4 įėjime peržiūra. Rodoma, kiek impulsų buvo D4 įėjime (skaičiuojama ir krentantys, ir kylantys frontai). Nunulinama paspaudus mygtuką kairėn;
- „Skaitiklis Nr3“ - impulsų skaitiklio Nr.3 D5 įėjime peržiūra. Rodoma, kiek impulsų buvo D5 įėjime (skaičiuojama ir krentantys, ir kylantys frontai). Nunulinama paspaudus mygtuką kairėn;
- „Skaitiklis Nr4“ - impulsų skaitiklio Nr.4 D6 įėjime peržiūra. Rodoma, kiek impulsų buvo D6 įėjime (skaičiuojama ir krentantys, ir kylantys frontai). Nunulinama paspaudus mygtuką kairėn;
- „Skaitiklis Nr5“ - impulsų skaitiklio Nr.5 D7 įėjime peržiūra. Rodoma, kiek impulsų buvo D7 įėjime (skaičiuojama ir krentantys, ir kylantys frontai). Nunulinama paspaudus mygtuką kairėn;
- „Pavadinimų ištrynimas“ - DIN3A, DIN3NANO ir DIN3PRO leidžia įvairioms funkcijoms, kontūrams, programoms ir davikliams įrašyti pavadinimus. Čia tie pavadinimai pakeičiami gamykliniais. Ištrinama paspaudus mygtuką kairėn;
- „IP adresas, kaukė, šliuzas“ - jei prie valdiklio pajungtas LAN modulis, konfigūruotas duomenų perdavimui į sildau.lt, rodomi modulio tinklo parametrai.
PIN meniu
Galima užrakinti didelę nustatymų dalį, tada leidžiama pasižiūrėti, bet neleidžiama parametrų keisti. PIN menių sudaro trys punktai: „PIN įvedimas“, „PIN naudojimas“, „PIN keitimas“. Jei PIN įjungtas, jo keisti ir išjungti negalima. Einame į „PIN įvedimas“, Surenkame 6 ženklų esama PIN kodą (gamyklinis kodas 000000) ir spaudžiame "Enter". Dabar galime pakeisti PINą į naują ir/arba įjungti/išjungti jo naudojimą. Jei naudojimas įjungtas, dalis nustatymų bus užrakinti. Jei išjungtas, bus prieinami visi nustatymai.
Jei naudojamas PIN ir norime pakeisti užrakintus nustatymus, PIN nereikia išjunginėti. Įeiname į PIN menių, einame į PIN įvedimas, surenkame reikiamą kodą ir spaudžiame "Enter". Tada, paspaude "Menu", grįžtame į valdiklio meniu. Nustatymai jau bus atrakinti. Norėdami vėl aktyvuoti užraktą, išjungiame valdiklio maitinimą ir vėl jį įjungiame. Po perkrovimo nustatymai vėl užsirakins.
18. Meniu - greiti nustatymai18
Greiti nustatymai skirti operatyviai pakeisti norimus parametrus. Punktų rinkinys greituose nustatymuose priklauso nuo naudojamu funkcijų, kai nenaudojami punktai nerodomi:
- „PID1 korekcija“,
- „PID2 korekcija“,
- „PID3 korekcija“ - galima pastumti aukštyn arba žemyn trieigio/ketureigio pavarų užduotą palaikymo temperatūrą. Pav. šiuo metu paskaičiuota PID palaikymo temperatūra (įvertinus lauko ir vidaus korekcijas) yra 45.5 laipsnio, greituose nustatymuose prie PID uždavus +2С pavara palaikys 47.5C temperatūrą.
- „Purkštuko korekcija“ - galima pastumti aukštyn arba žemyn skysto kuro įpurškimo sistemos temperatūra,
- „Katilas aktyvus/neaktyvus“ - matome sisteminį kintamąjį, rodanti ar katilas užsikūręs. Kai katilas šaltas - rodoma "katilas neaktyvus". Aktyvus pasidaro tik tada, kai užkaista iki 75 laipsnių. Baigus kūrentis "katilas neaktyvus" pasidaro tik tada, kai atvėsta iki sisteminiuose nustatymuose nurodytos "galo" temperatūros. Kai katilas aktyvus, cirkuliaciniai siurbliai sukasi pastoviai ir pavaros neblokuojamos, nepriklausomai nuo katilo temperatūros. Paspaudus dešinį klavišą galima pakeisti kintamojo reikšmę;
- „Akumuliacinės talpos statusas“ - rodoma akumulaicinės talpos fazė (Akumuliacinė stovi, įkraunama pirma, antra ar trečia akumuliacinė, katilo išsiurbimas, iškraunama pirma, antra, trečia ar visos talpos). Paspaudus kairėn galima pereiti į sekančią fazę;
- „Akumuliacinės iškrovimas leistas/sustabdyta“ - akumuliacinės talpos iškrovimą galima atidėti neribotam laikui. Paspaudus šiame punkte i dešinė iškrovimas sustabdomas. Iškrova gali prasidėti jei paspausime dar kartą į dešinę arba leidimą gali duoti atitinkamo tipo bendros paskirties programa;
- „Kontūro termorežimas“ - konkrečiam kolektoriaus kontūrui užduodame kuria šiuo metu temperatūrą naudoti. Galima pasirinkti priverstinę viena iš šešių arba leisti savaitiniam kalendoriui pačiam jas junginėti arba išvis uždrausti patalpos šildymą
Greiti nustatymai prieinami vartotojui netgi jei likę nustatymai užrakinti PINo pagalba.
20. ---20
21. Meniu - funkcijos - programos21
Valdiklis turi du darbinių funkcijų realizavimo metodus: specializuotas funkcijas (tokias kaip cirkuliaciniai siurbliai, boileris ir t.t.) bei universalias funkcijas „Meniu“-„Funkcijos“-„Programos“ punkte. Vartotojas gali susidaryti 128 skirtingas programas.
Programos - labai lankstus ir galingas daugiafunkcinis įrankis, leidžiantis realizuoti beveik bet kokią užduotį. Programas galima kombinuoti su funkcijomis per pastarųjų sąlygas. Kombinuojant kelias programas pagal laiką ir datą galima sukurti automatinius rinkinius pavarų, kolektoriaus ar skysto kuro įpurškimo sistemos palaikymo temperatūroms keisti.
Pagal paskirtį programas galima suskirstyti į šiuos tipus:
- Šildymas - išėjimas įjungiamas nukritus daviklio temperatūrai (dažniausiai naudojamas šildymo sistemose) bei pagal laiką/datą;
- Šaldymas - išėjimas įjungiamas temperatūrai viršijus užduotąją (dažniausiai naudojamas šaldymo sistemose) bei pagal laiką/datą;
- Be termokontrolės (tik laikas/data) - išėjimas valdomas tik pagal laiką/datą;
- Tik garso signalas - nenaudojamas joks išėjimas, paduodamas tik garsas per valdiklio vidinį garsiakalbiuką (jei per meniu garsas neišjungtas);
- PID1...PID3 palaikymo temperatūra - būtent čia užduodame palaikymo temperatūrą pavaroms;
- Kuro įpurškimas - čia galima pakeisti skysto kuro įpurškimo sistemos palaikymo temperatūrą;
- PID1...PID3 >0< temperatūra - jose pakeičiamas PID funkcijose užduotas "nulinis" vidaus korekcijos taškas;
- Akumuliacinės paleidimas - jei rankomis atidedama akumuliacinės talpos iškrova, ši programa gali paleisti iškrovimą;
Įėjus į „Meniu“-„Funkcijos“-„Programos“ klavišais "Aukštyn", "Žemyn" pasirenkame programos numerį. Spausdami "ENTER" įeiname į reikiamą programą.
- „Įjungta/išjungta“ - įjungiame ar išjungiame programą;
- „Programos paskirtis“ - pasirenkame norimą programos tipą (iš išvardytų aukščiau);
Kitų punktų buvimas priklauso nuo pasirinktos paskirties:
- „Daviklis“ - daviklio, pagal kurį vykdoma programa, numeris;
- „Programos išėjimas“ - kurį išėjimą valdo ši programa. Jei nurodytas 1...32 išėjimas, programa tiesiogiai veikia pasirinktą fizinį išėjimą. Jei pasirenkame G1...G7 - programa perjungia atitinkamą globalų režimą (kad leisti programoms junginėti globalius išėjimus turi būti įjungtas AUTO „Meniu“-„Globalūs režimai“).
- „Viršutinė temperatūra“ - viršutinė gisterezės riba;
- „Apatinė temperatūra“ - apatinė gisterezės riba;
- „1 (2...8) globaliame režime +/-“ - jei naudojame globalius išėjimus, nurodome, kuriuose režimuose programai leista dirbti. Nenaudojant globalių - ant visu statome pliusus;
- „Aktyvumo režimas“ - čia galime pasirinkti programos darbo logiką. Galimi pasirinkimai: ARBA, IR, IR su D1 ...IR su D10, IR su D7 impulsais. Šie režimai leidžia kombinuoti keletą programų tam pačiam išėjimui valdyti. Valdiklis programas skaito nuo žemiausio numerio didėjančia tvarka. Jei keliose programose randamas tas pats išėjimo numeris, programos apjungiamos atitinkamai užduotoms sąlygoms ARBA bei IR. SVARBU: keliose programose naudojant tą pati išėjimą programoje žemiausiu numeri privalo būti logika ARBA. Jei išėjimas valdomas vienintelės programos, taipogi joje privalo būti ARBA. Logikos veikimas: Jei keliose programose nurodytas režimas ARBA, išėjimas bus aktyvuotas nors vienai programai tenkinant sąlygą. Jei programose užduota logika IR (išskyrus programą su žemiausiu numeriu), išėjimas aktyvuosis tik jei visose programos bus aktyvios. Jei logika IR su DX, tai programa galios tik jei atitinkamame D įėjimas bus sutrumpintas su GND (kai „Meniu“-„Išėjimai“-„D1-D10 konfigūracija“ įėjimo inversija išjungta) arba kai atitinkamame D įėjimas bus paliktas "kabantis" ore (jei „Meniu“-„Išėjimai“-„D1-D10 konfigūracija“ įėjimo inversija įjungta) . Jei logika IR su D7 impulsais, programa galios tik tada, kai D7 įėjime ne rečiau kaip kartą per sekundę pasikeis loginis lygis.
Pastaba: logika galioja tik "šildymo", "šaldymo" ir "be termokontrolės" tipo programoms. PID, kolektoriaus ir nulinių taškų užavimo tipo programose, jei vienu metu aktyvios kelios tos pačios paskirties programos, galioja ta, kurios numeris aukščiausias;
- „DIngus davikliui...“ - kaip turi egtis išėjimas, jei prapuola temperatūra iš naudojamo daviklio. Galimi pasirinkimai - išėjimas priverstinai išjungiamas arba priverstinai įjungiamas;
- „Periodiškumas...“ - kai periodiškumas išjungtas, programa bus vykdoma be laiko kontrolės. Galime pasirinkti periodiškumą savaitės dienomis, mėnesio dienomis arba mėnesiais. Periodiškumas patogus, nes galima skirtingu paros laiku ir/arba skirtingomis dienomis užduoti skirtingas temperatūras.
- „Pradžios laikas“ - jei periodiškumas įjungtas, šiuo laiku programa aktyvuojama pasirinktomis dienomis;
- „Pabaigos laikas“ - jei periodiškumas įjungtas, šiuo laiku programa deaktyvuojama pasirinktomis dienomis;
- „Galioja..“ - priklausomai nuo pasirinkto periodiškumo, pasirenkame norimas savaitės ar mėnesio dienas arba mėnesius, įjungiame/išjungiame uždėdami pliusą prie norimos dienos;
Keletas programų pavyzdžių:
- 1 pavyzdys. Tarkime, kad katilo išėjimo daviklis yra Nr.3, vonios grindų daviklis Nr.1, vonios grindų atidarantis vožtuvas arba siurblys prijungtas prie išėjimo Nr.1. Norime, kad vonios grindyse būtu palaikoma temperatūra apie 30 laipsnių, bet grindys nebūtų šildomos, jei katile temperatūra žemesnė už 60 laipsnių.
Tokiai funkcijai mums reiks dviejų programų. Tarkim programos 10 ir 11.
10 programą konfigūruojame taip: programa įjungta, išėjimas:1 , Tipas: šildymas, daviklis Nr. 1, L: 29,5C, H: 30,0C, ARBA, periodo nėra;
11 programą konfigūruojame taip: programa įjungta, išėjimas:1 , Tipas: šaldymas, daviklis Nr. 3, L: 59,5C, H: 60,0C, IR, periodo nėra; Atkreipkime dėmesį, kad pirmoji programa naudoja sąlygą ARBA, o antroji IR. Cirkuliacinis siurblys bus paleistas tik tuo atveju, jei bus tenkinamos abi sąlygos (1 grindų daviklis rodo mažiau už 30 laipsnių ir katilas užkaitęs daugiau negu 60 laipsnių).
- 2 pavyzdys. Tarkime, kad katilo išėjimo daviklis yra Nr.3, kambario temperatūros daviklis Nr. 5, kolektoriaus vožtuvas prijungtas prie 2 kontrolerio išėjimo, naudojama NC tipo elektrinė termogalva (NC – Normal Close, nesant paduotai įtampai galva laiko uždarytą kolektoriaus išėjimą). Darbo dienomis darbo laiku norime kambaryje palaikyti pažemintą 18 laipsnių temperatūra, o savaitgaliais ir darbo dienų vakarais – komfortiškesnę 22 laipsnių temperatūra. Taipogi norime, kad radiatoriai būtu šildomi tik kai katilo temperatūra aukštesnė už 60 laipsnių. Šiai užduočiai reiks keturių programų, tarkim pasirenkame 12, 13, 14 ir 15 programas.
12 programą konfigūruojame taip: programa įjungta, starto laikas 7:00:00, stop laikas 16:00:00, išėjimas:2 , Tipas: šildymas, daviklis Nr. 8, L: 17,8C, H: 18,0C, ARBA, periodas savaitės dienomis, pliusiukai sudėti ant dienų nuo pirmadienio iki penktadienio;
13 programą konfigūruojame taip: programa įjungta, starto laikas 16:00:00, stop laikas 7:00:00, išėjimas:2 , Tipas: šildymas, daviklis Nr. 8, L: 21,8C, H: 22,0C, ARBA, periodas savaitės dienomis, pliusiukai sudėti ant dienų nuo pirmadienio iki penktadienio;
14 programą konfigūruojame taip: programa įjungta, starto laikas 0:00:00, stop laikas 0:00:00, išėjimas:2 , Tipas: šildymas, daviklis Nr. 8, L: 21,8C, H: 22,0C, ARBA, periodas savaitės dienomis, pliusiukai sudėti ant šeštadienio ir sekmadienio;
15 programą konfigūruojame taip: programa įjungta, išėjimas:8 , Tipas: šaldymas, daviklis Nr. 3, L: 59,5C, H: 60,0C, IR, periodo nėra;
Pirmose trijose programose veikia logika ARBA, kuri pabaigoje sumuojasi per IR su katilo temperatūros sąlyga.
Pastaba: čia pateikti programų pavyzdžiai. Patogiau grindų ir radiatorių temperatūras valdyt per specialiai tam skirtą funkciją, o čia užsiduoti tik palaikomas temperatūras.
- Pavyzdys, kai programomis užduodame PID darbo temperatūrą:
Norime, kad darbo dienomis ne darbo laiku ir savaitgaliais kolektoriuje būtu palaikoma 45 laipsnių temperatūra, o darbo laiku – sumažinta iki 40 laipsnių. Kadangi galioja aukščiausiu numeriu esančioje aktyvioje programoje užduota temperatūra, šiai užduočiai pakanka dviejų programų, tarkime 49 ir 50.
49 programą konfigūruojame taip: programa įjungta, užduota palaikymo temperatūra 45,0C, periodo nėra;
50 programą konfigūruojame taip: programa įjungta, starto laikas 8:00:00, stop laikas 17:00:00, užduota palaikymo temperatūra 40,0C, periodas savaitės dienomis, pliusiukai sudėti ant dienų nuo pirmadienio iki penktadienio;
Veikimo algoritmas toks: tikrindamas programas valdiklis pirmiausia randa visą laiką galiojančią palaikymo temperatūrą 45 laipsnius. Jei savaitgalis arba ne darbo laikas darbo dienomis, 50 programa negalioja ir niekas nepakeičia 49 programoje rastos temperatūros. Darbo dienomis darbo laiku įsigalioja 50 programa ir 45 laipsnių temperatūra pakeičiama į 40, kadangi galioja ta, kuri užduota aktyvioje programoje su aukštesniu numeriu.
Pastaba: Jei įjungtas pavaros valdymas, bet nerandama nei vienos galiojančios programos su PID tipo paskirtimi, nekoreguota palaikymo temperatūra imama iš PID funkcijos, jei randama - iš programos.
22. Meniu - funkcijos - PID22
„Meniu"-„Nustatymai"-„Sisteminiai" nustatymai" įjungiame kiek sistemoje naudosime trieigio/ketureigio pavarų. Valdiklis gali valdyti iki trijų pavarų (ladomato pavara yra ketvirta, ji konfigūruojama ladomato meniu).
- „Pavaros išėjimo numeris" - nurodome, prie kurių valdiklio išėjimų poros pajungta pavara;
- „Pavaros išėjimo daviklio numeris" - kuris daviklis trieigio/ketureigio išėjime (kolektoriaus daviklis, kurio temperatūrą stengiamasi palaikyti);
- „Mažiausia palaikoma temperatūra", „Didžiausia palaikoma temperatūra" - palaikomą temperatūrą užduoda vartotojas, ja gali keisti vidaus ir lauko korekcijos pagal užduotą izoterminę kreivę.Šiais punktais užduodamos ribos, už kuriu palaikoma temperatūra negali išeiti (limitas);
- „Užduota temperatūra" – užduota kolektoriaus temperatūra, kuria pavara stengiasi palaikyti;***
- „Palaikymo riba" – ribos, kuriose pavara nereguliuojama. Pav. jei užduota palaikymo temperatūra 40 laipsnių, o palaikymo riba +/- 1 laipsnis, tai normalia stabilizacijos temperatūra laikoma 39...41 laipsnis. Kai temperatūra krenta žemiau užduotos minus palaikymo riba (pavyzdyje 40 - 1 = 39 laipsniai), trieigis/ketureigis pradedamas atidarinėti. Jei daugiau užduotos plius palaikymo (pavyzdyje 40 + 1 = 41 laipsnis), trieigis/ketureigis pradedamas uždarinėti. Kai pasiekiama į ribas įeinanti temperatūra – pavara stabdoma;
- „PID atidarymo laikas“, „PID uždarymo laikas". – užduodame pavaros reguliavimo greitį. Inercija skirtingose šildymo sistemose skirtinga, skirtingos ir pačios pavaros bei trieigiai/ketureigiai ventiliai, vienur reikia pavarą sukt greičiau, kitur – lėčiau. Pavara sukama 1 sekunde, tada daroma šiame punkte užduota pauzė ir ciklas kartojasi. Su ESBE 240 sekundžių pavara ir ESBE ketureigiu optimalus pauzės laikas – 20 ... 25 sekundžių. Pastaba: jei pavara „persistengia“ ir per daug nusuka į priešingą pusę iki temperatūra keturšakio išėjime pasiekia užduotą, reikia mažinti greitį (didinti laiką šiuose punktuose);
- „Dinaminis greitis" - jei įjungtas, aukščiau esančiuose punktuose užduotas laikas, priklausomai nuo sąlygų, dinamiškai mažinamas (kai reikia, valdiklis didina greitį);
- „Išorės korekcija +xxxC per 10C" – jei naudojama lauko daviklio korekcija užduotai palaikymo temperatūrai, xxx nurodo kiek palaikymo temperatūra keisis lauko temperatūrai pakitus dešimčia laipsnių. Nekoreguojanti lauko temperatūra yra +10 laipsnių (galima pasikeisti žemiau esančiame meniu punkte). Jei lauke tiek ir bus, palaikymo temperatūra nesikeis. Jei lauke bus šilčiau, palaikymo temperatūra mažės, jei lauke bus šalčiau – kils. Pav.: Užduota palaikymo temperatūra yra 40 laipsnių, korekcija – 2 laipsniai, lauke 20 laipsnių. Tada 20-10(nulinis atskaitos taškas) = 10 laipsnių. Per 10 laipsnių nurodyta kad koreguoti 2 laipsniais, tad palaikymo temperatūra bus 40-2= 38 laipsniai. Jei duotomis sąlygomis lauke bus -20 laipsnių, tai skirtumas nuo nulinio atskaitos taško bus 30 laipsnių, kas palaikymo temperatūra koreguoja 6 laipsniais, taigi palaikymo temperatūra jau bus 46 laipsniai. Jei sumažiname korekciją iki nulio - lauko korekcija išsijungia;
- „Autoadaptacija" – naudojant vidaus daviklį, priklausomai nuo to, kiek per parą laiko patalpoje trūko arba buvo perdaug temperatūros, automatiškai koreguoja užduotą palaikymo temperatūrą. Automatinio apsimokymo procesas vyksta keletą dienų. Jei patalpų šildymas nepastovus arba vidaus temperatūra kaitaliojama dienos bėgyje per kalendorių, ši opcija nerekomenduojama
- „Lauko >0< temperatūra" - nulinis lauko korekcijos atskaitos taškas. Nuo šios temperatūros matuojama lauko korekcija;
- „Vidaus korekcija +xxxC per 1C" – xxx nurodo kiek palaikymo temperatūra keisis vidaus temperatūrai pakitus vienu laipsnių. Nekoreguojanti vidaus temperatūra yra +22 laipsnių (ją galime pasikeisti žemiau esančiame meniu punkte). Jei patalpoje tiek ir bus, palaikymo temperatūra nesikeis. Veikia analogiškai kaip ir lauko korekcija. Sumažinus vertę iki nulio, vidaus korekcija išjungiama;
- „Vidaus daviklis" - jei įjungta vidaus korekcija, čia nurodome pagal kurį vidaus davikli daroma korekcija;
- „Vidaus >0< temperatūra" - "nulinė" (nekoreguojanti) vidaus korekcijos temperatūra. Taipogi naudojama kaip atskaitos taškas autoadaptacijos funkcijai;****
- „Blokuočių daviklio numeris" - pagal kurį daviklį veikia toliau esančios pavaros išjungimo ir atidarymo temperatūros. Paprastai nurodomas katilo išėjimo numeris, bet jei naudojama akumuliacinė talpa, nurodome trieigio/ketureigio įėjimo daviklio numerį;*
- „Pavaros išjungimo temperatūa" – kai katilo išėjime mažiau negu užduota šiame punkte – keturšakio pavara blokuojama (kad ataušus katilui bereikalingai nesukinėtu);*
- „Keturšakio atidarymo temperatūra" – jei pavara neblokuota (dėl per mažos katilo temperatūros), bet jo temperatūra mažesne už nurodytą šiame punkte – trieigis/ketureigis uždaromas. Taip leidžiama katilui greičiau pasiekti darbinę temperatūrą. Katilo temperatūrai viršijus čia nurodytą ribą – pereinama į pavaros reguliavimo režimą;*
- „Avarinė atidarymo temperatūra" – jei katilo temperatūra viršija užduotą avarinę temperatūrą – pavara priverstinai atidaroma, taip nuvedant šilumą nuo katilo į radiatorius;**
- „Korekcija virš 95" – jei įjungtas šis parametras, katilo temperatūrai pakilus virš 95 laipsnių tiek kiek temperatūra viršija 95 pakeliama ir palaikoma temperatūra (pav. jei užduota palaikymas 40 laipsniu, o katilo išėjime 102 laipsniai, tai palaikymo temperatūra padidinama iki 47 laipsniu (40 + (102-95)). Naudinga nuvedant perteklinę šilumą nuo katilo į radiatorius;
- „Ventiliatoriaus startas pavarą uždaro/neuždaro" – jei naudojama ventiliatoriaus valdymo funkcija, galima pasirinkti, kad, paspaudus ant valdiklio mygtuką ir paleidus ventiliatorių katilo užkūrimo režimu, ar uždaryti pavara, tuo pačiu leidžiant katilui greičiau užkaisti. Jei nenaudojama akumuliacinė talpa, rekomenduojama opcija įjungti.
- „1 (2...8) globaliame režime +/-" - jei naudojame globalius išėjimus, nurodome, kuriuose režimuose pavara dirba. Nenaudojant globalių - ant visu statome pliusus;
- „Pavara stovi ant katilo įėjimo/išėjimo" - pavaros montavimo vieta, ar ant katilo (akumuliacinės talpos) išeinamojo, ar ant paduodamojo vamzdžio;
- „Logika ARBA" - įjungus logiką ARBA ir nurodžius sekama išėjimą, jei pavara blokuota pagal blokuotės daviklį, bet sekamas išėjimas suveikęs - blokuotė anuliuojama (pav. esant šaltam katilui ir šaltai akumuliacinei talpai galima paleisti pavarą, paprastai naudojama kai yra antras šilumos šaltinis (saulės kolektorius ar geoterminis));
- „Logika IR" - įjungus logiką IR bei nurodžius sekama išėjimą, jei sekamas išėjimas išjungtas, pavara taip pat blokuojama (pav. išsijungė kolektoriaus cirkuliacinis siurblys (nes visi kontūrai uždaryti), siurblio išėjimas sustabdo pavarą);
- „Negaliojant režimui pavara stovi/uždaro/atidaro" - kaip elgtis pavarai, jei įjungtas režimas, kuriame užstatytas minusas (negalioja) arba pavara blokuota pagal logiką;
- „Antiatvėsimas" - jei įjungta ši opcija, o nurodyto vidaus daviklio temperatūra nukrenta žemiau už nurodytą vidaus korekcijos nulinę temperatūrą, palaikymo temperatūra pakeliama tiek laipsnių, kiek nurodyta žemiau esančiame punkte. Originali užduota palaikymo vertė sugražinama, kai vidaus daviklis sušyla dviem laipsniais daugiau už nulinę palaikymo temperatūra. Jei naudojame šia opciją, rekomenduojama išjungti vidaus korekciją;
- „Antiatvėsimo temperatūra" - kiek pakelti palaikymo temperatūra. Reguliuojasi nuo 3 iki 27 laipsnių trijų laipsnių žingsniu.
23. Meniu - funkcijos - cirkuliaciniai siurbliai23
„Meniu"-„Nustatymai"-„Sisteminiai nustatymai“ įjungiame kiek sistemoje naudosime specializuotų siurblio funkcijų.
- „Siurblio išėjimas Nr...“ – pasirenkame prie kurio valdiklio išėjimo pajungtas cirkuliacinis siurblys;
- „Siurblys paprastas/intelektualus“ – pasirenkame valdomo siurblio tipą;
- „Siurblys pagal..“ - pagal kurį daviklį veikia siurblio algoritmas. Jei neturime akumuliacinių talpų - nurodome katilo išėjimą, jei turime - paprastai nurodomas trieigio įėjimo daviklis;
- „Apatinė įjungimo temperatūra“ – iki šios katilo temperatūros siurblys išjungtas;
- „Viršutinė įjungimo temperatūra“ – virš šios katilo temperatūros siurblys veikia pastoviai;
- „Sąlyga“ – jei nenaudojama, pasirinktas išėjimas valdomas tik pagal čia užduotus parametrus. Jei siurblio išėjimas randamas programose, ta programa ignoruojama. Pasirinkus „ARBA“, siurblio išėjimas aktyvuosis tiek pagal programas, tiek ir pagal šios funkcijos užduotus parametrus. Jei pasirenkame „IR“, siurblys bus įjungtas tik tada, jei duotasis išėjimas bus įjungtas nors vienoje programoje ir tuo pat metu atitiks čia užduotus parametrus. Pavyzdžiui programoje užstatom periodiškumą su laiku, tai siurblys veiks tik leistu laiku;
- „Diferencialinis stabdymas“ - jei užsidaro dauguma radiatorių, temperatūrų skirtumas tarp paduodamojo ir grįžtamojo kolektorių sumažėja. Jei katilo temperatūra aukštesnė už viršutinę pulsinę temperatūrą, siurblys dirba pastoviai, o jei radiatoriai užsidarę – siurblys dirba tuščiai. Jei įjungtas diferencialinis stabdymas, sumažėjus temperatūrų skirtumui siurblys pereina į pulsinį režimą su fiksuotu periodu (4 sekundes sukasi, 26 sekundes stovi). Diferencialiniam stabdymui naudojami parametrai:
- „Grįžtamojo daviklio numeris“, „Paduodamojo daviklio numeris“ – daviklių numeriai ant grįžtamojo ir paduodamojo kolektorių. Naudojama tik diferencialiniam stabdymuii;
- „Diferencialinio skirtumo temperatūra“ – jei temperatūrų skirtumas mažesnis už duotąjį, siurblys pereina į pulsuojantį režimą. Skirtumui pakilus virš šios ribos, siurblys vėl sukasi pastoviai. Jei nėra bent vieno iš šioje funkcijoje naudojamų daviklių arba katilo temperatūra žemesnė už viršutinę pulsinę temperatūrą arba grįžtamoji temperatūra aukštesnė už paduodamąją, diferencialinis siurblio stabdymas išjungiamas;
- „1 (2...8) globaliame režime +/-“ - jei naudojame globalius išėjimus, nurodome, kuriuose režimuose siurbliui leista dirbti. Nenaudojant globalių - ant visu statome pliusus;
24. Meniu - funkcijos - Kolektorius24
„Meniu"-„Nustatymai"-„Sisteminiai nustatymai" pasirenkame kiek kontūrų valdysime.
„Meniu"-„Funkcijos"-„Kolektorius"-„1...16 patalpos":
- „Kontūro išėjimas" - pasirenkame, kuris valdiklio išėjimas valdo duotąją patalpą;
- „Naudojamas 1 daviklis/2 davikliai" - Grindiniam šildymui naudojamas betone esantis daviklis ir kaip papildomas - oro. Radijatoriniam šildymui - tik oro daviklis. Jei naudojama tik vienas grindų arba oro daviklis - nurodome vieną, jei ir oro ir grindų - nurodome du;
- „Kontūro daviklis" - pagal kurį davikli palaikoma temperatūra, kai naudojamas vienas daviklis;
- „Oro daviklis" - oro temperatūros daviklio numeris (kai naudojami du davikliai);
- „Grindų daviklis" - grindų temperatūros daviklio numeris (kai naudojami du davikliai);
- „Užduota grindų temperatūra" - užduota betono temperatūra, kai naudojami du davikliai;
- „Oro temperatūra šildymą stabdo/nestabdo" - dviejų daviklių variante oro temperatūra naudojama palaikomos grindų temperatūros vidaus korekcijai. Bet šioje opcijoje galima užduoti, kad oro temperatūrai pasiekus užduotą vertę grindų šildymas būtu išjungiamas;
- „1 (2...6 termorežimas temperatūra)" - atitinkamai užduotos visos šešios temperatūros, kurias galima kaitalioti automatiškai savaitinio kalendoriaus pagalba arba pakeisti rankomis per
- „Meniu"-„Greiti nustatymai" pasirenkant atitinkamą patalpą;
- „Savaitinis kalendorius" - čia kiekvienai savaitės dienai kiekvienai valandai užsiduodame kuria iš aukščiau nustatytų temperatūrų ijungti. Savaitinis kalendorius junginėja temperatūras tik tada, kai per „Meniu"-„Greiti nustatymai" atitinkamoje patalpoje užduodame AUTO režimą;
- „Histerezė" - palaikomos temperatūros histerezė;
- „L. kor. XX/10C" - užduotos palaikomos temperatūros lauko korekcijos gylis, analogiškai kaip ir PID;
- „Blokuotės daviklis" - blokuotės daviklio numeris. Jei nenaudojama akumuliacinė talpa, paprastai nurodomas išėjimo numeris, bet jei naudojama - nurodome trieigio įėjimo daviklio numerį;
- „Blokuotės temperatūra" - iki šios temperatūros kontūras būna uždarytas. Leidžia greičiau užkaisti katilui. Akumuliacinės iškrovimo metu blokuotės neveikia;
- "Kolektoriaus siurblys“ - jei kolektoriuje naudojame atskirą siurblį, pasirenkame kuriame išėjime jis prijungtas. Siurblys įjungiamas jei aktyvuojamas nors vienas kolektoriaus kontūras, kuriame nurodytas šis siurblys;
- „1 (2...8) globaliame režime +/-“ - jei naudojame globalius išėjimus, nurodome, kuriuose režimuose kontūrui leista dirbti. Nenaudojant globalių - ant visų statome pliusus;
- „Sąlyga“ – jei nenaudojama, pasirinktas išėjimas valdomas tik pagal čia užduotus parametrus. Jei kontūro išėjimas randamas programose, ta programa ignoruojama. Pasirinkus „Arba“, kontūro išėjimas aktyvuosis tiek pagal programas, tiek ir pagal šios funkcijos užduotus parametrus. Jei pasirenkame „IR“, kontūras bus įjungtas tik tada, jei duotasis išėjimas bus įjungtas nors vienoje programoje ir tuo pat metu atitiks čia užduotus parametrus. Pavyzdžiui, programoje užstatome periodiškumą su laiku, tai kontūras veiks tik leistu laiku;
25. Meniu - funkcijos - Boileris25
„Meniu"-„Nustatymai"-„Sisteminiai nustatymai“ įjungiame boilerio naudojimą.
„Meniu"-„Funkcijos"-„Boileris":
- „Boilerio daviklis 1,2,3“ – pasirenkame atitinkamus boilerio daviklių numerius. Boilerije gali būti iki trijų temperatūros daviklių. Sistema algoritme naudoja karščiausią iš jų. Jei naudojama mažiau kaip trys - nurodome tą patį numeri visiems;
- „Karštasis daviklis 1, 2“ – daviklių, su kuriuo lyginama boilerio temperatūra, numeriai. Paprastai nurodomas katilo išėjimo numeris, bet, jei naudojama akumuliacinė talpa arba keli katilai, nurodomas daviklis, stovintis ten, iš kur pasiduoda vanduo į boilerį. Galima nurodyti du karštuosius daviklius, algoritme naudojamas tas, kuris esamu momentu karštesnis. Jei naudojamas vienas - abu nurodome tą patį daviklį;
- „Boilerio išėjimo Nr.“ – pasirenkame prie kurio valdiklio išėjimo pajungtas boilerio siurblys ar termovožtuvas;
- „Boilerio sąlyga“ – papildoma sąlyga atidaryti boilerio vožtuvui. Jei užduota „nenaudojama“, boilerio vožtuvas valdomas kaip aprašyta aukščiau. Nurodžius „ARBA“ ar „IR“ boilerio išėjimą gali aktyvuoti ir bendrosios kontrolerio programos. Jei pasirinktas sąlygos režimas „ARBA“, tai boilerio vožtuvas atidaromas ir kai karštojo daviklio temperatūra aukštesnė už boilerio, ir kai nors viena programa aktyvuoja boilerio išėjimą (užtenka bet kurios sąlygos). Jei pasirinktas „IR“ režimas, boilerio vožtuvas atidaromas tik kai karštojo daviklio temperatūra aukštesnė už boilerio ir kai nors viena programa aktyvuoja boilerio išėjimą (būtinos abi sąlygos). Pavyzdžiui, trečioje programoje nurodytas laikas nuo 18 iki 23 ir pasirinktas boilerio išėjimas, tai boileris bus šildomas tik nurodytu laiku. Arba kažkurioje programoje nurodome, kad išėjimas aktyvuosis tik esant katilo temperatūrai daugiau kaip 65 laipsniai, tai vanduo bus šildomas tik tenkinant šią sąlygą;
- „įjungiamas kai Tk>Tb per...“ - užduodame, kiek karštasis daviklis turi būti karštesnis už boilerį, kad būtu paleidžiamas vandens srautas;
- „Išjungiamas kai Tk
“ - užduodame, kiek karštasis daviklis turi būti šaltesnis už boilerį, kad būtu stabdomas vandens srautas; - „Maksimali boilerio temperatūra“ - boileriui pasiekus šią temperatūrą vožtuvas uždaromas. Skirta sistemoms, kuriose katilo darbinė temperatūra yra virš 80 laipsnių (jei nėra karšto vandens temperatūra pažeminančio termostato, taip apribojama maksimali į čiaupus tiekiamo vandens temperatūra).
- „Minimali katilo temperatūra“ - iki šios katilo temperatūros boilerio išėjimas bus išjungtas. Leidžia greičiau užkaisti katilui;
- „Blokuotės daviklis...“ „Minimali blokuotės temperatūra“ - susijusios opcijos. Kol nurodytas blokuotės daviklis šaltesnis už nurodyta temperatūra - boileris nešildomas. Jei boilerį šildome nuo katilo, nurodome katilo išėjimo davikli, jei norime šildyti nuo akumuliacinės talpos - nurodome daviklį, stovinti ant pavaros įėjimo. Kol katilas neikaitęs, blokuotė pagreitina jo užkaitimą;
- „Elektrinis tenas“, „El. min. boil. temper.“, „El. kat. blok. temper.“ - Valdiklis per papildomą rėlė gali valdyti ir elektrini boilerio teną. Nurodome, kuriame išėjime pajungtas tenas, minimalią boilerio temperatūrą, esant žemiau kurios elektrinis šildymas bus įjungiamas priverstinai (jei kūrenasi katilas, bet pritrūksta jo srauto ir vandens temperatūra boileryje nukrenta iki kritinės ribos (tarkim 38 laipsnių), įjungiamas elektrinis tenas pagreitina vandens pašildymą). Blokuotės temperatūra - jei katile daugiau už ją, papildomas elektrinis šildymas nebejungiamas.
- „Šildant elektra boileris uždaromas/neuždaromas“ - kai įjungtas elektrinis tenas ar blokuoti šildymą iš katilo;
- „Recirkuiacija naudojama/nenaudojama“ - aktyvuoja recirkuliaciją;
- „Recirkuliacijos temperatūra“ - prie kurios boilerio viršutinio daviklio (T1 pagal aukščiau pateiktą schemą) temperatūros įjungiamas recirkuliacinis siurblys;
- „Recirkuliacijos išėjimo numeris“ - išėjimo, prie kurio pajungtas recirkuliacinis siurblys, numeris;
- „Boilerio apatinio daviklio numeris“ - recirkuliacijos funkcijai reikalingas boilerio apačios daviklis (T2 pagal aukščiau pateiktą schemą);
- „Recirkuliacinio išėjimo sąlyga“ - analogiška boilerio sąlygai, tik čia dėl recirkuliacinio siurblio išėjimo;
- „Tūris“ - boilerio tūris litrais, naudojama tik atvaizdavimui;
- „Kamino blokuotė naudojama/nenaudojama“ - kadangi kamino temperatūra tiksliausiai atspindi katilo gesimo momentą, galima pagal kamino temperatūra išjungti boilerio šildymą (esant akumuliacinėms talpoms, galima situacija kai katilo išėjime lieka aukšta temperatūra, bet prasideda atbulinis srautas iš boilerio į katilą ir akumuliacinę talpą, taip iš boilerio "vagiamas" karštas vanduo) ;
- „Kamino blokuotės temperatūra“ - žemiau šios kamino temperatūros boilerio išėjimas išjungiamas. Dažniausiai buna tarp 80,,,100 laipsnių;
- „1 (2...8) globaliame režime +/-“ - jei naudojame globalius išėjimus, nurodome, kuriuose režimuose boilerio išėjimui leista dirbti. Nenaudojant globalių - ant visu statome pliusus;
- „Boilerio prioritetas“ - opcija, skirta naudoti vasarą. Jei užduotas prioritetas, katilui kūrenantis akumuliacinių talpų vožtuvai laikomi uždaryti, kol boileris sušils iki sekančiame punkte užduotos temperatūros;
- „Prioriteto išjungimo temperatūra“ - prie kurios boilerio temperatūros išsijungia prioritetas.
26. Meniu - funkcijos - Katilo ventiliatorius 26
- „Ventiliatorius išėjimo numeris“ – pasirenkame prie kurio valdiklio išvado pajunktas ventiliatorius;
- „Apatinė ventiliatoriaus temperatūra“ – iki šios temperatūros ventiliatorius dirba pastoviai. Rekomenduojama 80...82C;
- „Viršutinė ventiliatoriaus temperatūra“ - virš šios temperatūros ventiliatorius išjungtas. Tarp abiejų temperatūrų ventiliatorius dirba tolygiai mažindamas sūkius. Kuo aukštesne temperatūra duotajame intervale, tuo sūkiai mažesni. Rekomenduojama 3... 7 laipsniais daugiau už apatinę temperatūrą;
- „PT100 daviklis naudojamas/nenaudojamas“ - jei turime kamino daviklį, pagal jį efektyviausia nustatyti katilo užgesimo momentą. Jei daviklio nėra - ventiliatorius stabdomas pagal katilo temperatūrą. Rekomenduojama pagal PT100;*
- „Išjungimo temperatūros riba“- katilui gęstant, žemiau šios temperatūros ventiliatorius išjungiamas (analogiškai atmos užkūrimo rankenėlės darbui), katilui užsikuriant - prie šios ribos iš užkūrimo režimo pereinama į darbinį. Jei naudojamas kamino daviklis (PT100), matuojama kamino temperatūra, jei jo nėra - katilo išėjimo temperatūra;
- „Ventiliatorius dirba pilnas algoritmas/tik pakurstymas“ – įprastai naudojamas pilnas algoritmas. Bet jei užkuriant ventiliatorius reikalingas trumpam, o po to kaminas traukia savaime - galima įjungtitik trumpalaikį ventiliatoriaus darbą;
- „Kurstymo laikas“ – po šio laiko automatiškai išsijungs kurstymo režimas;
- „Ventiliatorius ištraukiantis/paduodantis“ – nurodome, kur stovi katilo ventiliatorius: ištraukia dūmus ar paduoda orą. Nuostata reikalinga kurstymo režimui, nes, atidarant dureles, jei ventiliatorius stovi ant ištraukimo, reikia jį įjungti, jei stovi ant padavimo – reikia jį išjungti.
- „Kamino temperatūra ventiliatorių stabdo/nestabdo“ – užkaitus kaminu, valdiklis gali sumažinti ventiliatoriaus sūkius. Jei ši opcija išjungta - kamino temperatūra neįtakoja sūkių. Naudojant šią opciją sukius mažina tiek katilo temperatūra, tiek kaminas;
- „Apatinė stabdymo temperatūra“ – iki šios temperatūros kaminas neįtakoja ventiliatorius sūkių. Rekomenduojama ~300C;
- „Viršutinė stabdymo temperatūra“ – virš šios temperatūros ventiliatorius išjungtas. Tarp abiejų temperatūrų ventiliatorius tolygiai mažina sūkius. Kuo aukštesne temperatūra duotajame intervale, tuo sūkiai mažesni. Rekomenduojama 30... 50 laipsniais daugiau už apatinę temperatūrą;
27. Meniu - funkcijos - Ladomatas27
Standartinis variantas
„Meniu"-„Nustatymai"-„Sisteminiai nustatymai“ įjungiame ladomato naudojimą.„Meniu"-„Funkcijos"-„Ladomatas":
Standartinio varianto ladomato funkcijos meniu:
- „Ladomatas paprastas/su trieige pavara“ - pasirenkame "paprastas";
- „Ladomato siurblio išėjimo numeris..“ – nurodome, prie kurio valdiklio išėjimo pajungtas cirkuliacinis ladomato siurblys;
- „Ladomatas pagal kamino/katilo daviklį“ - idealiausia ladomatą valdyti pagal kamino temperatūrą. Jei turime kamine daviklį - nurodome kamino, jei kamino daviklio neturime - katilo;
- „Katilo išėjimo temperatūra“ – jei naudojamas algoritmas pagal katilo išėjimo temperatūra, virš šios temperatūros ladomato siurblys sukamas pastoviai.
- „Kamino temperatūra“ – jei naudojamas algoritmas pagal kamino daviklį, ladomato siurblys sukamas kai temperatūra kamine aukštesnė už duotąją;
- „Katilo įėjimo temperatūra“ – jei naudojamas algoritmas pagal katilo išėjimo temperatūra ir turime daviklį katilo įėjime, virš šios įėjimo temperatūros ladomato siurblys sukamas pastoviai;
- „Paleidimo užkūrimo temperatūra“ - jei naudojama katilo užkūrimo funkcija, užkūrimo metu ladomatas paleidžiamas anksčiau nuo šios nurodytos temperatūros (veikia jei pasirinkta pagal katilo išėjimą)
Alternatyvus varijantas
- „Ladomatas paprastas/su trieige pavara“ - pasirenkame "su trieige pavara";
- „Pavaros išėjimo Nr. ...“ - nurodome prie kurių išėjimų poros pajungta trieigė pavara;
- „Ladomato siurblio išėjimo numeris..“ – nurodome, prie kurio valdiklio išėjimo pajungtas cirkuliacinis ladomato siurblys;
- „Ladomatas pagal kamino/katilo daviklį“ - idealiausia ladomatą valdyti pagal kamino temperatūrą. Jei turime kamine daviklį - nurodome kamino, jei kamino daviklio neturime - katilo;
- „Katilo išėjimo temperatūra“ – jei naudojamas algoritmas pagal katilo išėjimo temperatūra, virš šios temperatūros ladomato siurblys sukamas pastoviai.
- „Kamino temperatūra“ – jei naudojamas algoritmas pagal kamino daviklį, ladomato siurblys sukamas kai temperatūra kamine aukštesnė už duotąją;
- „Katilo įėjimo temperatūra“ – jei naudojamas algoritmas pagal katilo išėjimo temperatūra ir turime daviklį katilo įėjime, virš šios įėjimo temperatūros ladomato siurblys sukamas pastoviai;
- "Paleidimo užkūrimo temperatūra" - jei naudojama katilo užkūrimo funkcija, užkūrimo metu ladomatas paleidžiamas anksčiau nuo šios nurodytos temperatūros (veikia jei pasirinkta pagal katilo išėjimą);
- „Pavaros laikas XX sek.“ - pavaros greitis. Jei naudojama 120 sekundžių pavara - laikas turi būti apie 50,,,60, jei naudojama 240 sekundžių pavara - laikas apie 25,,,30;
- „Palaikoma įėjimo temperatūra“ - kokia temperatūrą norime palaikyti katilo įėjime.
28. Meniu - funkcijos - Akumuliacinė talpa28
„Meniu“-„Nustatymai“-„Sisteminiai nustatymai“ įjungiame kiek sistemoje naudosime akumuliacinių talpų.
- „Pirmos talpos išėjimo numeris“ - prie kokio valdiklio išėjimo pajungtas pirmos akumuliacinės talpos termovožtuvas. Jei talpų nevaldome, nurodome nenaudojamą išėjimą (pav. 32)
- „1 talpoje naudojami ... davikliai“ – kiek termodaviklių įmontuota į pirmąją talpą. Jei talpa viena - galima naudot nuo vieno daviklio viršuje iki keturių. Jei talpos kelios - algoritmui minimum reikia dviejų daviklių (davikliai talpos viršuje ir apačioje). Kuo daugiau daviklių - tuo tiksliau matome talpos įkrovą;
- „1 talpos daviklio numeris...“ – nurodome pirmosios talpos viršutinio daviklio numerį. Jei naudojami daugiau kaip vienas – likę privalo būti sekantys iš eilės (pav: priskiriame dešimtą daviklį, o naudojame tris, tada viršutinis bus 10, vidurinis - 11, apatinis - 12);
- „1 akumuliacinės tūris“ - nurodoma, kokia akumuliacinės talpa. Naudojama dėl rodomos įkrautos energijos paskaičiavimo;
- „Antros talpos išėjimo numeris“ - prie kokio valdiklio išėjimo pajungtas antros akumuliacinės talpos termovožtuvas. Jei talpų nevaldome, nurodome nenaudojamą išėjimą (pav. 31)
- „2 talpoje naudojami ... davikliai“ – kiek termodaviklių įmontuota į antrąją talpą;
- „2 talpos daviklio numeris...“ – nurodome antrosios talpos viršutinio daviklio numerį. Jei naudojami daugiau kaip vienas – likę privalo būti sekantys iš eilės;
- „2 akumuliacinės tūris“ - nurodoma, kokia akumuliacinės talpa. Naudojama dėl rodomos įkrautos energijos paskaičiavimo;
- „Trečios talpos išėjimo numeris“ - prie kokio valdiklio išėjimo pajungtas trečios akumuliacinės talpos termovožtuvas. Jei talpų nevaldome, nurodome nenaudojamą išėjimą (pav. 30)
- „3 talpoje naudojami ... davikliai“ – kiek termodaviklių įmontuota į trečiąją talpą;
- „3 talpos daviklio numeris...“ – nurodome trečios talpos viršutinio daviklio numerį. Jei naudojami daugiau kaip vienas – likę privalo būti sekantys iš eilės;
- „3 akumuliacinės tūris“ - nurodoma, kokia akumuliacinės talpa. Naudojama dėl rodomos įkrautos energijos paskaičiavimo;
- „PT100 kamine nenaudojamas/naudojamas“ –Jei katilas turi kamino davikli - nurodome kad naudojamas;
- „Krovos temperatūra“ – jei neturime kamino daviklio, akumuliacinė pereina į pakrovimą kai katilo temperatūra aukštesne už šia. Jei turime kamino daviklį - ši temperatūra veikia kaip apsauginė funkcija talpų kaskadavime: krovimas pradedamas pagal kamino temperatūra, o jei katilas pasiekia šiame punkte nurodyta ribą - atidaromi visu talpų vožtuvai, siekiant nuvesti katilo temperatūros perteklių. Taipogi, jei naudojamas boilerio prioritetas, katilui pasiekus šią temperatūrą, prioritetas išsijungia. Jei nenaudojame kamino daviklio, paprastai nustatome 70...75C temperatūrą, jei nudojame - 87...93C;
- „Iškrovos temperatūra“ - katilo temperatūrai nukritus žemiau šios ribos pereinama į iškrovimą. Naudojama tik jei išjungtas kamino daviklis;
- „PT100 krovimo ON temperatūra“ – krovimas pradedamas kaminui įkaitus iki šios temperatūros. Naudojama tik jei įjungtas kamino daviklis;
- „PT100 krovimo OFF temperatūra“ – iškrovimas (katilo išsiurbimas) pradedamas kaminui atvėsus iki šios temperatūros. Naudojama tik jei įjungtas kamino daviklis;
- „Pakrovimo kaskadavimas“ - jei naudojamas, pakrovimo metu talpos kaskaduojamos. Jei neleidžiamas, pakrovimo metu visos talpos atidaromos kartu;
- „Iškrovimo kaskadavimas“ - jei naudojamas, iškrovimo metu talpos kaskaduojamos. Jei neleidžiamas, iškrovimo metu visos talpos atidaromos kartu;
- „Katilo išsiurbimas naudojamas/nenaudojamas“ – jei naudojamas, pereinant sistemai i iškrovimą ųždaromi akumuliacinių vožtuvai ir per ladomato apsaugini vožtuvą (jei naudojamas alternatyvus ladomato varijantas - per persukta ladomato pavarą) iš katilo nuvedama likutinė šiluma. Jei Nenaudojamas - iškarto pereinama į iškrovimą, vožtuvai neuždaromi, ladomato pavara persukama iškarto į katilo atjungimo pusę (pilnai uždarant galimą srautą per katilą);
- „Katilo vožtuvas naudojamas/nenaudojamas“ – jei naudojamas, talpų iškrovimo metu paduodama įtampa į nurodytą sekančiame punkte išėjimą NO vožtuvui uždaryti (dėl parazitinio srauto prevencijos).
- „Katilo vožtuvo išėjimas“ - parazitinio srauto uždarymo vožtuvo išėjimas;
- „A1 1 (2...8) globaliame režime +/-" - jei naudojame globalius išėjimus, nurodome, kuriuose režimuose dirba pirmoji talpa. Nenaudojant globalių - ant visu statome pliusus;
- „A2 1 (2...8) globaliame režime +/-" - jei naudojame globalius išėjimus, nurodome, kuriuose režimuose dirba antroji talpa. Nenaudojant globalių - ant visu statome pliusus;
- „A3 1 (2...8) globaliame režime +/-" - jei naudojame globalius išėjimus, nurodome, kuriuose režimuose dirba trečioji talpa. Nenaudojant globalių - ant visu statome pliusus;
- „Boilerio prioritetas“ - opcija, skirta naudoti vasarą. Jei užduotas prioritetas, katilui kūrenantis akumuliacinių talpų vožtuvai laikomi uždaryti, kol boileris sušils iki sekančiame punkte užduotos temperatūros;
- „Prioriteto išjungimo temperatūra“ - prie kurios boilerio temperatūros išsijungia prioritetas.
29. Meniu - funkcijos - apšvietimas29
„Meniu“-„Nustatymai“-„Sisteminiai nustatymai“ įjungiame kiek išėjimų naudosime apšvietimui valdyti.
„Meniu“-„Nustatymai“-„Sisteminiai nustatymai“ nustatome esamos vietovės geografinę koordinatę (gamyklinis nustatymas - Biržų koordinatė).
- „Apšvietimo išėjimas“ - pasirenkame, per kurį valdiklio išėjimą valdome apšvietimą;
- „Apšvietimas“ – „įsijungs“ ir „išsijungs“ - atitinkamai galima pasiankstinti arba pasivėlinti laiką iki 125 minučių;
- „Sąlyga" - galima naudoti papildomą sąlygą apšvietimo įjungimui/išjungimui (pav. naktį nuo vidurnakčio iki šeštos ryto apšvietimą išjungt). Jei sąlyga nenurodyta, apšvietimas dirba tik pagal saulės tekėjimo ir leidimosi laiką. Jei pasirinktas sąlygos režimas „ARBA“, tai apšvietimas įjungiamas ir kai saulė nusileidus, ir kai nors viena programa aktyvuoja apšvietimo išėjimą (užtenka bet kurios sąlygos). Jei pasirinktas „IR“ režimas, apšvietimas įjungiamas tik nusileidus saulei ir kai nors viena programa aktyvuoja apšvietimo išėjimą (būtinos abi sąlygos). Pavyzdžiui, jei norime kad apšvietimas dirbtų ir dieną, tai nurodome sąlygą „Arba“ ir programose nurodome laiką dieną, kada reikia apšvietimą įjungti, bei apšvietimo išėjimo numerį. Šviesa degs ir kai nusileis saulė, ir kai suveiks programa. Kitas pavyzdys: norime kad apšvietimas degtų tik vakare, o naktį užgęstų. Tada pasirenkame sąlygą „IR“, kurioje nors programoje nurodome laiką, tarkim nuo pietų iki laiko naktį, kai norime kad įsijungtų, bei apšvietimo išėjimo numerį. Šviesa degs tik tada, kai nusileis saule ir kol bus aktyvi programa.
30. Meniu - funkcijos - saulės kolektorius30
- „Saulės kolektoriaus daviklis 1“ – pasirenkame saulės kolektoriuje esančio daviklio numerį;
- „Saulės kolektoriaus daviklis 2“ – jei naudojame du kolektorius su atskirais davikliais, antrojo daviklio numeris. Jei naudojame tik vieną - nurodome tą patį, kaip ir pirmąjį;
- „Saulės kolektoriaus daviklis 3“ – jei naudojame tris kolektorius su atskirais davikliais, trečiojo daviklio numeris. Jei naudojame mažiau - nurodome tą patį, kaip ir pirmąjį;
- „Saulės kolektoriaus daviklis 4“ – jei naudojame keturi kolektorius su atskirais davikliais, ketvirtojo daviklio numeris. Jei naudojame mažiau - nurodome tą patį, kaip ir pirmąjį;
- „Saulės boilerio daviklio Nr...“ – pasirenkame saulės boileryje apačioje esančio daviklio numerį. Optimaliam algoritmo darbui naudojamas boilerio apačioje esantis daviklis;
- „Siurblio išėjimo Nr.“ – pasirenkame prie kurio kontrolerio išėjimo pajungtas saulės boilerio siurblys;
- „Minimali skirtumo temperatūra“, - apatinė DT riba, iki šios temperatūros siurblys stovi;
- „Maksimali skirtumo temperatūra“, – viršutinė DT riba, virš jos siurblys sukamas pastoviai;
- „Gyvatuko įėjimo daviklio Nr.“ – jei statomas daviklis boilerio gyvatuko įėjime, nurodome jo numerį;
- „Gyvatuko išėjimo daviklio Nr.“ – jei statomas daviklis boilerio gyvatuko išėjime, nurodome jo numerį
- „Diferencialinis stabdymas" - ar naudojamas diferencialinio pristabdymo algoritmas. Opcija nerekomenduotina dėl sudėtingo jos suderinimo;
- „Gyvatuko išėjimo daviklio Nr." - diferencialinio stabdymo lyginimo daviklis;
- „Boilerio apačios daviklio Nr." - diferencialinio stabdymo antrasis lyginimo daviklis;
- „Diferencialinio skirtumo temperatūa" - temperatūros skirtumas tarp diferencialinio stabdymo daviklių, aukščiau kurios siurblys pristabdomas.
- „Diferencialinis greitis" - kiek procentų per minutę lėtinamas/greitinamas siurblys suveikus diferencialiniam pristabdymui;
- „2nd algoritmas" - 2nd algoritmo įjungimas;
- „2nd daviklis" - 2nd algoritmo daviklis. Nurodomas boilerio viršuje esantis daviklis;
- „2nd perjungia į ..." - daviklis, su kuriuo lyginama kai aktyvi 2nd funkcija. Jei šiluma nuvedama iš to paties boilerio, nurodomas boilerio viršuje esantis daviklis. Jei glikolio srautas perjungiamas į kita talpą, nurodomas tos talpos daviklio numeris;
- „"2nd aktyvavimo temperatūra" - 2nd algoritmo suveikimo temperatūra;
- „2nd išėjimas" - suveikus 2nd algoritmui, įjungimas čia nurodytas išėjimas;
- „Laiko blokuotė" - ar naudojamas siurblio blokavimas nusileidus saulei (valdiklis paskaičiuoja oficialų saulės tekėjimio ir leidimosi laika konkrečioje vietovėje, vietovės geografinės koordinatės įvedamos sisteminiame meniu);
- „Išsijungs ..." - galima paankstinti arba pavėlinti laiko blokuotės pradžią vakare;
- „Įsijungs" - galima paankstinti arba pavėlinti laiko blokuotės pabaigą ryte;
- „Virštemperatūrio blokuotė" - apsauginės funkcijos "virštemperatūris" įjungimas;
- „Virštemperatūrio įjungimo temperatūra" - prie šios temperatūros bus stabdomas siurblys;
- „Virštemperatūrio išjungimo temperatūra" - prie šios temperatūros siurblys vėl paleidžiamas;
- „Saulė KKK boilerio šildyma blokuoja/neblokuoja" - galima situacija, kai kūrenasi kieto kuro katilas ir tuo pačiu metu veikia saulės kolektorius. Jei norime kad boileri šildytu abu vienu metu - pasirenkame "neblokuoja", jei norime rezervuoti boilerį saulei - pasirenkame "blokuoja";
- „Alternatyvaus maksimumo greitis" - galima apriboti maksimalų siurblio greitį;
- „Galios skaičiavimas" - jei saulės kontūre sumontuotas elektroninis srauto skaitliukas, šis parametras įjungia galios atvaizdavimą grafiniame LCD;
- „Srauto skaičiavimas" - jei saulės kontūre sumontuotas elektroninis srauto skaitliukas, šis parametras įjungia srauto atvaizdavimą grafiniame LCD;
- „Siurblys prie D7 įjungtas/išjungtas" - prie valdiklio išvado D7 galima pajungti dažnio keitiklį (per suderinimo interfeisą), kuris valdys saulės siurblį.
31. Meniu - funkcijos - palyginimas31
Visų trijų palyginimų darbo algoritmas analogiškas, o nustatymai individualūs kiekvienai.
„Meniu“-„Nustatymai“-„Sisteminiai nustatymai“ įjungiame kiek palyginimo funkcijų naudosime.
„Meniu"-„Funkcijos"-„Palyginimas“:
- „Išėjimo numeris“ – pasirenkame kurį išėjimą valdo ši funkcija. Jei pasirinkta „nenaudojama“ – funkcija
- išjungta;
- „Daviklio A numeris“ – pasirenkame pirmąjį palyginimo daviklį;
- „Daviklio B numeris“ – pasirenkame antrąjį palyginimo daviklį;
- „Skirtumas A + T > B, kai T..“ – pasirenkame skirtumo temperatūrą. Funkcijos išėjimo numeris aktyvuosis (įjungs apkrova) kai A temperatūra viršys B temperatūrą reikšme, užduota šiame punkte. Pav. matuojame temperatūras ant paduodamojo ir grįžtamojo radiatoriaus vamzdžių, šiame punkte užduota 10 laipsnių, o prie atitinkamo išėjimo prijungtas cirkuliacinis siurblys, varantis vandenį į šį radiatorių. Siurblys įsijungs kai skirtumas tarp A ir B temperatūrų bus ne mažiau kaip 10 laipsnių;
- „Minimalios temperatūros daviklio numeris“ ir „Minimali temperatūra...“ – papildoma sąlyga įsijungt išėjimui. Pratęsiant pateiktą pavyzdį su radiatoriumi, galima užduoti, kad radiatoriaus siurblys įsijungtų tik kai katilo temperatūra bus daugiau už 60 laipsnių. Kaip minimalią temperatūrą galime pasirinkti ir tą pačią išėjimo į radiatorius temperatūrą, tada radiatoriaus siurblys pasileis tik paduodamajame vamzdyje temperatūrai pasiekus atitinkamą reikšmę;
- „Sąlyga“ - galima naudoti papildomą sąlygą palyginimo išėjimo įjungimui/išjungimui. Jei sąlyga nenurodyta, palyginimas dirba kaip aprašyta aukščiau. Jei pasirinktas sąlygos režimas „ARBA“, tai įjungiama ir kaip aprašyta aukščiau, ir kai nors viena programa aktyvuoja pasirinktą palyginimo išėjimą (užtenka bet kurios sąlygos). Jei pasirinktas „IR“ režimas, įjungiamas tik kai tenkinama sąlyga, kaip aprašyta aukštesniuose punktuose, ir kai nors viena programa aktyvuoja palyginimo išėjimą (būtinos abi sąlygos). Esant sąlygai „IR“ ir jokioje programoje neaktyvavus šis išėjimas nedirbs;
- „1 (2...8) globaliame režime +/-“ - jei naudojame globalius išėjimus, nurodome, kuriuose režimuose kontūrui leista dirbti. Nenaudojant globalių - ant visu statome pliusus;
32. Meniu - funkcijos - skystas kuras32
„Meniu"-„Nustatymai"-„Sisteminiai nustatymai" įjungiame kuro įpurškimo valdymą.
„Meniu"-„Funkcijos"-„Skystas kuras":
- „Purkštuko valdymo išėjimas“ – prie kurio valdiklio išėjimo pajungta kuro įpurškimo sistema;
- „Apatinė įjungimo temperatūra“ – katilo išėjimo temperatūrai nukritus žemiau čia užduotos – aktyvuojamas išėjimas;
- „Viršutinė išjungimo temperatūra“ – pakilus katilo temperatūrai iki čia užduotos – išėjimas išjungiamas;
- „Sąlyga“ - galima naudoti papildomą sąlyga išėjimo įjungimui/išjungimui. Jei sąlyga nenurodyta, išėjimas dirba kaip aprašyta aukščiau. Jei pasirinktas sąlygos režimas „ARBA“, tai įjungiama ir kaip aprašyta aukščiau, ir kai nors viena programa aktyvuoja pasirinktą išėjimą (užtenka bet kurios sąlygos). Jei pasirinktas „IR“ režimas, įjungiamas tik kai tenkinama sąlyga, kaip aprašyta aukštesniuose punktuose, ir kai nors viena programa aktyvuoja išėjimą (būtinos abi sąlygos). Esant sąlygai „IR“ ir jokioje programoje neaktyvavus šis išėjimas nedirbs.
33. Meniu - išėjimai33
Visos valdiklio DIN3 funkcijos operuoja išėjimais nuo 1 iki 32. Tai loginiai išėjimai. Priklausomai nuo valdiklio modelio, jame yra išvesta iki dvidešimt vieno tiesiogiai 220V komutuojančių išvadų O1...O21, bei iki dešimties loginio lygmens universalių išvadų D1...D10
| 220V išvadų kiekis | Loginio lygmens išvadų D kiekis | |
| Din3Nano | 6 | - |
| Din3A | 12 | 7 |
| Din3Pro | 21 | 10 |
Kiekvienas išvadas, tiek loginiai D, tiek 220V, nėra fiksuotai pririšti prie loginių valdiklio išėjimų. Gamyklinė konfigūracija:
| Išėjimas | 1 | 2 | 3 | 4 | 5 | 6 | 7 | 8 | 9 | 10 | 11 | 12 | 13 | 14 | 15 | 16 | 17 | 18 | 19 | 20 | 21 | 22 | 23 | 24 | 25 | 26 | 27 | 28 | 29 | 30 | 31 | 32 | Įėjimas |
| Valdiklio išvadas | |||||||||||||||||||||||||||||||||
| O1 | o | ||||||||||||||||||||||||||||||||
| O2 | o | ||||||||||||||||||||||||||||||||
| O3 | o | ||||||||||||||||||||||||||||||||
| O4 | o | ||||||||||||||||||||||||||||||||
| O5 | o | ||||||||||||||||||||||||||||||||
| O6 | o | ||||||||||||||||||||||||||||||||
| O7 | o | ||||||||||||||||||||||||||||||||
| O8 | o | ||||||||||||||||||||||||||||||||
| O9 | o | ||||||||||||||||||||||||||||||||
| O10 | o | ||||||||||||||||||||||||||||||||
| O11 | o | ||||||||||||||||||||||||||||||||
| O12 | o | ||||||||||||||||||||||||||||||||
| O13 | o | ||||||||||||||||||||||||||||||||
| O14 | o | ||||||||||||||||||||||||||||||||
| O15 | o | ||||||||||||||||||||||||||||||||
| O16 | o | ||||||||||||||||||||||||||||||||
| O17 | o | ||||||||||||||||||||||||||||||||
| O18 | o | ||||||||||||||||||||||||||||||||
| O19 | o | ||||||||||||||||||||||||||||||||
| O20 | o | ||||||||||||||||||||||||||||||||
| O21 | o | ||||||||||||||||||||||||||||||||
| D1 | o | ||||||||||||||||||||||||||||||||
| D2 | o | ||||||||||||||||||||||||||||||||
| D3 | o | ||||||||||||||||||||||||||||||||
| D4 | o | ||||||||||||||||||||||||||||||||
| D5 | o | ||||||||||||||||||||||||||||||||
| D6 | o | ||||||||||||||||||||||||||||||||
| D7 | o | ||||||||||||||||||||||||||||||||
| D8 | o | ||||||||||||||||||||||||||||||||
| D9 | o | ||||||||||||||||||||||||||||||||
| D10 | o |
Tačiau gamyklinę konfigūracija galima pasikeisti. Kiekvienas valdiklio išvadas programuojamas. Bet kuri 220V kontaktą galima priskirti prie bet kurio valdiklio loginio išėjimo. Jei prie kontakto prijungta NO tipo elektroterminė galva, tam išvadui įjungiame inversiją (tada kai išėjimas įjungiamas - nuimama 220V įtampa ir vožtuvas atsidaro).
Išėjimų valdymo eiliškumas (gamyklinis nustatymas):

Valdiklis pagal algoritmus apdoroja funkcijas, tada patikrina, kas nurodyta „Meniu"-„Išėjimai"-„Rankinis valdymas", po to, jei suveikusi saulės arba katilo avarinė funkcija, pakeičia išėjimo būseną, ir jau tada loginis valdiklio išėjimas nukreipiamas į konfigūruotus išvadus. Patį išvadą dar gali paveikti "Green opcija" (jei loginiame išėjime, prie kurio prikonfigūruotas duotasis išėjimas, užstatyta green opcija ir katilas yra šaltas iir akumuliacinės tuščios, nepriklausomai nuo inversijos 220V įtampa išjungiama).
Galimas 220V išvadų perkonfigūravimas, kai prie bet kurio valdiklio 220V išvado galima priskirti bet kurį iš 32 loginių išėjimų:

Galimas loginio lygmens D išvadų perkonfigūravimas, kai prie bet kurio valdiklioD išvado galima priskirti bet kurį iš 32 loginių išėjimų:

Išėjimų meniu:
Rankinis valdymas
| Neinvertuotas išėjimas | Invertuotas išėjimas | |
| AUTO | x | x |
| ON | 220V | 0V |
| OFF | 0V | 220V |
| Auto | x | x |
Režimas keičiamas paspaudžiant klaviatūroje klavišą Dešinėn. Su menu klavišu išėjus iš šio punkto režimas lieka toks koks užstatytas. Auto nuo AUTO skiriasi tik tuo, kad, jei užstatytas pasirinkimas su mažosiomis raidėmis, šio išėjimo statusas nerodomas kompiuterio programoms (taupomas duomenų perdavimo laikas)
220V išvadų konfigūravimas
Avarinis meniu
Saulės ir katilo avariniai meniu aprašyti čia.
Loginio lygmens išvadų Dx konfigūravimas
"GREEN" opcija
Kai katilas ataušęs ir akumuliacinės iškrautos, nėra prasmės laikyti paduotą įtampą išėjimuose, kadangi joks šildymas nebevyksta. Šiame punkte nurdome kuriuose išėjimuose įtampa atjungiama (taip taupoma elektra):
| Neinvertuotas išėjimas | Invertuotas išėjimas | |
| AUTO | x | x |
| OFF | 0V | 0V |
"Laiko apskaita"
Valdiklis turi tris išėjimo aktyvumo laiko apskaitos skaitiklius, kuriais galima paskaičiuoti kiek sekundžių pradirbo kuris nors iš loginių išėjimų. Maksimalus skaičiuojamas laikas - 64000 sekundžių.
„Meniu"-„Išėjimai"-„ 1 laiko apskaita ... 3 laiko apskaita"
- „Skaitiklis įjungtas/išjungtas" - įjungiame konkretų skaitiklį;
- „Apskaita XX išėjime" - kurio išėjimo aktyvumo laiką skaičiuojame;
- „Išėjimas dirbo" - galime pažiūrėti kiek sekundžių suskaičiuota;
- „Nunulinimas" - skaitiklio numetimas į nulį. Numetimui spaudžiame mygtuką kairėn;
Pav. jei pirmą skaitiklį priskirsime prie pavaros atidarymo, o kitą - prie pavaros uždarymo išvadų, kadangi pavara suka lygiai vieną sekundę, gausime galimybę palyginti kiek laiko pavara atsidarinėjo ir keik laiko užsidarinėjo.
Pastaba: jei išėjimas aktyvus, bet tame išėjime suveikusi "Green" opcija - aktyvumo laikas vistiek skaičiuojamas, nes "green" veikia ne loginį išėjimą, o fizinį valdiklio išvadą.
EX10 konfigūracija
Išėjimų išplėtimo moduliai gali dirbti nepriklausomai vienas nuo kito, bet kuris modulio 220V išvadas gali veikti kaip bet kuris iš 32 valdiklio išėjimų. Nesvarbu, kad pirmi 12 išėjimų yra ant pačio valdiklio, ant išplėtėjo gali būti tie patys numeriai. Taipogi personaliai kiekvienam išvadui galima užstatyti inversiją. Išėjimų tvarką vartotojas gali pasirinkti laisvai, pav. 1 išvadas yra neinvertuotas 30 valdiklio išėjimas, 2 kanalas – 1 neinvertuotas valdiklio išėjimas, 3 kanalas – 1 invertuotas valdiklio išėjimas, ir t.t. Pastaba: keturšakio (trišakio) pavaros valdymas per išplėtimo modulį negalimas.
Jei EX10 30 sekundžių negauna valdymo komandų iš valdiklio arba duomenys ateina neteisingi, visi modulio išėjimai išjungiami (nepriklausomai nuo programuotos inversijos) ir, informuodami apie aliarmą, pradeda mirksėti visi modulio LED.
Gamyklinėje versijoje EX10 išėjimai programuoti nuo 13 iki 22 išėjimais be inversijos. Norėdami pasikeisti parametrus DIN valdiklyje einame į „Meniu“-„Išėjimai“-„Išplėtimo modulis“, pasirenkame kurį EX10 išėjimą norime keisti. Mygtukais „kairėn“, „dešinėn“ keičiame inversiją, mygtukais „aukštyn“, „žemyn“ – išėjimo numerį. Paspaude „Enter“ nusiunčiame konfigūraciją į tuo metu prijungtą išplėtimo modulį. Informacija programuojama tik tame pasirinktame išėjime. Kadangi nėra grįžtamojo ryšio, nematome kas įprogramuota tame kanale, tad, vėl įėjus į atitinkamą meniu punktą, matysime pradinę informaciją. Jei reikia, visus 10 kanalų programuojame atskirai. Informacija apie išėjimų numerius saugoma išplėtimo modulyje, tad visus naudojamus modulius galima programuoti skirtingai.
Pastaba: Paspaudus „Enter“, konfigūracija įrašoma į visus pajungtus išplėtimo modulius, tad, jei naudojate kelis, programavimo metu pajungtą galima palikti tik tą, kurį reikia keisti!
Servo pavara
Įprasti elektriniai vožtuvai valdomi vienu laidu: yra įtampa, vožtuvas atidarytas, įtampos nėra - vožtuvas užsidaro (NC vožtuvai) arba atvirkščiai (NO vožtuvai). Bet yra ir dvilaidžių vožtuvų, kuriems atidarymui reikia paduot įtampą į vieną laidą, o uždarymui - į kitą. Dažniausiai įtampą paduot reikia tik tam tikrą laiką, pavyzdžiui 5 sekundes. Tokiems vožtuvams valdyti skirtos šios trys analogiškos funkcijos.
Galima pajungti iki trijų tokių pavarų. Pavara jungiama prie bet kurios viena paskui kitą einančių išvadų poros. Išvadas žemesniu numeriu atidaro servopavarą, aukštesniu - uždaro. Valdančią įtampą pavarai galima paduoti pastoviai arba tam tikrą laiką (laikas programuojasi per meniu). Servopavaros valdymas nėra autonominė funkcija, ji tik seka nurodyta vienlaidi išėjimą ir ji paverčia dvilaidžiu. Pav. turime programą, su kuria norime perjungti vandens srautus servopavaros pagalba. Progrmoje uzsistato viengubas išėjimas. Tarkime nurodytas 10 išėjimas. Konfigūruojame servo pavarą 10/11 išėjimams. Kadangi 10 išėjimas priskirtas servopavarai, pasikeičia jo darbo algoritmas. Suveikus programai, ji aktyvuoja nurodyta 10 išėjimą, servopavaros funkcija perima valdyma ir 10 išėjime paduoda įtampa tiek laiko, kiek nurodyta punkte "įjungimo laikas". Tada įtampa išjungiama. Kai programa nustoja veikti, ji išjungia nurodyta 10 išėjimą. Servopavaros valdymas pamato tą išjungimo momentą ir, neliasdama atidarymo išvado, įtampa paduoda į 11 išėjimą tiek laiko, kiek nurodyta punkte "išjungimo laikas".
Pastaba: Servopavarai paduodamas išėjimas su žemesniu numeriu (pavyzdyje 10), jei bandysime manipuliuoti su aukštesniu (pavizdyje 11) - jis bus ignoruojamas.
„Meniu"-„Nustatymai"-„Sisteminiai nustatymai" įjungiame kiek sistemoje naudosime servo pavarų.
„Meniu"-„Išėjimai"-„ 1 servo pavara ... 3 servo pavara"
„Servo pavara..." - kai nenaudojame, pasirenkame nenaudojama.
„Servo pavaros išėimas..." - pasirenkame išėjimų porą;
„Atidarymas" - laikas atidarymo išvade. Jei nurodyta "išėjimas pastovus", įtampa duotoje kojoje bus paduota visą laiką, jei nurodytos sekundės - įtampa bus paduodama užduotą laiką;
„Uždarymas" - laikas uždarymo išvade. Jei nurodyta "išėjimas pastovus", įtampa duotoje kojoje bus paduota visą laiką, jei nurodytos sekundės - įtampa bus paduodama užduotą laiką;Grupiniai išėjimai
Kartais gali prireikti su vienų įvykiu aktyvuoti kelis išėjimus. Tam skirtos trys grupinių išėjimų funkcijos. Nurodome sekama loginį išėjimą ir pasirenkame ką, jam suveikus, turi daryti kiti valdiklio loginiai išėjimai.
„Meniu"-„Nustatymai"-„Sisteminiai nustatymai" įjungiame kiek sistemoje naudosime grupinių funkcijų.
„Meniu"-„Išėjimai"-„ Grupiniai išėjimai 1 ... Grupiniai išėjimai 3"
| Sekamas išėjimas nesuveikęs | Sekamas išėjimas suveikęs | |
| AUTO | x | x |
| ON | x | ijungtas |
| OFF | x | išjungtas |
Suminiai išėjimai
Atvirkštinė grupiniams išėjimams funkcija. VIenas nurodytas išėjimas gali sekti grupę išėjimų, ir, bent vienam iš jų suveikus, įjungia nurodytą išėjimą. Yra trys nepriklausomos tokios funkcijos. Nurodome funkcijos išėjimą ir pasirenkame ką kuris valdiklio išėjimas tada turi daryti:
„Meniu"-„Nustatymai"-„Sisteminiai nustatymai" įjungiame kiek sistemoje naudosime suminių funkcijų.
„Meniu"-„Išėjimai"-„ Suminis išėjimas 1 ... Suminis išėjimas 3"
- „Iš. - "- į šį išėjimą funkcija nekreipia dėmesio;
- „Iš. ARBA" - suveikus tokiam išėjimui aktyvuojamas suminis išvadas
34. Indikacija valdiklio panelėje34
Din3Nano ir DIN3 išėjimų indikacija:
- nešviečia. Išėjimas išjungtas;
- šviečia. Išėjimas įjungtas;
- trumpai užgęsta. Išėjimas įjungtas rankiniu būdu per „Meniu"-„Išėjimai"-„Rankinis valdymas";
- trumpai užsidega. Išėjimas išjungtas rankiniu būdu per „Meniu"-„Išėjimai"-„Rankinis valdymas";Din3A ir Din3PRO išėjimų indikacija:
- nešviečia. Išėjimas išjungtas;
- šviečia raudonas. Išėjimas įjungtas;
- lėtai mirksi raudonas. Išėjimas įjungtas rankiniu būdu per „Meniu"-„Išėjimai"-„Rankinis valdymas";
- dega žaliai. Išėjimas išjungtas rankiniu būdu per „Meniu"-„Išėjimai"-„Rankinis valdymas";
- greit mirksi raudonas. Išėjimas įjungtas suveikus saulės avarinei funkcijai;
- greit mirksi žalias. Išėjimas išjungtas suveikus saulės arba katilo avarinei funkcijai;
- greit mirksi geltona/raudona. Išėjimas įjungtas suveikus katilo avarinei funkcijai;Din3A ir Din3PRO funkcinio LED "MODE" indikacija:
- nešviečia. Sistema šalta ir stovi;
- greit mirksi raudonas. Katilas užkūrimo režime;
- šviečia geltonas. Katilas karštas, ventiliatorius auto režime;
- lėtai mirksi geltona/raudona. Katilas karštas, ventiliatorius išjungtas (katilas miega);
- dega žaliai. Katilas miega (kai nenaudojama ventiliatoriaus funkcija);35. Video pamoka - baterijos pakeitimas35
36. Gamyklinių parametrų atstatymas36
- „Daviklių ištrynimas“ - ištrina iš atminties visus nuskenuotus ir priskirtus daviklius. Kiti meniu nustatymai išlieka. Ištrinama paspaudus mygtuką kairėn;
- „Factory reset“ - gamyklinių nustatymų atstatymas, pradinė parametrų inicializacija. Davikliai netrinami (nuo 0.46 versijos). Atstatoma paspaudus mygtuką kairėn;
37. Valdiklio programinis atnaujinimas37
Dėmesio: į DIN3 serijos valdiklį galima rašyti tik DIN3 serijos programinį aprūpinimą (firmware), kurių pavadinimas yra DIN3xxx.cod, kur xxx- versijos numeris
Atnaujinimui reikia:
Atsisiunčiame ir užsiinstaliuojame USB tvarkyklės - JOnis DIN3 VCP tvarkykles. Prijungiame valdiklį per USB kabelį. Device manager galima pažiūrėti koki com prievado numerį priskyrė windows sistema:

Jei operacinė valdikliui priskyrė numerį, didesnį už 9,atnaujinti nepavyks. Reikia rankiniu būdu windows sistemoje pasikeisti com prievado numerį į žemesnį.
Atsisiunčiame ir pasileidžiame Flashloader - programą, skirta atnaujinimams įrašyti.

Nurodome tą patį com prievado numerį. kuri matėme device manager. Atsidarome atsisiųsta naujausią .cod failą. Išjungiame valdiklio maitinimą, paspaudžiame ir laikome nuspaustą mygtuką ENTER ant valdiklio panelės ir tuo pačiu metu paduodame valdikliui maitinimą. Atleidžiame mygtuką. Valdiklio ekrane turi rašyti "Firmware updater". Flashloaderyje spaudžiame Info, jei komunikacija gera - gausime pranešimą su valdiklio serijiniu numeriu. Spaudžiame Download ir laukiame, kol atsiras panešimas apie naujinimo pabaigą. Baigus spaudžiame Start App., valdiklis persikrauna ir galime naudoti.
Pastaba: Jei per minute nuo iėjimo į atnaujinimo režima naujinimas nebus pradėtas, valdiklis automatiškai persikraus į darbinę būseną
Naujausia programinį aprūpinimą galima rasti programinio aprūpinimo puspapyje .
38. Avarinė situacija38
Šiolaikinės šildymo sistemos paprastai būna uždaros ir slėginės. Sistemoje palaikomas 0.8 ... 1.8 baro slėgis. Vandens užvirimo temperatūra prie įvairių slėgių:
| Slėgis, bar. | Užvirimo temperatūra, C |
| 1.0 | 100 |
| 1.1 | 102 |
| 1.2 | 104 |
| 1.3 | 106 |
| 1.4 | 107 |
| 1.5 | 109 |
| 1.6 | 112 |
| 1.7 | 114 |
| 1.8 | 117 |
| 1.9 | 119 |
| 2.0 | 120 |
| 2.1 | 121 |
| 2.2 | 123 |
| 2.3 | 125 |
| 2.4 | 126 |
| 2.5 | 127 |
Reikia nepamiršti, kad šildymo sistemoje matome ne absoliutinį slėgį, o santykinį (kai rodo 0, tai yra atmosferinis 1 baro slėgis). Tad jei manometras rodo 0.8 baro, užvirimo temperatūra pagal lentele reikia žiūrėti prie 1.8 baro. Kaip matome, 105C temperatūra katile nėra kritinė, bet tolimesnis jos kilimas nepageidautinas.
Valdiklyje realizuota nemažai avarinių situacijų prevencijos algoritmų. Įvairios avarinės situacijos turi skirtingus prioritetus ir yra skirtingai apdorojamos. Pavyzdžiui, dingus lauko davikliui (ar visiems davikliams, jei jų priskirta keletas), algoritmuose tik išsijungia korekcijos pagal lauko temperatūrą, dingus kamino davikliui - algoritmai pereina dirbt pagal katilo išėjimo temperatūra ir t.t. Kita žemesnio prioriteto avarinė situacija - nematomas trieigio/ketureigio pavaros išėjimo daviklis (stovintis ant kolektoriaus, pagal kurį palaikoma temperatūra). Šioje situacijoje pavara atidaroma iki galo, visa kita sistemoje lieka dirbti pagal užduotus algoritmus.
Už visas funkcijas aukštesnio prioriteto avarinė funkcija yra saulės kolektoriaus avarinės situacijos apdorojimas, skirtas papildomai apsaugai nuo saulės kolektoriaus perkaitimo. Ją randame „Meniu"-„Išėjimai"-„Saulės avarinis". Suveikus saulės avarinei funkcijai sistema sukomutuojama taip, kad maksimaliai nuvestu šilumą nuo boilerio (jei reikia, paleidžiame norimus siurblius, atidarome pavaras, vožtuvus ir t.t.). Saulės avarinio prioritetas labai aukštas, jam suveikus išėjimai įjungiami arba išjungiami nepriklausomai nuo to, kas juose yra tuo metu. Aukštesnį prioritetą turi tik katilo avarinė funkcija ir rankinis valdymas (tik tada, jei „Meniu"-„Nustatymai"-„Sisteminiai nustatymai“ pasirinkta , kad rankinis valdymas turi aukštesnį prioritetą už avarines funkcijas)
- „Viršutinė ribos temperatūra" - saulės kolektoriaus temperatūra, prie kurios suveikia avarinė funkcija. Jei naudojama daugiau negu vienas kolektoriaus daviklis - žiūrimas karščiausias. Rekomenduojama 105C;
- „Apatinė ribos temperatūra" - saulės kolektoriui atvėsus iki šios temperatūros avarinė funkcija išsijungia. Rekomenduojama 100C;
- „#1 (... #32) išėjimas AUTO/ON/OFF" - atitinkami išėjimai elgiasi sekančiai (AUTO - suveikus avarinei funkcijai šis išėjimas neliečiamas):
| Neinvertuotas išėjimas | Invertuotas išėjimas | |
| AUTO | x | x |
| ON | 220V | 0V |
| OFF | 0V | 220V |
Pačio aukščiausio prioriteto avarinė situacija katilinės sistemoje yra jei dingsta katilo išėjimo daviklis arba katilo temperatūra pakyla virš „Meniu"-„Išėjimai"-„Katilo avarinis" užduotos ribos. Daugelis funkcijų įjungia išėjimus (paleidžiami cirkuliaciniai siurbliai, atidaromos kolektorių termogalvos, boileris), tuo tarpu ventiliatoriaus išėjimas išjungiamas.
Aukščiausio lygmens avarinės situacijos apdorojimas konfigūruojamas „Meniu"-„Išėjimai"-„Katilo avarinis". Čia nurodome dvi avarines katilo temperatūras: viršutinę, prie kurios suveikia avarinė būsena, ir apatinę, prie kurios avarinė būsena panaikinama. Toliau kiekvienam išėjimui nurodoma veiksena kaip elgtis prie avarijos:
- „Viršutinė ribos temperatūra" - katilo temperatūra, prie kurios suveikia avarinė funkcija. Jei naudojama daugiau negu vienas katilo išėjimo daviklis - žiūrimas karščiausias. Rekomenduojama 97C;
- „Apatinė ribos temperatūra" - katilui atvėsus iki šios temperatūros, avarinė funkcija išsijungia. Rekomenduojama 95C;
- „#1 (... #32) išėjimas AUTO/ON/OFF" - atitinkami išėjimai elgiasi sekančiai (AUTO - suveikus avarinei funkcijai šis išėjimas neliečiamas):
| Neinvertuotas išėjimas | Invertuotas išėjimas | |
| AUTO | x | x |
| ON | 220V | 0V |
| OFF | 0V | 220V |

